gentili amici buon pomeriggio,
io avrei bisogno di fare eccitare un rele' a 12 volt quando manca la tensione di rete a 230 volt
volevo usare un fotoaccopiatore per isolare la parte che funziona con la 230 volt con quella a bassa tensione.
io pensavo se fosse possibile alimentare il del che e' nel fototransistor con la tensione di rete se si puo'
il rele' consuma circa 300 mA
la batteria ha gia un suo circuito di ricarica
vi ringrazio del vostro aiuto sempre molto professionale
rele che si eccita quando manca la rete
Moderatori:
carloc,
g.schgor,
BrunoValente,
IsidoroKZ
16 messaggi
• Pagina 1 di 2 • 1, 2
0
voti
Usando un optoisolatore direttamente alimentato dalla rete 230 V, dovrai mettere un condensatore di filtro, perché l'usita non sia impulsiva, e, se metti dei condensatori di filtro, otterai anche la commutazione del relè in ritardo.
Cosa devi fare ? Spiega il problema senza introdurre tue idee o riflessioni. Poi si vedrà come procedere.
Cosa devi fare ? Spiega il problema senza introdurre tue idee o riflessioni. Poi si vedrà come procedere.
-

Candy
32,5k 7 10 13 - CRU - Account cancellato su Richiesta utente
- Messaggi: 10123
- Iscritto il: 14 giu 2010, 22:54
1
voti
Puoi usare un semplice relè normalmente chiuso (che in presenza di rete si apre).....mandi la corrente direttamente alla bobina.....si aprirà....quando manca la rete chiude.... ne sono disponibili vari tipi con contatti puliti dove puoi far transitare la 12 tranquillamente...semplice ed economico..spero di averti dato uno spunto..
-

elettroigor
2.063 1 5 12 - Expert free
- Messaggi: 780
- Iscritto il: 22 gen 2011, 0:02
0
voti
ciao , grazie delle vostre idee , per il rele' volevo evitare se possibile in quanto in casa ho solo dei rele' a 12 volt ,
per l uso che devo farne e per una pseudo lampadina di emergenza , quindi se ha del ritardo la cosa non mi crea nessun tipo di problema , dato che e' cha cablata in un suo circuito volevo usare un rele' a 2 scambi in modo che non si crei nessun tipo di problema di conflitto con il circuito che e gia funzionante
per l uso che devo farne e per una pseudo lampadina di emergenza , quindi se ha del ritardo la cosa non mi crea nessun tipo di problema , dato che e' cha cablata in un suo circuito volevo usare un rele' a 2 scambi in modo che non si crei nessun tipo di problema di conflitto con il circuito che e gia funzionante
0
voti
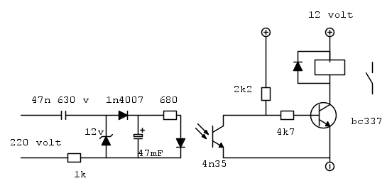
per accendere il led nel fotoaccopiatopre ho trovato questo
http://www.webalice.it/crapellavittorio/electronic/220ttl.gif
e per la parte del rele ' questo
http://www.rason.org/Projects/transwit/image3.gif
che ne dite?
http://www.webalice.it/crapellavittorio/electronic/220ttl.gif
e per la parte del rele ' questo
http://www.rason.org/Projects/transwit/image3.gif
che ne dite?
1
voti
0
voti
Il LED puoi metterlo in parallelo al relè.
Per quanto riguarda la parte collegata alla tensione di rete non so dirti se è giusta o no, aspetta conferma da qualcuno.
E comunque quel condensatore sicuramente non è da 47mF
Per quanto riguarda la parte collegata alla tensione di rete non so dirti se è giusta o no, aspetta conferma da qualcuno.
E comunque quel condensatore sicuramente non è da 47mF
"Computers, operating systems, networks are a hot mess. They're barely manageable, even if you know a decent amount about what you're doing. Nine out of ten software engineers agree: it's a miracle anything works at all."
@fasterthanlime
@fasterthanlime
2
voti
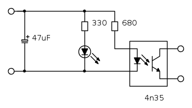
Ah pardon.
Beh dovrebbe bastare mettere il led e resistenza in parallelo alla resistenza da 680 e fotoaccoppiatore.
Tipo così
Beh dovrebbe bastare mettere il led e resistenza in parallelo alla resistenza da 680 e fotoaccoppiatore.
Tipo così
"Computers, operating systems, networks are a hot mess. They're barely manageable, even if you know a decent amount about what you're doing. Nine out of ten software engineers agree: it's a miracle anything works at all."
@fasterthanlime
@fasterthanlime
16 messaggi
• Pagina 1 di 2 • 1, 2
Chi c’è in linea
Visitano il forum: Nessuno e 198 ospiti

Elettrotecnica e non solo (admin)
Un gatto tra gli elettroni (IsidoroKZ)
Esperienza e simulazioni (g.schgor)
Moleskine di un idraulico (RenzoDF)
Il Blog di ElectroYou (webmaster)
Idee microcontrollate (TardoFreak)
PICcoli grandi PICMicro (Paolino)
Il blog elettrico di carloc (carloc)
DirtEYblooog (dirtydeeds)
Di tutto... un po' (jordan20)
AK47 (lillo)
Esperienze elettroniche (marco438)
Telecomunicazioni musicali (clavicordo)
Automazione ed Elettronica (gustavo)
Direttive per la sicurezza (ErnestoCappelletti)
EYnfo dall'Alaska (mir)
Apriamo il quadro! (attilio)
H7-25 (asdf)
Passione Elettrica (massimob)
Elettroni a spasso (guidob)
Bloguerra (guerra)




