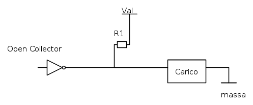
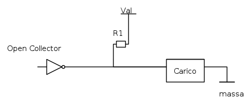
È un esercizio e chiede:
Dimensionare R1 sapendo che:
- il carico (composto da porte logiche) riconosce il livello alto con una tensione maggiore uguale a 3V. Assorbono una corrente totale di 0.9mA
-Quando I1 (OC) è a livello basso la porta ha una resistenza Ron di uscita pari a 150 ohm. I1 assorbe 8mA e il carico eroga verso I1 una corrente di 3mA
-La tensione di alimentazione è di 5V
Per il livello alto ho pensato a:
Quindi la mia R1 risulterà:
R1= (Val - 3) / Ir1
Dove Ir1= 0,9 - IoH
Ma IoH non viene fornita (di solito venivano forniti datasheet... in questa prova però no...)
mentre per il livello basso:
dove non ho messo il verso della corrente del carico, perche dal testo viene detto che va verso l'OC.... ma avevo un dubbio su questo fatto...
e anche la questione delle Ron non mi è chiara...
Qualcuno saprebbe spiegarmi come girano le correnti nei due livelli e come gestire la Ron?
Vi ringrazio

Elettrotecnica e non solo (admin)
Un gatto tra gli elettroni (IsidoroKZ)
Esperienza e simulazioni (g.schgor)
Moleskine di un idraulico (RenzoDF)
Il Blog di ElectroYou (webmaster)
Idee microcontrollate (TardoFreak)
PICcoli grandi PICMicro (Paolino)
Il blog elettrico di carloc (carloc)
DirtEYblooog (dirtydeeds)
Di tutto... un po' (jordan20)
AK47 (lillo)
Esperienze elettroniche (marco438)
Telecomunicazioni musicali (clavicordo)
Automazione ed Elettronica (gustavo)
Direttive per la sicurezza (ErnestoCappelletti)
EYnfo dall'Alaska (mir)
Apriamo il quadro! (attilio)
H7-25 (asdf)
Passione Elettrica (massimob)
Elettroni a spasso (guidob)
Bloguerra (guerra)






