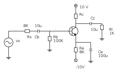
Sto risolvendo un esercizio su un ampli a BJT ad emettitore comune con degenerazione e ottengo un valore del guadagno di tensione strano...ecco qui la traccia e la mia risoluzione:
Si progetti l'amplificatore in figura tale che in polarizzazione Ic = 1mA e Vc = 2V. Si verifichi che il circuito sia in zona attiva diretta.
Poi si valuti, Rin e Rout. Sia
e si trascuri l'effetto Early.
Consideriamo il circuito in d.c., quindi i condensatori agiscono come circuiti aperti e il circuito è il seguente:
- Vale la seguente:

- Verifichiamo la ZAD:



Consideriamo il modello a
del BJT per piccoli segnali in a.c., quindi con i generatori di tensione in corto circuito:con

- Otteniamo quindi:


Allora:
Inoltre (per il partitore di tensione in ingresso):
Allora il guadagno vale:
-

Ammesso che il procedimento sia giusto, è normale che un amplificatore CE abbia un guadagno minore di 1?
Grazie in anticipo
Giulio

Elettrotecnica e non solo (admin)
Un gatto tra gli elettroni (IsidoroKZ)
Esperienza e simulazioni (g.schgor)
Moleskine di un idraulico (RenzoDF)
Il Blog di ElectroYou (webmaster)
Idee microcontrollate (TardoFreak)
PICcoli grandi PICMicro (Paolino)
Il blog elettrico di carloc (carloc)
DirtEYblooog (dirtydeeds)
Di tutto... un po' (jordan20)
AK47 (lillo)
Esperienze elettroniche (marco438)
Telecomunicazioni musicali (clavicordo)
Automazione ed Elettronica (gustavo)
Direttive per la sicurezza (ErnestoCappelletti)
EYnfo dall'Alaska (mir)
Apriamo il quadro! (attilio)
H7-25 (asdf)
Passione Elettrica (massimob)
Elettroni a spasso (guidob)
Bloguerra (guerra)
, Rin e Rout. Sia
e si trascuri l'effetto Early.




