Ciao a tutti,
ho bisogno di un aiuto a comprendere il datasheet di questo zener.
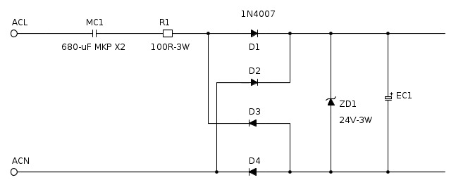
Ho un circuito costruito e progettato da terzi che utilizza un diodo Zener per ridurre la tensione a 24Volt.
Il circuito è quello indicato in figura, è un alimentatore transformerless che da tensione di rete, ricava i 24 V necessari all'alimentazione di un relè.
Ho riportato solo la parte "iniziale" del circuito perché il mio interesse si concentra solo sul singolo componente (zener) e non su tutto l'alimentatore.
Leggo da datsheet (allegato) che questo diodo ha una IZt di 15,6mA.
Cosa si intende precisamente con Izt?
Io ho pensato che sia quel valore di corrente per cui si innesca l'effetto di breakdown.E' giusto?
Ho fatto una misura ,sul circuito reale, di quanta corrente passa attraverso questo zener, mi aspettavo un valore maggiore o uguale a 15,6mA, invece mi trovo circa 7mA.
Siccome la scheda funziona(?) e ottengo i 24Volt richiesti, mi chiedo se è corretto fare funzionare così questo componente, oppure siamo fortunati visto che otteniamo il risultato voluto ma con un progetto sbagliato.
Grazie, Gianluigi
Izt diodo zener
Moderatori:
carloc,
g.schgor,
BrunoValente,
IsidoroKZ
5 messaggi
• Pagina 1 di 1
2
voti
Izt e` una corrente di riferimento a cui vengono misurati i parametri dello zener, di solito e` il 10% della corrente massima di zener.
Scendere molto al di sotto di questa corrente di solito non conviene perche' poi le caratteristiche di regolazione peggiorano.
Izt on e` il valore a cui comincia la conduzione (in questo caso per effetto valanga), altrimenti quei 7mA che misuri come passerebbero?
Scendere molto al di sotto di questa corrente di solito non conviene perche' poi le caratteristiche di regolazione peggiorano.
Izt on e` il valore a cui comincia la conduzione (in questo caso per effetto valanga), altrimenti quei 7mA che misuri come passerebbero?
Per usare proficuamente un simulatore, bisogna sapere molta più elettronica di lui
Plug it in - it works better!
Il 555 sta all'elettronica come Arduino all'informatica! (entrambi loro malgrado)
Se volete risposte rispondete a tutte le mie domande
Plug it in - it works better!
Il 555 sta all'elettronica come Arduino all'informatica! (entrambi loro malgrado)
Se volete risposte rispondete a tutte le mie domande
0
voti
Grazie della spiegazione.
Ovviamente se ho passaggio di corrente, qualcosa deve essee successo.
Parli di Izt on, come minima corrente che innesca l'effetto valanga, questo valore lo trovo riportato nel datasheet nel grafico di fig.8?
Se ho ben inteso la minima corrente è dell'orine di qualche decimo di milliampere, giusto?
Ovviamente se ho passaggio di corrente, qualcosa deve essee successo.
Parli di Izt on, come minima corrente che innesca l'effetto valanga, questo valore lo trovo riportato nel datasheet nel grafico di fig.8?
Se ho ben inteso la minima corrente è dell'orine di qualche decimo di milliampere, giusto?
-

GianluigiSarais
58 2 - New entry

- Messaggi: 51
- Iscritto il: 29 gen 2009, 12:27
0
voti
Errore di stompa volevo scrivere Izt non e` il valore... mi e` scappata una n iniziale!
La figura 8 dice piu` o meno come si comporta il dispositivo. Piu` o meno perche' e` una curva tipica, dipende da come e` venuto lo zener, dalle modalita` di misura... Comunque si vede che anche a frazioni di milliampere il suo lavoro lo fa.
La figura 8 dice piu` o meno come si comporta il dispositivo. Piu` o meno perche' e` una curva tipica, dipende da come e` venuto lo zener, dalle modalita` di misura... Comunque si vede che anche a frazioni di milliampere il suo lavoro lo fa.
Per usare proficuamente un simulatore, bisogna sapere molta più elettronica di lui
Plug it in - it works better!
Il 555 sta all'elettronica come Arduino all'informatica! (entrambi loro malgrado)
Se volete risposte rispondete a tutte le mie domande
Plug it in - it works better!
Il 555 sta all'elettronica come Arduino all'informatica! (entrambi loro malgrado)
Se volete risposte rispondete a tutte le mie domande
0
voti
Ok, grazie.
Quindi posso stare tranquillo che questo diodo, così come è inserito nel circuito, svolge il suo mestiere senza "sofferenze".
Però mi piaceva la definizione di Izt on: corrente minima di innesco, era carina!
Quindi posso stare tranquillo che questo diodo, così come è inserito nel circuito, svolge il suo mestiere senza "sofferenze".
Però mi piaceva la definizione di Izt on: corrente minima di innesco, era carina!
-

GianluigiSarais
58 2 - New entry

- Messaggi: 51
- Iscritto il: 29 gen 2009, 12:27
5 messaggi
• Pagina 1 di 1
Chi c’è in linea
Visitano il forum: Nessuno e 24 ospiti

Elettrotecnica e non solo (admin)
Un gatto tra gli elettroni (IsidoroKZ)
Esperienza e simulazioni (g.schgor)
Moleskine di un idraulico (RenzoDF)
Il Blog di ElectroYou (webmaster)
Idee microcontrollate (TardoFreak)
PICcoli grandi PICMicro (Paolino)
Il blog elettrico di carloc (carloc)
DirtEYblooog (dirtydeeds)
Di tutto... un po' (jordan20)
AK47 (lillo)
Esperienze elettroniche (marco438)
Telecomunicazioni musicali (clavicordo)
Automazione ed Elettronica (gustavo)
Direttive per la sicurezza (ErnestoCappelletti)
EYnfo dall'Alaska (mir)
Apriamo il quadro! (attilio)
H7-25 (asdf)
Passione Elettrica (massimob)
Elettroni a spasso (guidob)
Bloguerra (guerra)

