Cos'è ElectroYou | Login Iscriviti

ElectroYou - la comunità dei professionisti del mondo elettrico

RISOLUZIONE PROBLEMA ELETTRONICA ANALOGICA!!!!! URGENTE!

Elettronica lineare e digitale: didattica ed applicazioni

Moderatori: Foto Utentecarloc, Foto Utenteg.schgor, Foto UtenteBrunoValente, Foto UtenteIsidoroKZ

0
voti

[41] Re: RISOLUZIONE PROBLEMA ELETTRONICA ANALOGICA!!!!! URGENTE!

Messaggioda Foto UtenteRenzoDF » 21 lug 2011, 0:02

bistefo70 ha scritto:che ti devo dire togli la R e metti un "V".


Una che? ... una V :?: :?: :?: :mrgreen:
"Il circuito ha sempre ragione" (Luigi Malesani)
Avatar utente
Foto UtenteRenzoDF
55,9k 8 12 13
G.Master EY
G.Master EY
 
Messaggi: 13189
Iscritto il: 4 ott 2008, 9:55

0
voti

[42] Re: RISOLUZIONE PROBLEMA ELETTRONICA ANALOGICA!!!!! URGENTE!

Messaggioda Foto UtenteTardoFreak » 21 lug 2011, 0:03

bistefo70 ha scritto:che ti devo dire togli la R e metti un "V".


W=I^2V :-M
"La follia sta nel fare sempre la stessa cosa aspettandosi risultati diversi".
"Parla soltanto quando sei sicuro che quello che dirai è più bello del silenzio".
Rispondere è cortesia, ma lasciare l'ultima parola ai cretini è arte.
Avatar utente
Foto UtenteTardoFreak
73,9k 8 12 13
-EY Legend-
-EY Legend-
 
Messaggi: 15754
Iscritto il: 16 dic 2009, 11:10
Località: Torino - 3° pianeta del Sistema Solare

0
voti

[43] Re: RISOLUZIONE PROBLEMA ELETTRONICA ANALOGICA!!!!! URGENTE!

Messaggioda Foto Utentebistefo70 » 21 lug 2011, 0:04

si avevo gia risposto a qualcuno volevo dire non incognite.
in quanto al valore efficace se ti riferisci alla frazione per trovare il periodo e la frequenza dei 50 Hz, si in effetti devo correggere..

Quota solo quanto serve prima della risposta. Meglio ancora usa il tasto RISPONDI al posto di CITA
Avatar utente
Foto Utentebistefo70
-60 4
 
Messaggi: 38
Iscritto il: 27 giu 2011, 20:38

0
voti

[44] Re: RISOLUZIONE PROBLEMA ELETTRONICA ANALOGICA!!!!! URGENTE!

Messaggioda Foto UtenteIsidoroKZ » 21 lug 2011, 0:05

bistefo70 ha scritto:Infatti credo che la ragazza sia all'antipasto dell'elettronica analogica,


Credo che l'OP abbia finito il secondo o terzo anno di ingegneria elettronica fatto tutto un corso di analogica,, quello e` un esercizio della prima settimana del corso. Secondo me dovrebbe sapere che cosa sono gli integrali, la corrente media e come calcolarla. Gli approcci analitici sono normali all'universita`, non credo che sia "troppo presto": quando aspettiamo a usarli gli integrali per analizzare un problema modellato in modo abbastanza ideale? Alla pensione?

Comunque aspettiamo la tua soluzione. Poi parleremo del valore efficace, che non mi pare molto ben trattato. Ma prima la soluzione al dimensionamento di questa resistenza, con i metodi e le conoscenze di uno studente del secondo anno.
Per usare proficuamente un simulatore, bisogna sapere molta più elettronica di lui
Plug it in - it works better!
Il 555 sta all'elettronica come Arduino all'informatica! (entrambi loro malgrado)
Se volete risposte rispondete a tutte le mie domande
Avatar utente
Foto UtenteIsidoroKZ
121,2k 1 3 8
G.Master EY
G.Master EY
 
Messaggi: 21059
Iscritto il: 17 ott 2009, 0:00

-1
voti

[45] Re: RISOLUZIONE PROBLEMA ELETTRONICA ANALOGICA!!!!! URGENTE!

Messaggioda Foto Utentebistefo70 » 21 lug 2011, 0:08

Anzi no proviamo con una "C" :D
Buonanotte ragazzi comunque siete simpatici e volenterosi quando vi ci mettete!!! :D
chi il pensier non sa attaccar attacca il pensatore"paul valery......

Quota solo quanto serve prima della risposta. Meglio ancora usa il tasto RISPONDI al posto di CITA
Avatar utente
Foto Utentebistefo70
-60 4
 
Messaggi: 38
Iscritto il: 27 giu 2011, 20:38

0
voti

[46] Re: RISOLUZIONE PROBLEMA ELETTRONICA ANALOGICA!!!!! URGENTE!

Messaggioda Foto UtenteTardoFreak » 21 lug 2011, 0:11

bistefo70 ha scritto:... chi il pensier non sa attaccar attacca il pensatore"paul valery......


Mah, quella è solo un' equazione. O|

Chi ha tirato in ballo il "pensatore"? :-M
"La follia sta nel fare sempre la stessa cosa aspettandosi risultati diversi".
"Parla soltanto quando sei sicuro che quello che dirai è più bello del silenzio".
Rispondere è cortesia, ma lasciare l'ultima parola ai cretini è arte.
Avatar utente
Foto UtenteTardoFreak
73,9k 8 12 13
-EY Legend-
-EY Legend-
 
Messaggi: 15754
Iscritto il: 16 dic 2009, 11:10
Località: Torino - 3° pianeta del Sistema Solare

0
voti

[47] Re: RISOLUZIONE PROBLEMA ELETTRONICA ANALOGICA!!!!! URGENTE!

Messaggioda Foto UtenteTardoFreak » 21 lug 2011, 0:16

bistefo70 ha scritto:Buonanotte ragazzi comunque siete simpatici e volenterosi quando vi ci mettete!!! :D

Ma come? Te ne vai senza postare la soluzione? :(
"La follia sta nel fare sempre la stessa cosa aspettandosi risultati diversi".
"Parla soltanto quando sei sicuro che quello che dirai è più bello del silenzio".
Rispondere è cortesia, ma lasciare l'ultima parola ai cretini è arte.
Avatar utente
Foto UtenteTardoFreak
73,9k 8 12 13
-EY Legend-
-EY Legend-
 
Messaggi: 15754
Iscritto il: 16 dic 2009, 11:10
Località: Torino - 3° pianeta del Sistema Solare

0
voti

[48] Re: RISOLUZIONE PROBLEMA ELETTRONICA ANALOGICA!!!!! URGENTE!

Messaggioda Foto Utentemattyyy » 22 lug 2011, 12:37

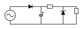
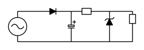
Ciao a tutti! Non credo che sia utilie trasformare questo topic in un post di flame quindi vorrei proporvi la mia soluzione del problema e, nel caso in cui abbia commesso errori (com'è certo che sarà), vi prego di aiutarmi a capire il perché.

E=20 sin⁡(50t)
Vz=5V
RL=1kΩ

Si ipotizzi che il corretto funzionamento del diodo Zener avvenga per 5mA<Iz<100mA
La corrente presente sul carico RL è di 5mA (rapporto fra Vz e RL). Per prima cosa è necessario dimensionare Rz affinchè la Iz sia compresa nel range prestabilito.

La c.d.t sulla resistenza Rz è la seguente:
VRz = 20sin(50t)-0.6-5
0.6V = c.d.t dovuta al diodo
5V = tensione del diodo Z

Quando la funzione sin vale 1, si avrà che la MASSIMA tensione VRz(max) = 20-0.6-5 = 14.4V
Per assicurare la conduzione del Diodo Z in questa circostanza, si suppone che alla massima tensione ai capi di Rz, in D2 scorra la massima corrente (100mA, come supposto prima).

Risolvendo l'equazione del nodo, abbiamo che:
IRz(max) = Iz(max) + IRL = 100mA + 5mA = 105mA
Tale corrente IRz(max) scorrerà lungo la resistenza Rz quando la tensione ai suoi capi è di 14.4V - permettendoci così di calcolare il valore di Rz:
Rz = VRz(max)/IRz(max) = 14.4/0.105 = 137Ohm (si assuma Rz = 200 Ohm in maniera che la corrente sul diodo Z sia sempre inferiore a 100mA al fine di non danneggiarlo).

Dopo il dimensionamento della resistenza avviene il dimensionamento di C che deve essere studiato in funzione del ripple massimo accettabile. Non esprimendo tale specifica, si assume che il ripple non debba superare un valore pari al 5% della tensione di Zener (cioè, al massimo 250mV).

Considerando la funzione di scarica del condensatore:
Immagine

Per Vc si intende la tensione ai capi del condensatore
Per V si intende la tensione che "carica il condensatore" (cioè la tensione ai suoi capi, ossia Vz)
Per t si intende il semiperiodo della funzione E = 20sin(50t) (in quanto la scarica del condensatore avviene tra un picco positivo e l'altro) cioè 10ms
E per ct si intende la costante di carica "tau" data dal prodotto fra C (l'incognita) ed Rz (la resistenza che permette di caricare/scaricare il condensatore)

Risolvendo l'equazione sottostante nell'incognita C
Immagine
Otteniamo che il condensatore dovrebbe essere di 975uF (si assuma per comodità 1mF)
Avatar utente
Foto Utentemattyyy
10 1 6
New entry
New entry
 
Messaggi: 74
Iscritto il: 27 apr 2009, 18:09

0
voti

[49] Re: RISOLUZIONE PROBLEMA ELETTRONICA ANALOGICA!!!!! URGENTE!

Messaggioda Foto UtenteRenzoDF » 22 lug 2011, 19:21

mattyyy ha scritto: ...Rz = VRz(max)/IRz(max) = 14.4/0.105 = 137Ohm (si assuma Rz = 200 Ohm in maniera che la corrente sul diodo Z sia sempre inferiore a 100mA al fine di non danneggiarlo).


Io per sicurezza avrei scelto 330 ohm ... non si sa mai :mrgreen:
"Il circuito ha sempre ragione" (Luigi Malesani)
Avatar utente
Foto UtenteRenzoDF
55,9k 8 12 13
G.Master EY
G.Master EY
 
Messaggi: 13189
Iscritto il: 4 ott 2008, 9:55

6
voti

[50] Re: RISOLUZIONE PROBLEMA ELETTRONICA ANALOGICA!!!!! URGENTE!

Messaggioda Foto UtenteIsidoroKZ » 22 lug 2011, 20:23

Prima che mi dimentichi. Avevi chiesto tempo fa notizie su diodi tunnel e resistenze negative: qui c'e` qualcosa.

Quella che hai postata e` una soluzione per un problema pratico, non per il problema che era stato presentato dall'OP. In un corso di elettronica analogica al secondo o terzo anno di ingegneria lo studente normalmente non sa assumere in modo autonomo e ragionevole dei parametri importanti per i componenti e supplire delle specifiche sulle prestazioni.

Non sa fare le cose difficili, vale a dire approssimare dove si puo`, trascurare dei termini trascurabili ecc. ecc. Sa solo usare qualche strumento, per lo piu` matematico, per analizzare un modello semplificato del problema. Ed e` anche giusto che sia cosi`, anche perche' se a ingegneria non si sa impostare una analisi di un problema mai visto prima, non si va da nessuna parte.

Inoltre in un problema "vero" lo schema proposto non e` da utilizzarsi, si puo` fare molto meglio, sia in termini di efficienza che di costo.

Il dimensionamento che fai della resistenza riguarda la corrente di picco. Nei diodi zener il parametro importante e` la potenza dissipata e quindi la corrente media che circola nello zener. La corrente di picco ripetitiva puo` anche essere sostanzialmente piu` alta. D'altra parte pero` con un carico da 5mA andare a sprecare decine o centinaia di milliampere sul diodo non mi pare una buona idea! Si puo` fare il calcolo della resistenza minima, ma poi e` meglio stare dalle parti di quella massima.

Il dimensionamento del condensatore non era richiesto, e una sana regola di sopravvivenza dice che se in un esame una cosa non e` chiesta meglio non dirla, a meno che non si sia assolutamente certi della sua correttezza :).

Nel tuo caso per valutare il condensatore si devono fare della ipotesi e assunzioni: una e` il ripple, che hai scelto di 250mV, l'altra che non hai fatto ma che e` indispensabile per la soluzione di un problema "vero" e` la resistenza differenziale dello zener. In quello che segue la prendero` anch'io nulla, ma la cosa non e` realistica nel calcolo del ripple.

Poi, fatti tutti i conti, bisogna fare un reality check del risultato. Direi a naso che un condensatore da 1000uF per stabilizzare la tensione con un consumo di 5mA sia decisamente enorme, c'e` qualcosa che non va. Con un condensatore di quel genere si ha che la pendenza della scarica del condensatore, approssimando l'esponenziale con una retta, vale \frac{\text{d}v_C}{\text{d}t}=\frac{I_L}{C}=\frac{5\,\text{mA}}{1\,\text{mF}}=5\,\text{Vs}^{-1} anche con un tempo di scarica di 20ms (che non c'e`) il ripple viene di 100mV o meno.
Ripeto, la cosa cambia abbastanza e anche in modo drammatico se si introduce la resistenza differenziale dello zener mantenendo questo schema.

Nel calcolo della capacita` hai commesso alcuni errori. Hai usato un periodo di 10ms, mentre il periodo di ricarica e` di 20ms, essendoci un raddrizzatore a singola semionda.

Piu` importante invece e` quello di avero considerato la resistenza da 200 ohm durante la scarica. In questa fase il diodo raddrizzatore e` aperto, e anche la resistenza Rz non entra in gioco nella costante di tempo. Se si assume uno zener ideale, appena la tensione del condensatore comincia a diminuire lo zener si spegne e la costante di tempo e` solo data da R_LC=1\,\text{s} e quindi, con questo modello il condensatore puo` essere parecchio piu` piccolo.
Usando dei dati un po' piu` reali (ma non ancora veri), assumendo un angolo di conduzione di 150 gradi (ricavati nel precedente messaggio), resterebbe un tempo di scarica di T_{sc}=\left (1-\frac{150}{360}\right )20\,\text{ms}=11.7\,\text{ms} e usando la formula che hai usato (occhio a scriverla bene, nell'esponente c'e` un t al posto di una R), si ottengono 220uF circa.

In realta` con la resistenza differenziale dello zener, ordine di grandezza della decina di ohm, i conti si complicano in modo consistente, adesso non ho tempo di impostarli, devo scappare per un w/e lungo nel deserto, ma l'effetto netto e` che il condensatore diventa enorme in quanto in parallelo a una resistenza piccola.

La soluzione vera per un circuito di questo genere non e` mettere il condensatore in parallelo allo zener, ma metterlo subito dopo il diodo:


Ma questa NON e` la soluzione al problema dell'OP! Con questo circuito si puo` prendere una resistenza Rz da 1kohm, lasciando ancora tanta corrente di polarizzazione per lo zener, e un condensatore da 56uF (25V) e ce n'e` da stravendere.

Il ripple sul carico lo si puo` stimare partendo dal ripple sul condensatore (dalle parti di 4V) e usando il partitore fra Rz e la resistenza differenziale dello zener, fattore che e` di circa un centesimo: sul carico si avrebbero circa 40mV di ripple picco picco. Una simulazione alla buona ha dato un ripple di uscita di circa 27mV, usando uno zener 1N750.
Per usare proficuamente un simulatore, bisogna sapere molta più elettronica di lui
Plug it in - it works better!
Il 555 sta all'elettronica come Arduino all'informatica! (entrambi loro malgrado)
Se volete risposte rispondete a tutte le mie domande
Avatar utente
Foto UtenteIsidoroKZ
121,2k 1 3 8
G.Master EY
G.Master EY
 
Messaggi: 21059
Iscritto il: 17 ott 2009, 0:00

PrecedenteProssimo

Torna a Elettronica generale

Chi c’è in linea

Visitano il forum: Nessuno e 74 ospiti