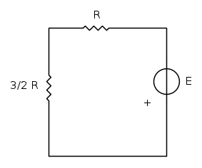
Ciao a tutti. Chi mi può dire come mai questo circuito
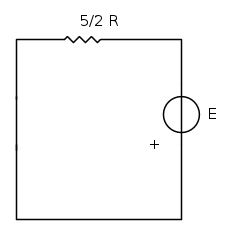
si riduce a questo?
Voglio dire per le resistenze come mai diventa 5/2 R?
Se sono in parallelo bisogna fare: 1/((1/R)+(1/3R)+(1/3R))
Quindi diventa 1/5/3R, da cui 5/3R e non 5/2 R come c'è scritto. Dico bene?
Riduzione di un circuito
Moderatori:
g.schgor,
IsidoroKZ
19 messaggi
• Pagina 1 di 2 • 1, 2
0
voti
ma come fai a dire che è in serie? come si capisce? scusa, se guardi il nodo in alto si divide in 3 parti quindi sono tutti in parallelo boh!
-

Superandri91
-68 3 - Messaggi: 46
- Iscritto il: 16 lug 2011, 16:59
0
voti
Superandri91 ha scritto:se guardi il nodo in alto si divide in 3 parti quindi sono tutti in parallelo boh!
Magari mettendo la terza resistenza in alto si capisce meglio che è una serie
anche qui il nodo in alto si divide in 3 parti, ma...
EDIT: mi sono dimenticato qualche componente eheh (ora in effetti sembrano tutte in parallelo
)EDIT2: ora ho sistemato :)
Ultima modifica di
AjKDAP il 21 lug 2011, 21:17, modificato 2 volte in totale.
-

AjKDAP
1.255 2 6 9 - Expert EY

- Messaggi: 796
- Iscritto il: 17 mag 2006, 0:13
- Località: nella coda dei pronti
1
voti
DOVE I NODI SONO A E B
Le due resistenze 3R sono in parallelo (i loro morsetti sono connessi alla stessa coppia di nodi, anche se questa definizione di resistori in parallelo è impropria)
e mi pare di capire che il generatore sulla sinistra, il primo, sia nullo.
quindi hai dopo, andando a semplificare:
I resistori 3/2 R e R sono in serie ed ottieni alla fine il risultato che tu stesso avevi postato nel tuo primo post:
0
voti
Sinceramente non capisco da cosa deduci che R non è in parallelo con gli altri due! A me sembra ugualmente in parallelo! Bah
-

Superandri91
-68 3 - Messaggi: 46
- Iscritto il: 16 lug 2011, 16:59
0
voti
del tuo primo brutto schema, non si capisce cosa sia quel cerchio con + e - con la sbarra trasversale. Visto che qui ci dobbiamo sforzare di interpretare i tuoi ghiribizzi, il primo schema disegnato da
0
voti
una definizione meno elegante di resistori in parallelo dice che essi si dicono tali se sono connessi alla stessa coppia di nodi.
come vedi dalla figura, i resistori 3R sono connessi entrambi alla coppia di nodi ab, il resistore R invece no.
esso è in serie al generatore di tensione e solo uno dei suoi due morsetti è connesso al nodo a, l'altro no.
questa definizione è un po' impropria, ma può servirti per farti capire il mio ragionamento.
0
voti
credo che queel cerchio con sbarra trasversale significhi 0, quindi generatore di tensione nulla, quindi quel generatore non c'è..
però questo può confermarlo solo Superandri91 che ha fatto il disegno..
però questo può confermarlo solo Superandri91 che ha fatto il disegno..
19 messaggi
• Pagina 1 di 2 • 1, 2
Torna a Elettrotecnica generale
Chi c’è in linea
Visitano il forum: Nessuno e 71 ospiti

Elettrotecnica e non solo (admin)
Un gatto tra gli elettroni (IsidoroKZ)
Esperienza e simulazioni (g.schgor)
Moleskine di un idraulico (RenzoDF)
Il Blog di ElectroYou (webmaster)
Idee microcontrollate (TardoFreak)
PICcoli grandi PICMicro (Paolino)
Il blog elettrico di carloc (carloc)
DirtEYblooog (dirtydeeds)
Di tutto... un po' (jordan20)
AK47 (lillo)
Esperienze elettroniche (marco438)
Telecomunicazioni musicali (clavicordo)
Automazione ed Elettronica (gustavo)
Direttive per la sicurezza (ErnestoCappelletti)
EYnfo dall'Alaska (mir)
Apriamo il quadro! (attilio)
H7-25 (asdf)
Passione Elettrica (massimob)
Elettroni a spasso (guidob)
Bloguerra (guerra)










