Cos'è ElectroYou | Login Iscriviti

ElectroYou - la comunità dei professionisti del mondo elettrico

Percorso Minimo Circuito Combinatorio

Elettronica lineare e digitale: didattica ed applicazioni

Moderatori: Foto Utentecarloc, Foto Utenteg.schgor, Foto UtenteBrunoValente, Foto UtenteIsidoroKZ

0
voti

[1] Percorso Minimo Circuito Combinatorio

Messaggioda Foto UtenteVik » 24 lug 2011, 10:51

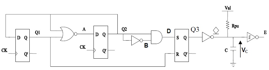
Salve a tutti, q.uno riesce a spiegarmi come devo fare per calcolare il T_{ck} minimo per trovare la frequenza massima di funzionamento del circuito? Non riesco a capire da dove partire...
Grazie
Immagine2.jpg
Immagine2.jpg (27.74 KiB) Osservato 1351 volte
Avatar utente
Foto UtenteVik
10 1 4
Frequentatore
Frequentatore
 
Messaggi: 185
Iscritto il: 6 ago 2009, 16:48

Torna a Elettronica generale

Chi c’è in linea

Visitano il forum: Nessuno e 247 ospiti