La tensione negativa del generatore vuol semplicemente dire che la polarita` positiva non e` dove c'e` il segno piu`, ma dall'altra parte. Se non ti piace puoi girare sottosopra il generatore di tensione e cambiare segno al suo valore, come ho fatto nella figura sotto.
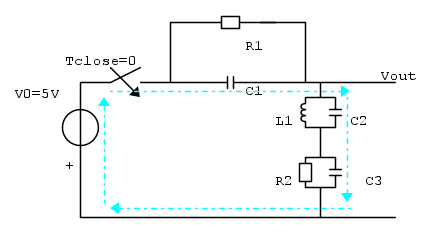
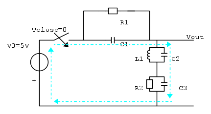
Per risolvere quel circuito bisogna osservare che c'e` una maglia degenere fatta solo da generatori di tensione e condensatori. Se consideri i condensatori come corticircuiti hai che quando chiudi l'interruttore applichi un corto sulla sorgente di tensione, corto evidenziato qui sotto dalla maglia color turchese (almeno sul mio schermo, poi quando le ho importate qui sono diventate gialle
DarwinNE c'e` del lavoro da sbrigare!)
I condensatori e` meglio pensarli come piccole batterie che si caricano e scaricano velocemente. Se vuoi caricare una batteria MOLTO in fretta, devi fornire TANTA corrente per un tempo limitato. Alla chiusura dell'interruttore stai caricando i condensatori in un tempo che tende a zero, e la corrente che li attraversa ha un picco molto elevato (tende a infinito idealmente). Se la corrente nella maglia evidenziata a

e` molto grandissima, vuol dire che tutte le altre correnti sono trascurabili e le possiamo buttare via: resta un circuito di questo genere:
Il problema chiede di trovare la tensione ai capi di C2 in serie a C3, che formano una capacita` equivalente data dalla serie dei condensatori:

. Adesso abbiamo un normale partitore capacito con le sue regole, che sono diverse da quelle del partitore di resistenze:
Se non ci si ricorda la regola del partitore capacitivo basta fare il conto con le impedenze, metodo che funziona sempre, si ha

Il segno meno deriva dal fatto che Vo e` positivo, MA e` collegato con la crocetta verso il "sotto". Oppure se avessi lasciato il generatore cosi` come era nel problema non ci sarebbe stato nessun segno meno, MA il valore di V0 sarebbe stato negativo e avresti trovato lo stesso risultato numerico.
Semplificando l'ultima frazione si ha la regola del partitore di tensione con i condensatori:

e in questa espressione Vo ha valore POSITIVO perche' l'ho girato prima e per questa ragione e` saltato fuori un meno.
Per

invece i condensatori sono circuiti aperti e gli induttori, come diceva il mio prof, un pezzo di filo storto, e quindi il circuito diventa
e la tensione di uscita diventa quella di un normale partitore resistivo (
qui per far vedere l'altra possibilita` ho lasciato il generatore con la crocetta di sopra e il valore di V0 negativo)
