Per rendere indipendente il monostabile dalla durata
dell'impulso di trigger, occorre modificare il circuito
in questo modo:
Circuito per disaccoppiare tensioni e prolungare input
Moderatori:
carloc,
g.schgor,
BrunoValente,
IsidoroKZ
0
voti
[12] Re: Circuito per disaccoppiare tensioni e prolungare input
Quindi con la modifica indipendentemente dalla durata dell'input io prolungo di un tot tempo in base a rx e cx giusto ? Ho riassunto tutto in un'immagine sperando che sia giusto. L'unico dubbio che mi è rimasto e alla lettera A dell'immagine allegata. In questo capo ho la tensione vcc ? perché lo scopo del circuito dovrebbe essere quello di non fare arrivare alle fotocellule alcuna tensione, ma appunto fargli pilotare solo degli segnali digitali (o comunque solo la massa).

Io tempo fa avevo creato un piccolo circuito per pilotare un relè (da una fotocellula) utilizzando una resistenza > un transistor npn > relè con vcc collegata direttamente. Quando ritornava la massa gnd (interrompendo il fascio della fotocellula) si attivava il relè. Solo che il segnale era un po' instabile e non sapevo come prolungarlo. Ma in ogni caso non usciva tensione dal circuito.
Questo è quello che dovrei avere anche nel circuito che mi state aiutando a fare (o meglio lo state facendo voi soli
). Vi ringrazio di nuovo delle risposte. Ciao
e GRAZIE !

Io tempo fa avevo creato un piccolo circuito per pilotare un relè (da una fotocellula) utilizzando una resistenza > un transistor npn > relè con vcc collegata direttamente. Quando ritornava la massa gnd (interrompendo il fascio della fotocellula) si attivava il relè. Solo che il segnale era un po' instabile e non sapevo come prolungarlo. Ma in ogni caso non usciva tensione dal circuito.
Questo è quello che dovrei avere anche nel circuito che mi state aiutando a fare (o meglio lo state facendo voi soli
e GRAZIE !-
giorgio25760
2.310 1 3 5 - G.Master EY

- Messaggi: 1700
- Iscritto il: 6 dic 2009, 16:02
- Località: Brescia
0
voti
[13] Re: Circuito per disaccoppiare tensioni e prolungare input
pupazzooo ha scritto:L'unico dubbio che mi è rimasto e alla lettera A dell'immagine allegata. In questo capo ho la tensione vcc ?
Dipende da come sono fatte le fotocellule:
- se chiudono un relè quello indicato come pulsante è il contatto NO della fotocellula
- se forniscono un impulso, bisogna sostituire il pulsante con un transistor e fargli avere questo segnale.
Ciao
Giorgio
0
voti
[14] Re: Circuito per disaccoppiare tensioni e prolungare input
Il pulsante non ci sarà nello schema finale..Ci sarà la massa che andrà nel comune della fotocellula e il "nodo" A che va nell'out della fotocellula. Le fotocellule forniscono un inpulso (2.la terza è a relè).
Quindi basta aggiungere un transistor npn con base che va all'uscita della fotocellula, emettitore a massa e collettore cha va al "nodo" contrassegnato come A ? Dovrei usare una resistenza ? (tipo di 1,5kohm).
Vi ringrazio delle risposte.
Ps: Vediamo se riesco a fare uno schemino con fidocadj cosi ci capiamo meglio
Quindi basta aggiungere un transistor npn con base che va all'uscita della fotocellula, emettitore a massa e collettore cha va al "nodo" contrassegnato come A ? Dovrei usare una resistenza ? (tipo di 1,5kohm).
Vi ringrazio delle risposte.
Ps: Vediamo se riesco a fare uno schemino con fidocadj cosi ci capiamo meglio
-
giorgio25760
2.310 1 3 5 - G.Master EY

- Messaggi: 1700
- Iscritto il: 6 dic 2009, 16:02
- Località: Brescia
0
voti
[15] Re: Circuito per disaccoppiare tensioni e prolungare input
Si esatto !
prevedi anche una resistenza da 47K da base a massa per evitare che qualche impulso spurio captato nella linea, possa farti scattare il monostabile
Ciao
Giorgio
prevedi anche una resistenza da 47K da base a massa per evitare che qualche impulso spurio captato nella linea, possa farti scattare il monostabile
Ciao
Giorgio
1
voti
[16] Re: Circuito per disaccoppiare tensioni e prolungare input
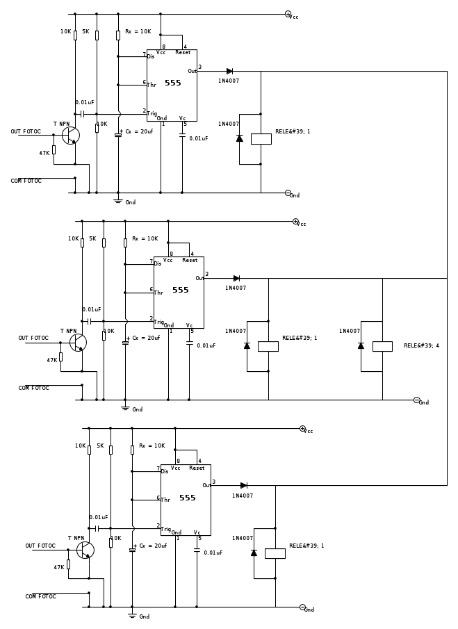
Ho provato a fare il circuito con fidocadj. Dovrebbe essere cosi che dovrei farlo giusto ? Riassumento:
1. Input da fotocellula con cavi senza nessuna tensione (transistor all'input)
2. Prolungamento segnale di 0,2decimi di secondo in più del tempo di input (qualsiasi esso sia) con ne555, condensatori e resistenze varie.
3. Relè 4 che si attiva quando ricevo un qualsiasi input e disaccoppiato dagli altri segnali. con i diodi evito i ritorni del segnale.
La resistenza di 47k messa tra base e gnd è giusta ? Il transistor messo cosi va bene ? Fatemi sapere. Vi ringrazio per l'aiuto. Ciao
1. Input da fotocellula con cavi senza nessuna tensione (transistor all'input)
2. Prolungamento segnale di 0,2decimi di secondo in più del tempo di input (qualsiasi esso sia) con ne555, condensatori e resistenze varie.
3. Relè 4 che si attiva quando ricevo un qualsiasi input e disaccoppiato dagli altri segnali. con i diodi evito i ritorni del segnale.
La resistenza di 47k messa tra base e gnd è giusta ? Il transistor messo cosi va bene ? Fatemi sapere. Vi ringrazio per l'aiuto. Ciao
-
g.schgor
57,8k 9 12 13 - G.Master EY

- Messaggi: 16971
- Iscritto il: 25 ott 2005, 9:58
- Località: MILANO
- Contatta:
0
voti
[17] Re: Circuito per disaccoppiare tensioni e prolungare input
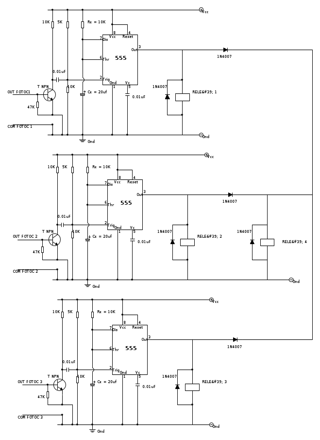
No. i singoli relè (1,2,e 3) devono essere collegati direttamente
alle rispettive uscite dei 555 (prima del diodi).
E' il solo relè 4 che deve essere alimentato attraverso i 3 diodi.
Il resto
alle rispettive uscite dei 555 (prima del diodi).
E' il solo relè 4 che deve essere alimentato attraverso i 3 diodi.
Il resto

1
voti
[18] Re: Circuito per disaccoppiare tensioni e prolungare input
Sarebbe cosi ?
Riassumento:
Il circuito prende come input un segnale "digitale" (una massa) per un tempo t (da 1ms a tot secondi) da delle fotocellule. Il segnale passa per il ne555 che ha il compito di allungare e "pulire" il segnale per un tempo ulteriore di 0,2 secondi e attiva quindi il relè corrispondente per il tempo t+0,2 secondi. In contemporanea attiva anche un altro relè che avrà quindi un uscita disaccoppiata dagli altri relè. Se voglio variare il tempo di allungamento basta modificare i valori di rx e cx.
Adesso provvederò a comprare i componenti e vediamo cosa ne esce fuori
Se non ci sono altre modifiche credo che abbiamo finito. Vi ringrazio di nuovo per l'aiuto e la celerità. Magari per voi sarà una cosa semplice ma io da solo non avrei potuto fare nulla. Ciao 
Riassumento:
Il circuito prende come input un segnale "digitale" (una massa) per un tempo t (da 1ms a tot secondi) da delle fotocellule. Il segnale passa per il ne555 che ha il compito di allungare e "pulire" il segnale per un tempo ulteriore di 0,2 secondi e attiva quindi il relè corrispondente per il tempo t+0,2 secondi. In contemporanea attiva anche un altro relè che avrà quindi un uscita disaccoppiata dagli altri relè. Se voglio variare il tempo di allungamento basta modificare i valori di rx e cx.
Adesso provvederò a comprare i componenti e vediamo cosa ne esce fuori

0
voti
[19] Re: Circuito per disaccoppiare tensioni e prolungare input
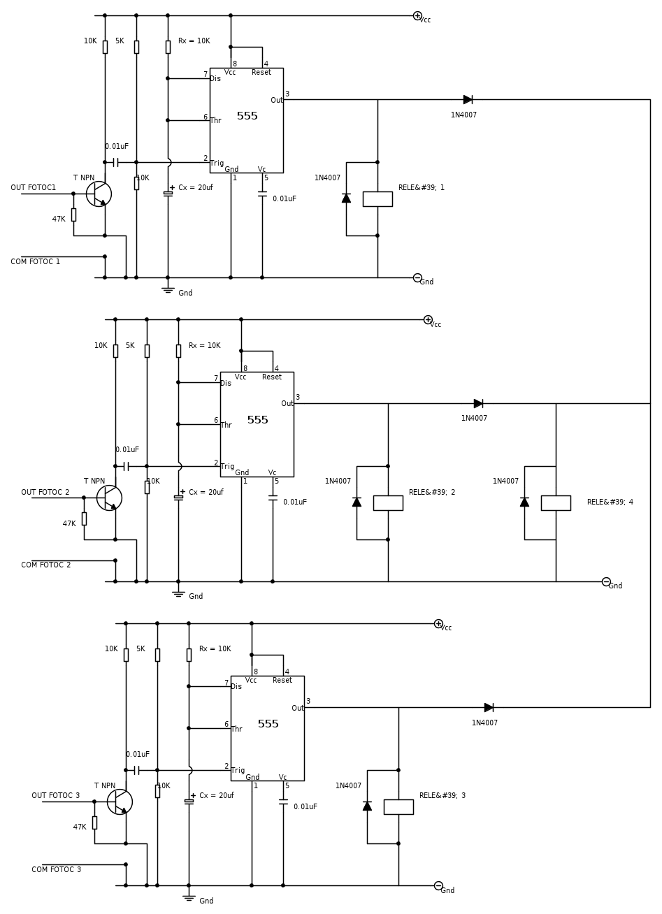
Un ultima domanda:
converrebbe mettere una resistenza da 1,5k ohm prima del transistor npn ? O non serve a nulla ? Lo chiedo perché mi era stato consigliato tempo fa per un altro piccolo circuito che avevo realizzato.
Infine fa differenza alimentare il circuito con 5v usando un regolatore di tensione l7805 (o 6v con l7806) da alimentarlo direttamente con la 12v ? Ovviamente comprando i relè della tensione appropriata.
Allego la modifica al circuito e in attesa di conferma (o smentita) vi ringrazio. Ciao
Edit
admin: link eliminato
converrebbe mettere una resistenza da 1,5k ohm prima del transistor npn ? O non serve a nulla ? Lo chiedo perché mi era stato consigliato tempo fa per un altro piccolo circuito che avevo realizzato.
Infine fa differenza alimentare il circuito con 5v usando un regolatore di tensione l7805 (o 6v con l7806) da alimentarlo direttamente con la 12v ? Ovviamente comprando i relè della tensione appropriata.
Allego la modifica al circuito e in attesa di conferma (o smentita) vi ringrazio. Ciao
Edit
0
voti
[20] Re: Circuito per disaccoppiare tensioni e prolungare input
inserisci il codice FidocadJ come hai fatto nel precedente messaggio e non usare più quell'odioso server esterno che apre decine di finestre.

Elettrotecnica e non solo (admin)
Un gatto tra gli elettroni (IsidoroKZ)
Esperienza e simulazioni (g.schgor)
Moleskine di un idraulico (RenzoDF)
Il Blog di ElectroYou (webmaster)
Idee microcontrollate (TardoFreak)
PICcoli grandi PICMicro (Paolino)
Il blog elettrico di carloc (carloc)
DirtEYblooog (dirtydeeds)
Di tutto... un po' (jordan20)
AK47 (lillo)
Esperienze elettroniche (marco438)
Telecomunicazioni musicali (clavicordo)
Automazione ed Elettronica (gustavo)
Direttive per la sicurezza (ErnestoCappelletti)
EYnfo dall'Alaska (mir)
Apriamo il quadro! (attilio)
H7-25 (asdf)
Passione Elettrica (massimob)
Elettroni a spasso (guidob)
Bloguerra (guerra)






