Circuito per disaccoppiare tensioni e prolungare input

Elettronica lineare e digitale: didattica ed applicazioni

Moderatori: Foto Utentecarloc, Foto Utenteg.schgor, Foto UtenteBrunoValente, Foto UtenteIsidoroKZ

Avatar utente
Foto Utentepupazzooo
10 6
Frequentatore
Frequentatore
Messaggi: 110
Iscritto il: 30 dic 2010, 3:37
0
voti

[21] Re: Circuito per disaccoppiare tensioni e prolungare input

Messaggioda Foto Utentepupazzooo » 28 lug 2011, 0:16

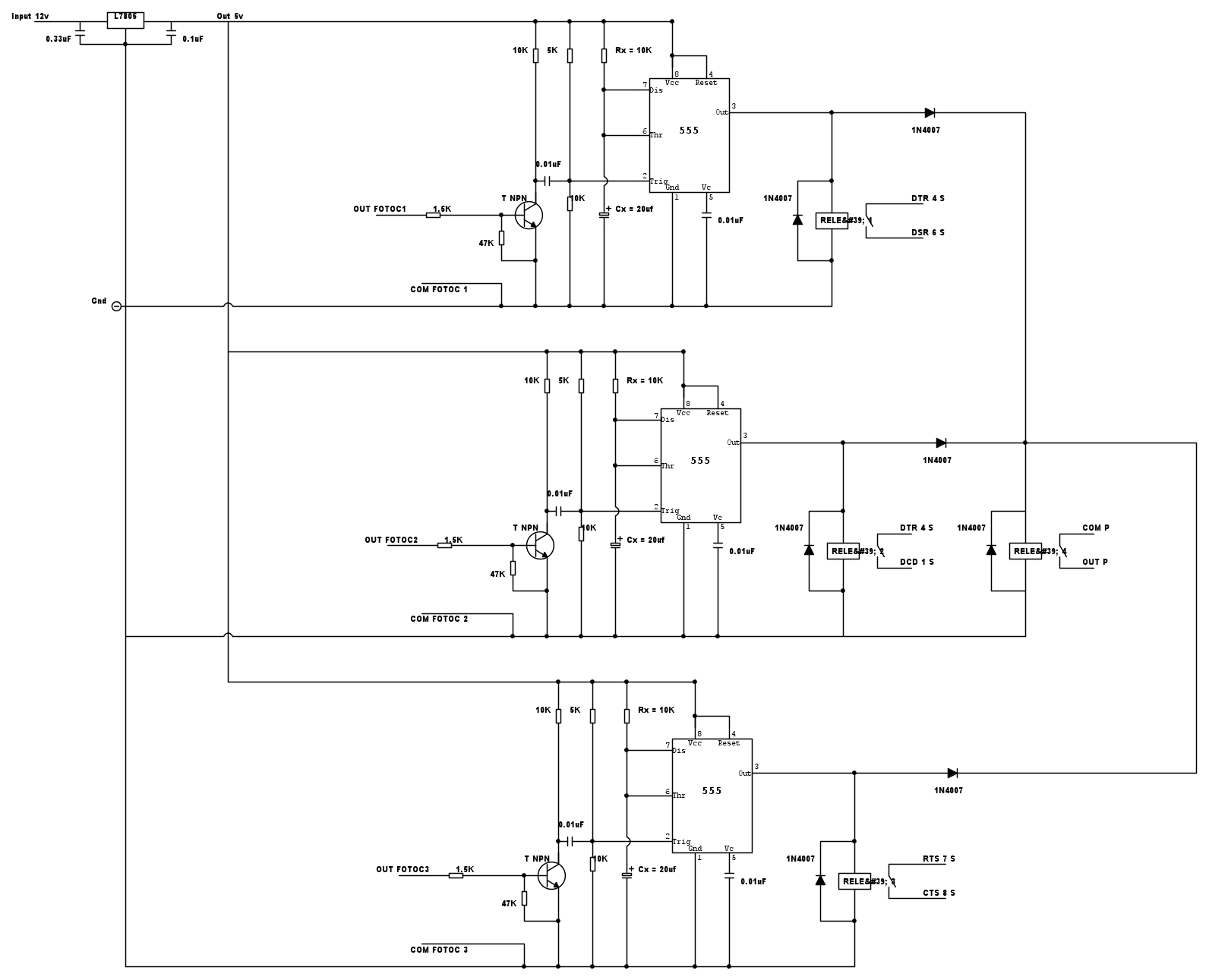
Scusate ma credevo non vi facesse differenza. Ecco il circuito:

Da come si vede, in alto a sinistra i componenti per la "conversione" da 12v a 5v e appena prima dei transistor la resistenza da 1,5k ohm. Scusata ancora per l'inconveniente. Ciao O_/


Avatar utente
Foto Utenteg.schgor
57,8k 9 12 13
G.Master EY
G.Master EY
Messaggi: 16971
Iscritto il: 25 ott 2005, 9:58
Località: MILANO
Contatta:
0
voti

[22] Re: Circuito per disaccoppiare tensioni e prolungare input

Messaggioda Foto Utenteg.schgor » 28 lug 2011, 8:32

pupazzooo ha scritto:Scusate ma credevo non vi facesse differenza

Non c'è da scusarsi. Devi solo osservare che mettendo i diodi direttamente
alle uscite del 555, l'attivazione di anche solo una di queste farebbe attivare
tutti i relè...

Avatar utente
Foto Utentepupazzooo
10 6
Frequentatore
Frequentatore
Messaggi: 110
Iscritto il: 30 dic 2010, 3:37
0
voti

[23] Re: Circuito per disaccoppiare tensioni e prolungare input

Messaggioda Foto Utentepupazzooo » 28 lug 2011, 13:15

Le scuse erano riferite all'admin e non ai diodi. comunque ho deciso che farò il circuito a 12v così mi risparmio un paio di componenti (dato che non fa differenza).Vorrei solo avere conferma sulle resistenze da 1,5k prima dei transistor. Vanno bene? Vi ringrazio per le risposte. Ciao O_/

Avatar utente
Foto Utenteg.schgor
57,8k 9 12 13
G.Master EY
G.Master EY
Messaggi: 16971
Iscritto il: 25 ott 2005, 9:58
Località: MILANO
Contatta:
0
voti

[24] Re: Circuito per disaccoppiare tensioni e prolungare input

Messaggioda Foto Utenteg.schgor » 28 lug 2011, 13:57

Dipende dal segnale in uscita dalle fotocellule: tieni presente che
la corrente di base deve saturare il transistor e che questa è data
dalla tensione applicata meno la caduta di 0.7V (base-emettitore),
divisa per il valore della resistenza

Avatar utente
Foto Utentepupazzooo
10 6
Frequentatore
Frequentatore
Messaggi: 110
Iscritto il: 30 dic 2010, 3:37
0
voti

[25] Re: Circuito per disaccoppiare tensioni e prolungare input

Messaggioda Foto Utentepupazzooo » 28 lug 2011, 19:52

:shock: :?: Quindi ? Non ho capito nulla. La posso lasciare cosi com'è ? Cambio valore ? La levo ? Il circuito ho deciso che funzionerà a 12v (per evitare regolatore di tensione ecc) dato che i tre "sottocircuiti" saranno due insieme e il terzo separato. Di nuovo grazie per la risposta (anche se non capita). Ciao O_/

Avatar utente
Foto Utenteg.schgor
57,8k 9 12 13
G.Master EY
G.Master EY
Messaggi: 16971
Iscritto il: 25 ott 2005, 9:58
Località: MILANO
Contatta:
0
voti

[26] Re: Circuito per disaccoppiare tensioni e prolungare input

Messaggioda Foto Utenteg.schgor » 28 lug 2011, 21:21

Nel tuo primo post parlavi di 6V (regolatore 7806)!
Se il segnale dalla fotocellule sono a 12V, la corrente
di base sarà ca. 10mA: bisogna assicurarsi che sia
sufficiente a saturare il transistor (non leggo il tipo)

Avatar utente
Foto Utentepupazzooo
10 6
Frequentatore
Frequentatore
Messaggi: 110
Iscritto il: 30 dic 2010, 3:37
0
voti

[27] Re: Circuito per disaccoppiare tensioni e prolungare input

Messaggioda Foto Utentepupazzooo » 28 lug 2011, 21:32

Lo farò a 12v perché il terzo input (la terza fotocellula) avrà un circuito separato. Quindi pensavo di risparmiarmi 2 l7806 e i conseguenti condensatori. Per il transistor un paio di volte ho comprato i 2n2222a. Ma se devo comprarne qualcuno diverso basta dirlo tanto ancora non ho comprato il materiale. Ti ringrazio come sempre per la risposta. Ciao O_/

Avatar utente
Foto Utenteg.schgor
57,8k 9 12 13
G.Master EY
G.Master EY
Messaggi: 16971
Iscritto il: 25 ott 2005, 9:58
Località: MILANO
Contatta:
0
voti

[28] Re: Circuito per disaccoppiare tensioni e prolungare input

Messaggioda Foto Utenteg.schgor » 28 lug 2011, 21:45

Si. allora con 12V e un 2N2222A la resistenza di 1.5K va bene.

Avatar utente
Foto Utentepupazzooo
10 6
Frequentatore
Frequentatore
Messaggi: 110
Iscritto il: 30 dic 2010, 3:37
0
voti

[29] Re: Circuito per disaccoppiare tensioni e prolungare input

Messaggioda Foto Utentepupazzooo » 28 lug 2011, 22:27

PERFETTO ! :ok: Grazie di tutto l'aiuto. ! Ciao O_/

Avatar utente
Foto Utentepupazzooo
10 6
Frequentatore
Frequentatore
Messaggi: 110
Iscritto il: 30 dic 2010, 3:37
0
voti

[30] Re: Circuito per disaccoppiare tensioni e prolungare input

Messaggioda Foto Utentepupazzooo » 29 lug 2011, 21:43

Rieccomi con una piccola domanda: Oggi ho comprato i componenti e invece di darmi delle resistenze (non so leggere dai colori) da 5k mi hanno dato delle resistenza da 4,7k. Cambia qualcosa per il circuito ? Spero di no. Vi ringrazio come sempre per le risposte. Ciao O_/


Torna a “Elettronica generale”