chiedo cortesemente aiuto sulla config circuitale che le allego:
Un sensore di livello fornisce una tensione proporzionale al livello di u liquido,variabile fra 0 e 10v.
Si vogliono segnalare mediante l’accensione di un LED ROSSO e di uno verde le situazioni anomale di livello insufficiente e di
Livello eccedente,corrispondenti a 1/3 3 2/3 del livello Massimo.
le domande che le pongo sono come faccio i circuit Maker ad accendere il led.
Come variante al circuito mi viene proposto di accendere un solo led mediante porta or,
però mi si presenta il problema che a - Vsat la tensione d'uscita del comparatore a livello basso risulta>Vil circa 2 v come riportato dal simulatore.
COme ovvio a tale inconveniente.
Distinti saluti Antonio
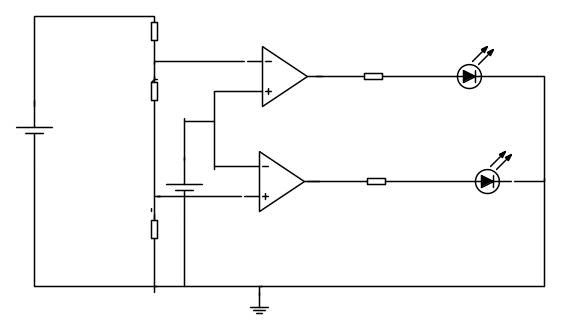
Comparatore che pilota or
Moderatori:
carloc,
g.schgor,
BrunoValente,
IsidoroKZ
7 messaggi
• Pagina 1 di 1
0
voti
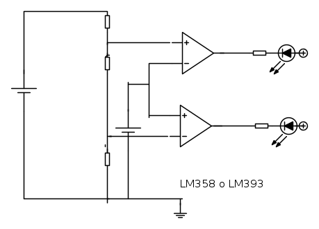
Suggerirei di modificare gli ingressi all'OR in questo modo:
(ma potrebbero bastare i diodi, senza l'OR !)
(ma potrebbero bastare i diodi, senza l'OR !)
0
voti
1) Suggerirei di lasciar perdere i simulatori a meno di non sapere piu` elettronica dei simulatori stessi :) Quale simulatore stavi usando?
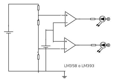
2) Al posto di usare un 747, che ha problemi di tensione di modo comune verso il basso, userei un LM358 (o anche un LM393, dipende che cosa si vuole fare) che ha modo comune di ingresso e tensione di uscita che vanno giu` fino all'alimentazione negativa.
3) Toglierei resistenze e diodi all'ingresso della porta OR. Suppongo che la porta sia una porta CMOS, alimentata alla stessa tensione dell'operazionale, o no? Che porta OR pensavi di usare, di che famiglia logica?
4) Che tensione di alimentazione si ha a disposizione?
5) Anche volendo avere un led soltanto, mi pare che la porta OR sia inutile, se ne puo` fare a meno.
6) Con un LM393 e un po' di resistenze si puo` fare sia la versione a singolo led che a due led. Con un LM358 invece per avere la versione a singolo led bisogna aggiungere due diodi, per i due led non ci sono problemi.
Infine sia con il 393 o il 358, due diodi e un po' di resistenze si puo` fare contemporaneamente la versione a due led E un led aggiuntivo che segnala livello troppo alto o troppo basso.
Se poi fai lo schema con fidocad, posso prenderlo e modificarlo per farti vedere che circuito ho in testa.
Specifica che tensione di alimentazione e` disponibile e da dove arriva la tensione 0V-10V che segnala il livello: che cosa la genera, con che impedenza interna.
2) Al posto di usare un 747, che ha problemi di tensione di modo comune verso il basso, userei un LM358 (o anche un LM393, dipende che cosa si vuole fare) che ha modo comune di ingresso e tensione di uscita che vanno giu` fino all'alimentazione negativa.
3) Toglierei resistenze e diodi all'ingresso della porta OR. Suppongo che la porta sia una porta CMOS, alimentata alla stessa tensione dell'operazionale, o no? Che porta OR pensavi di usare, di che famiglia logica?
4) Che tensione di alimentazione si ha a disposizione?
5) Anche volendo avere un led soltanto, mi pare che la porta OR sia inutile, se ne puo` fare a meno.
6) Con un LM393 e un po' di resistenze si puo` fare sia la versione a singolo led che a due led. Con un LM358 invece per avere la versione a singolo led bisogna aggiungere due diodi, per i due led non ci sono problemi.
Infine sia con il 393 o il 358, due diodi e un po' di resistenze si puo` fare contemporaneamente la versione a due led E un led aggiuntivo che segnala livello troppo alto o troppo basso.
Se poi fai lo schema con fidocad, posso prenderlo e modificarlo per farti vedere che circuito ho in testa.
Specifica che tensione di alimentazione e` disponibile e da dove arriva la tensione 0V-10V che segnala il livello: che cosa la genera, con che impedenza interna.
Per usare proficuamente un simulatore, bisogna sapere molta più elettronica di lui
Plug it in - it works better!
Il 555 sta all'elettronica come Arduino all'informatica! (entrambi loro malgrado)
Se volete risposte rispondete a tutte le mie domande
Plug it in - it works better!
Il 555 sta all'elettronica come Arduino all'informatica! (entrambi loro malgrado)
Se volete risposte rispondete a tutte le mie domande
0
voti
Isidoro grazie per la risposta,vengo subito al dunque.Il mio problema piu' che pratico è didattico,poiché sto studiando l'elettronica per passione,e mi cimento a verificare gli esercizi col simulatore circuit maker,proteus 6,e ciò non mi dispiace,poiché sono abbastanza attendibili con la prova reale,anche se non mi aspetto una congruenza perfetta tra simulazione e prova reale.
Gli integrati che adotto sono sia in versione cmos che ttl,il segnale da confrontare lo realizzo mediante batterie o resistori,non avendo a disposizione alcun sensore,se puoi tu illustrami come collegare al meglio uno di pressione.
La trensione per alimentare gli Ao proviene da 2 alimentatori 14v dc.
P.s. ti invio lo schema fidocad formato rar.
Grazie Antonio
Gli integrati che adotto sono sia in versione cmos che ttl,il segnale da confrontare lo realizzo mediante batterie o resistori,non avendo a disposizione alcun sensore,se puoi tu illustrami come collegare al meglio uno di pressione.
La trensione per alimentare gli Ao proviene da 2 alimentatori 14v dc.
P.s. ti invio lo schema fidocad formato rar.
Grazie Antonio
- Allegati
-
Documento1.rar- comparatore che pilota or
- (391 Byte) Scaricato 156 volte
-

antoniosim
15 1 5 - New entry

- Messaggi: 72
- Iscritto il: 9 set 2009, 20:21
0
voti
Isidoro grazie per la risposta,vengo subito al dunque.Il mio problema piu' che pratico è didattico,poiché sto studiando l'elettronica per passione,e mi cimento a verificare gli esercizi col simulatore circuit maker,proteus 6,e ciò non mi dispiace,poiché sono abbastanza attendibili con la prova reale,anche se non mi aspetto una congruenza perfetta tra simulazione e prova reale.
Gli integrati che adotto sono sia in versione cmos che ttl,il segnale da confrontare lo realizzo mediante batterie o resistori,non avendo a disposizione alcun sensore,se puoi tu illustrami come collegare al meglio uno di pressione.
La trensione per alimentare gli Ao proviene da 2 alimentatori 14v dc.
P.s. ti invio lo schema fidocad formato rar.
Grazie Antonio
Gli integrati che adotto sono sia in versione cmos che ttl,il segnale da confrontare lo realizzo mediante batterie o resistori,non avendo a disposizione alcun sensore,se puoi tu illustrami come collegare al meglio uno di pressione.
La trensione per alimentare gli Ao proviene da 2 alimentatori 14v dc.
P.s. ti invio lo schema fidocad formato rar.
Grazie Antonio
- Allegati
-
Documento1.rar- (391 Byte) Scaricato 142 volte
-

antoniosim
15 1 5 - New entry

- Messaggi: 72
- Iscritto il: 9 set 2009, 20:21
0
voti
Il file fidocad mettilo fra i tag fcd e /fcd, e ottieni lo schema nel messaggio
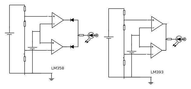
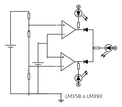
Si puo` anche fare con led e comparatori girati:
Se si vuole un solo led che segnala entrambe le condizioni si ha:
Infine se si vogliono due led separati, piu` l'or:
Rimane il suggerimento di buttare via i simulatori finche' non si sa piu` elettronica di loro.
Il problema che hai avuto con la porta logica e` che stavi usando probabilmente una ttl con un operazionale non fatto per lavorare ad alimentazione singola. Ed e` anche possibile che il simulatore non ti abbia fatto vedere il latch-up dell'operazionale. Se proprio uno dovesse mettere delle porte logiche all'uscita di questi comparatore, dovrebbe usare logica della serie 4000, alimentata come gli operazionali.
Se gli operazionali sono alimentati a 14V e il segnale di ingresso va da 0V a 10V il circuito funziona. Se invece il segnale di ingresso va da 0V fino all'alimentazione positiva, il circuito non funziona piu` perche' viene violato l'intervallo di tensioni di ingresso. In questo caso si dovrebbe mettere un partitore sul segnale di ingresso.
Tutta questa roba non te la dice un simulatore, e spesso non la simula nemmeno.
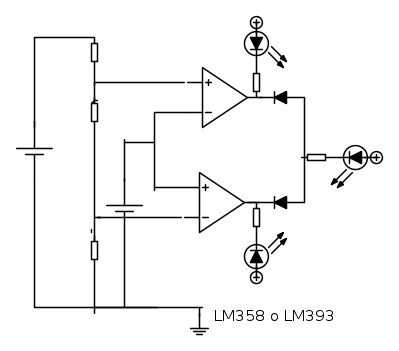
Si puo` anche fare con led e comparatori girati:
Se si vuole un solo led che segnala entrambe le condizioni si ha:
Infine se si vogliono due led separati, piu` l'or:
Rimane il suggerimento di buttare via i simulatori finche' non si sa piu` elettronica di loro.
Il problema che hai avuto con la porta logica e` che stavi usando probabilmente una ttl con un operazionale non fatto per lavorare ad alimentazione singola. Ed e` anche possibile che il simulatore non ti abbia fatto vedere il latch-up dell'operazionale. Se proprio uno dovesse mettere delle porte logiche all'uscita di questi comparatore, dovrebbe usare logica della serie 4000, alimentata come gli operazionali.
Se gli operazionali sono alimentati a 14V e il segnale di ingresso va da 0V a 10V il circuito funziona. Se invece il segnale di ingresso va da 0V fino all'alimentazione positiva, il circuito non funziona piu` perche' viene violato l'intervallo di tensioni di ingresso. In questo caso si dovrebbe mettere un partitore sul segnale di ingresso.
Tutta questa roba non te la dice un simulatore, e spesso non la simula nemmeno.
Per usare proficuamente un simulatore, bisogna sapere molta più elettronica di lui
Plug it in - it works better!
Il 555 sta all'elettronica come Arduino all'informatica! (entrambi loro malgrado)
Se volete risposte rispondete a tutte le mie domande
Plug it in - it works better!
Il 555 sta all'elettronica come Arduino all'informatica! (entrambi loro malgrado)
Se volete risposte rispondete a tutte le mie domande
0
voti
Grazie di cuore,ho sopperito al problema dell'or con la configurazione del comparatore a finestra per valori interni alla finestra.Come altra variante ho inserito un semplice BJT ,all'uscita dei due comparatori.
Invece con circuit maker inserendo le resistenze di pull down funziona egregiamente.
Buon fine settimana
Invece con circuit maker inserendo le resistenze di pull down funziona egregiamente.
Buon fine settimana
-

antoniosim
15 1 5 - New entry

- Messaggi: 72
- Iscritto il: 9 set 2009, 20:21
7 messaggi
• Pagina 1 di 1
Chi c’è in linea
Visitano il forum: Nessuno e 227 ospiti

Elettrotecnica e non solo (admin)
Un gatto tra gli elettroni (IsidoroKZ)
Esperienza e simulazioni (g.schgor)
Moleskine di un idraulico (RenzoDF)
Il Blog di ElectroYou (webmaster)
Idee microcontrollate (TardoFreak)
PICcoli grandi PICMicro (Paolino)
Il blog elettrico di carloc (carloc)
DirtEYblooog (dirtydeeds)
Di tutto... un po' (jordan20)
AK47 (lillo)
Esperienze elettroniche (marco438)
Telecomunicazioni musicali (clavicordo)
Automazione ed Elettronica (gustavo)
Direttive per la sicurezza (ErnestoCappelletti)
EYnfo dall'Alaska (mir)
Apriamo il quadro! (attilio)
H7-25 (asdf)
Passione Elettrica (massimob)
Elettroni a spasso (guidob)
Bloguerra (guerra)






