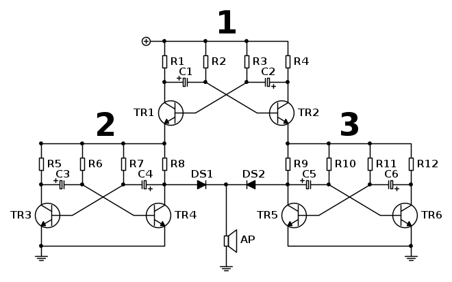
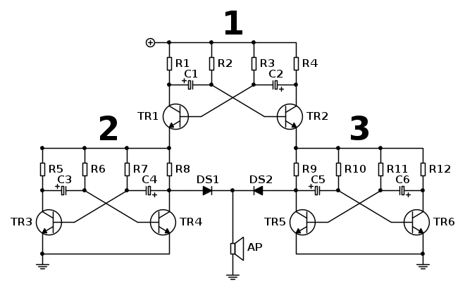
Vorrei realizzare questa cosa qui per ottenere il tipico suono da sirena d'allarme con un semplice altoparlante:
Il multivibratore 1 aziona alternamente con una frequenza di circa 5Hz il multivibratore 2 (che produce una frequenza media) e 3 (che ne produce una un po' più alta), in modo da ottenere il tipico suono da allarme.
Al di la dei valori di ciascun componente (ai quali ci penso io a studiarli x ottenere la potenza e le frequenze che mi servono), questa cosa secondo voi può funzionare?
Grazie

Elettrotecnica e non solo (admin)
Un gatto tra gli elettroni (IsidoroKZ)
Esperienza e simulazioni (g.schgor)
Moleskine di un idraulico (RenzoDF)
Il Blog di ElectroYou (webmaster)
Idee microcontrollate (TardoFreak)
PICcoli grandi PICMicro (Paolino)
Il blog elettrico di carloc (carloc)
DirtEYblooog (dirtydeeds)
Di tutto... un po' (jordan20)
AK47 (lillo)
Esperienze elettroniche (marco438)
Telecomunicazioni musicali (clavicordo)
Automazione ed Elettronica (gustavo)
Direttive per la sicurezza (ErnestoCappelletti)
EYnfo dall'Alaska (mir)
Apriamo il quadro! (attilio)
H7-25 (asdf)
Passione Elettrica (massimob)
Elettroni a spasso (guidob)
Bloguerra (guerra)





