Guarda io cambierei proprio approccio

...
quel circuito è un differenziatore seguito da un transistor... è sensibile hai fronti positivi, ed infatti così si comporta montato, e quotando un suo generico messaggio cui mi associo fortemente

..
IsidoroKZ ha scritto:[...] lascia perdere i simulatori se non sai molta più elettronica di loro [...]
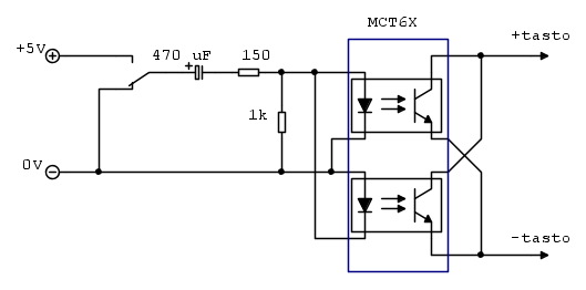
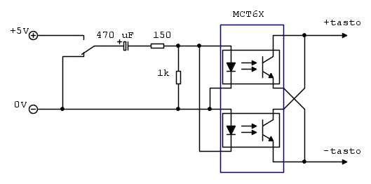
io proverei qualcosa del genere
abbiamo ancora un differenziatore...
ma poi i due LED dell'opto in
antiparallelo "beccano" uno il fronte in salita e l'altro quello in discesa, i due transistor in parallelo poi realizzano un wired-OR tra i due impulsi...
note varie
* la R150 ohm limita la corrente di picco sui 20 mA
* il condensatore decide il tempo di chiusura (sperimentare chè dipende da troppe cose alquanto variabili...)
* la R1k finisce di scaricare C dopo che la tensione ai LED arriva sotto la loro soglia di conduzione
* l'opto che ti ho proposto è un chip in DIL8 che contiene tutti e due i canali che ti servono per un tasto, BTW l'uscita ad optotransistor è consigliabile dato che non si sà di preciso cosa ci troviamo a valle... tipicamente la tastiera sarà una matrice, nessuno dei due terminali di un tasto sarà massa o alimentazione e con l'opto siamo tranquilli (solo probabilmente c'è da rispettare la polarità, trovata per tentativi...)
l'unico dubbio che mi resta è che l'uscita dalla conduzione sia troppo "graduale" e porti problemi tipo incertezze al decoder della tastiera... ma il circuito è molto semplice, vale la pena tentare