Vi propongo questo esercizio, tema d'esame del 2004, che mi ha "disorientato" un po'...
Testo:
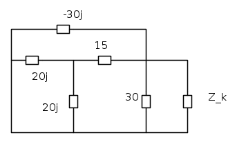
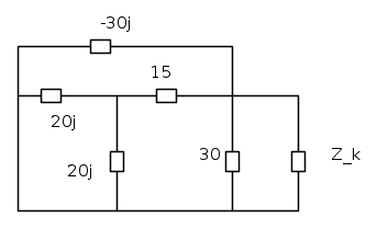
Determinare il valore dell'impedenza K per il quale risulta massima la potenza attiva da essa assorbita:
Dati:





---------------------------------------------------------------------------------------
Ho fatto il solito calcolo delle impedenze:





?---------------------------------------------------------------------------------
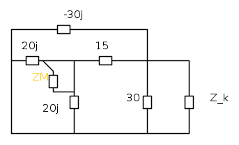
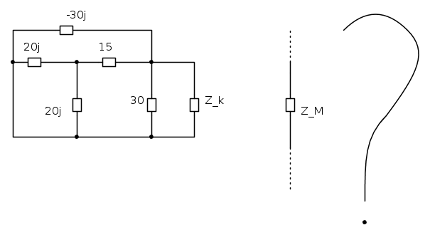
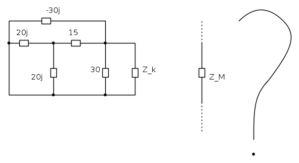
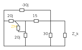
Da un vecchio esercizio ho potuto constatare che devo imporre
.Il mio problema è che qui non posso calcolare la
, perche ho gli induttori accoppiati, come posso procedere? Grazie

Elettrotecnica e non solo (admin)
Un gatto tra gli elettroni (IsidoroKZ)
Esperienza e simulazioni (g.schgor)
Moleskine di un idraulico (RenzoDF)
Il Blog di ElectroYou (webmaster)
Idee microcontrollate (TardoFreak)
PICcoli grandi PICMicro (Paolino)
Il blog elettrico di carloc (carloc)
DirtEYblooog (dirtydeeds)
Di tutto... un po' (jordan20)
AK47 (lillo)
Esperienze elettroniche (marco438)
Telecomunicazioni musicali (clavicordo)
Automazione ed Elettronica (gustavo)
Direttive per la sicurezza (ErnestoCappelletti)
EYnfo dall'Alaska (mir)
Apriamo il quadro! (attilio)
H7-25 (asdf)
Passione Elettrica (massimob)
Elettroni a spasso (guidob)
Bloguerra (guerra)





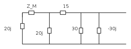
non so come va messo in questo schema, cosi l'ho trascurato...![[(Z_L||Z_L)+Z_{R1}]||Z_c||Z_{R2}=15(31-j)/37 [(Z_L||Z_L)+Z_{R1}]||Z_c||Z_{R2}=15(31-j)/37](/forum/latexrender/pictures/25d46f4123c9da15c77415ba663af174.png)

... metterla cosi' (in corto) e' come non metterla.
, dovrei ricordarmi di metterle dopo (ma poi me lo scorderei), quindi preferisco avere un approccio più "meccanico" al problema 
