CC distanza e caduta di tensione
Moderatori:
carloc,
g.schgor,
BrunoValente,
IsidoroKZ
18 messaggi
• Pagina 2 di 2 • 1, 2
0
voti
Non dovrebbero esserci problemi. Potresti anche provare temporaneamente con un regolatore lineare, ad esempio un 78T05 (o anche due 7805 in parallelo), ma scalda e ci vuole un dissipatorino.
Per usare proficuamente un simulatore, bisogna sapere molta più elettronica di lui
Plug it in - it works better!
Il 555 sta all'elettronica come Arduino all'informatica! (entrambi loro malgrado)
Se volete risposte rispondete a tutte le mie domande
Plug it in - it works better!
Il 555 sta all'elettronica come Arduino all'informatica! (entrambi loro malgrado)
Se volete risposte rispondete a tutte le mie domande
0
voti
In alternativa al 7805 suggerito da
IsidoroKZ potresti usare un comodo switch :
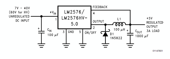
http://www.national.com/ds/LM/LM2576.pdf
E' robusto e semplice, io lo uso spesso.
Ciao
Giorgio
http://www.national.com/ds/LM/LM2576.pdf
E' robusto e semplice, io lo uso spesso.
Ciao
Giorgio
-

giorgio25760
2.310 1 3 5 - G.Master EY

- Messaggi: 1700
- Iscritto il: 6 dic 2009, 17:02
- Località: Brescia
0
voti
I buoni e vecchi 7805!
Mi hai riportato indietro di 20 anni ero il primo della classe in elettronica non me li ricordavo piu' :)
Credo che optero' per questa soluzione e una basetta 1000 fori
SE vado di questa soluzione che alimentatore mi consigli per alimentare:
4 ipcam 5V spicco 1,5A, a regime 0,7A
collegate in parallelo
Grazie
Ste
Mi hai riportato indietro di 20 anni ero il primo della classe in elettronica non me li ricordavo piu' :)
Credo che optero' per questa soluzione e una basetta 1000 fori
SE vado di questa soluzione che alimentatore mi consigli per alimentare:
4 ipcam 5V spicco 1,5A, a regime 0,7A
collegate in parallelo
Grazie
Ste
0
voti
giorgio25760 ha scritto:In alternativa al 7805 suggerito daIsidoroKZ potresti usare un comodo switch :
http://www.national.com/ds/LM/LM2576.pdf
E' robusto e semplice, io lo uso spesso.
Ciao Giorgio, che vantaggi ha un LM2576? vedo che gestisce fino a 3A...
Anche in questo caso che alimentatore centrale mi consiglieresti da 12V? e quanti A?
Grazie
Stefano
1
voti
joyride76 ha scritto:Ciao Giorgio, che vantaggi ha un LM2576? vedo che gestisce fino a 3A...
I vantaggi sono quelli degli switch:
- alto rendimento (poca potenza dissipata)
- design semplice e compatto
- non ha problemi con tensioni di ingresso variabili
Pensavo che potresti realizzare uno switch con il LM2576 ogni 2 IPCAM
Domanda : sono vicine oppure distanti tra di loro ?
joyride76 ha scritto:Anche in questo caso che alimentatore centrale mi consiglieresti da 12V? e quanti A?
In partenza ti basta un trasformatore un ponte ed un condensatore, basta che la tensione ottenuta sia tale che all'ingresso del LM2576 vi siano non più di 40V enon meno di 8V.
Quindi puoi tranquillamente usare :
- un trasformatore da 24 V un paio di Ampere
- un ponte da 4-5A
- un condensatore da 3300uF
Ciao
Giorgio
-

giorgio25760
2.310 1 3 5 - G.Master EY

- Messaggi: 1700
- Iscritto il: 6 dic 2009, 17:02
- Località: Brescia
0
voti
giorgio25760 ha scritto:
Pensavo che potresti realizzare uno switch con il LM2576 ogni 2 IPCAM
Domanda : sono vicine oppure distanti tra di loro ?
Purtroppo distanti tra loro... un LM2576 per ogni cam
giorgio25760 ha scritto:In partenza ti basta un trasformatore un ponte ed un condensatore, basta che la tensione ottenuta sia tale che all'ingresso del LM2576 vi siano non più di 40V enon meno di 8V.
Quindi puoi tranquillamente usare :
- un trasformatore da 24 V un paio di Ampere
- un ponte da 4-5A
- un condensatore da 3300uF
Ciao
Giorgio
Credo di essere in dirittura di arrivo, grazie alla VS pazienza e competenza
Come mai opti per un 24 anziche' un 12V per avere meno ampere e meno caduta sul cavo?
perche' dovrei mettere un ponte, Il trasformatore che comprerei non dovrebbe essere gia' stabilizzato?
Stefano
0
voti
joyride76 ha scritto:Come mai opti per un 24 anziche' un 12V per avere meno ampere e meno caduta sul cavo?
Si, infatti se tu usassi una tensione ancora più alta avresti una corrente ancora più bassa.
Credo che 12V di trasformatore siano un po' pochi per poter fare arrivare gli 8V minimi che servono al regolatore LM2576
joyride76 ha scritto:perche' dovrei mettere un ponte, Il trasformatore che comprerei non dovrebbe essere gia' stabilizzato?
perché parlo di Trasformatore (nucleo in ferro + 2 avvolgimenti)
Ciao
Giorgio
-

giorgio25760
2.310 1 3 5 - G.Master EY

- Messaggi: 1700
- Iscritto il: 6 dic 2009, 17:02
- Località: Brescia
0
voti
Ottimo Giorgio!!!
Grazie per le delucidazioni anche agli altri che mi hanno aiutato
Saluti
Stefano
Grazie per le delucidazioni anche agli altri che mi hanno aiutato
Saluti
Stefano
18 messaggi
• Pagina 2 di 2 • 1, 2
Chi c’è in linea
Visitano il forum: Majestic-12 [Bot] e 164 ospiti

Elettrotecnica e non solo (admin)
Un gatto tra gli elettroni (IsidoroKZ)
Esperienza e simulazioni (g.schgor)
Moleskine di un idraulico (RenzoDF)
Il Blog di ElectroYou (webmaster)
Idee microcontrollate (TardoFreak)
PICcoli grandi PICMicro (Paolino)
Il blog elettrico di carloc (carloc)
DirtEYblooog (dirtydeeds)
Di tutto... un po' (jordan20)
AK47 (lillo)
Esperienze elettroniche (marco438)
Telecomunicazioni musicali (clavicordo)
Automazione ed Elettronica (gustavo)
Direttive per la sicurezza (ErnestoCappelletti)
EYnfo dall'Alaska (mir)
Apriamo il quadro! (attilio)
H7-25 (asdf)
Passione Elettrica (massimob)
Elettroni a spasso (guidob)
Bloguerra (guerra)
