Cos'è ElectroYou | Login Iscriviti

ElectroYou - la comunità dei professionisti del mondo elettrico

Calcolo Transitorio

Circuiti, campi elettromagnetici e teoria delle linee di trasmissione e distribuzione dell’energia elettrica

Moderatori: Foto Utenteg.schgor, Foto UtenteIsidoroKZ

0
voti

[1] Calcolo Transitorio

Messaggioda Foto UtenteGnao89 » 23 ago 2011, 17:20

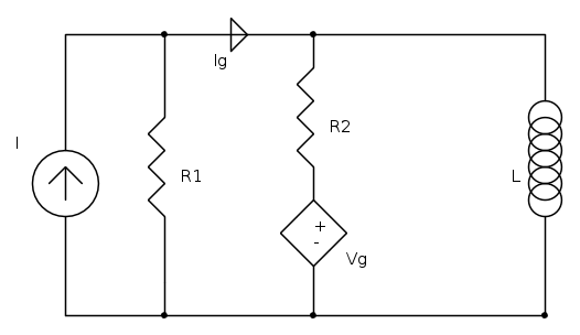
Salve.. Vorrei avere delle delucidazioni sul seguente esercizio, ovvero come procedere allo svolgimento :D Grazie in anticipo.. L'esercizio è il seguente:
Considerato il circuito allegato, si determini il valore dell'induttanza L affinchè in t = 3s il transitorio sia ridotto del 50% rispetto al suo valore iniziale. Si calcoli, poi, l'andamento nel tempo della corrente nell'induttore per t ≥ 0s, utilizzando il precedente valore di L e asusmento r = 1Ω e la seguente condizione iniziale iL(0+) = 3 A [Corrente nell'induttore].



I = 1 A;
R1 = 2Ω;
R2 = 1Ω;
Vg = r * Ig;
Ultima modifica di Foto UtenteGnao89 il 23 ago 2011, 17:56, modificato 1 volta in totale.
Avatar utente
Foto UtenteGnao89
3 3
 
Messaggi: 43
Iscritto il: 23 ago 2011, 17:00

0
voti

[2] Re: Calcolo Transitorio

Messaggioda Foto UtenteIsidoroKZ » 23 ago 2011, 18:48

Dalla condizione di transitorio ridotto al 50% dopo 3s, usando l'espressione esponenziale dei sistemi del primo ordine, trovi quanto deve valere la costante di tempo, dovrebbe venire un po' meno di 3s.

Poi data la costante di tempo di cui hai bisogno, ci si deve ricordare che questa e` data da L/R. Devi quindi calcolare la resistenza equivalente vista dalla L, imporre che L/R sia il valore trovato prima e hai il valore della resistenza.

L'ultima domanda me la sono dimenticata, la vediamo dopo. Nel frattempo, visto che sembra roba di scuola, dovresti fornire queste informazioni: ateneo, facolta`, corso di laurea, materia e libro di testo: servono per graduare meglio le risposte.
Per usare proficuamente un simulatore, bisogna sapere molta più elettronica di lui
Plug it in - it works better!
Il 555 sta all'elettronica come Arduino all'informatica! (entrambi loro malgrado)
Se volete risposte rispondete a tutte le mie domande
Avatar utente
Foto UtenteIsidoroKZ
121,2k 1 3 8
G.Master EY
G.Master EY
 
Messaggi: 21059
Iscritto il: 17 ott 2009, 0:00

0
voti

[3] Re: Calcolo Transitorio

Messaggioda Foto Utenteasdf » 23 ago 2011, 18:51

Ti ho "aggiustato" un po' il circuito :-)



Buona prosecuzione di topic. O_/ O_/
Avatar utente
Foto Utenteasdf
25,3k 8 11 13
Master EY
Master EY
 
Messaggi: 4762
Iscritto il: 11 apr 2010, 9:19

0
voti

[4] Re: Calcolo Transitorio

Messaggioda Foto UtenteGnao89 » 23 ago 2011, 23:32

asdf ha scritto:Ti ho "aggiustato" un po' il circuito :-) [..]


Grazie mille :) l'ho fatto un po' di fretta il mio ed era la prima volta che usavo quel programma :lol:

IsidoroKZ ha scritto:Dalla condizione di transitorio ridotto al 50% dopo 3s, [..]


Ciao IsidoroKZ, Grazie per la risposta.. In teoria ho capito più o meno lo svolgimento solo che essendo un po "impedito" con questo genere di esercizi non potresti spiegarlo direttamente con le equazioni? :-) grazie infinite..
PS: questo esercizio è stato preso da un appello di Elettrotecnica della facolta di Ingegneria Informatica..
Avatar utente
Foto UtenteGnao89
3 3
 
Messaggi: 43
Iscritto il: 23 ago 2011, 17:00

0
voti

[5] Re: Calcolo Transitorio

Messaggioda Foto Utenteasdf » 24 ago 2011, 7:16

Gnao89 ha scritto:Grazie mille :)

Di niente :-)

Gnao89 ha scritto:Ciao IsidoroKZ

per taggare un utente scrivi il suo nome:
ad es. Gnao89, poi selezioni e clicchi il tasto user che trovi nella barra in alto.
ottieni per l'appunto Foto UtenteGnao89
;-)
O_/
Avatar utente
Foto Utenteasdf
25,3k 8 11 13
Master EY
Master EY
 
Messaggi: 4762
Iscritto il: 11 apr 2010, 9:19

0
voti

[6] Re: Calcolo Transitorio

Messaggioda Foto UtenteGnao89 » 24 ago 2011, 22:44

Sono proprio una schiappa :P grazie ancora...
Avatar utente
Foto UtenteGnao89
3 3
 
Messaggi: 43
Iscritto il: 23 ago 2011, 17:00

0
voti

[7] Re: Calcolo Transitorio

Messaggioda Foto UtenteRenzoDF » 27 ago 2011, 19:08

Gnao89 ha scritto:Nessuno? :?

Mi puoi postare il testo originale? ... scannerizzato o linkato, non "raccontato" ;-)
"Il circuito ha sempre ragione" (Luigi Malesani)
Avatar utente
Foto UtenteRenzoDF
55,9k 8 12 13
G.Master EY
G.Master EY
 
Messaggi: 13189
Iscritto il: 4 ott 2008, 9:55

0
voti

[8] Re: Calcolo Transitorio

Messaggioda Foto UtenteGnao89 » 28 ago 2011, 13:14

Ciao Foto UtenteRenzoDF il testo originale è esattamente quello che ho scritto xD L'ho copiato pari pari dalla traccia..

"Considerato il circuito allegato, si determini il valore dell'induttanza L affinchè in t = 3s il transitorio sia ridotto del 50% rispetto al suo valore iniziale. Si calcoli, poi, l'andamento nel tempo della corrente nell'induttore per t ≥ 0s, utilizzando il precedente valore di L e asusmento r = 1Ω e la seguente condizione iniziale iL(0+) = 3 A [Corrente nell'induttore]."

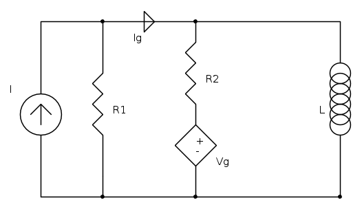
comunque a scanso di equivoci ecco la traccia originale :D
esercizio 1.jpg
esercizio 1.jpg (81.79 KiB) Osservato 5238 volte
Avatar utente
Foto UtenteGnao89
3 3
 
Messaggi: 43
Iscritto il: 23 ago 2011, 17:00

2
voti

[9] Re: Calcolo Transitorio

Messaggioda Foto UtenteRenzoDF » 31 ago 2011, 10:15

Gnao89 ha scritto:... a scanso di equivoci ecco la traccia originale :D

Allora se e' scritto proprio in quel modo, il testo di questo problema non lo capisco proprio, in quanto il valore dell'induttanza L non e' calcolabile a priori senza conoscere la trans-resistenza r del CCVS; quello che possiamo calcolare inizialmente, senza conoscere il suddetto parametro, e' SOLO la costante di tempo per la quale basta imporre che il termine esponenziale si riduca a 0.5 per t=3, ovvero

-\frac{3}{\tau }=\ln (0.5)\quad \to \quad \tau \approx 4.33\ \text{s}

Anche se non capivo come fosse possibile ho comunque controllato che la resistenza equivalente vista dall'induttore non sia indipendente da r, calcolando simbolicamente la tensione a vuoto, situazione nella quale il CCVS si comporta come un semplice resistore, e quindi con un partitore di tensione avremo che

V_{0}=IR_{1}\cdot \frac{(R_{2}+r)}{R_{1}+R_{2}+r}

per la corrente di corto il calcolo e' ancora piu' semplice in quanto si puo' scrivere direttamente

I_{cc}=I+\frac{rI}{R_{2}}

e di conseguenza

R_{eq}=\frac{V_{0}}{I_{cc}}=\frac{R_{1}+R_{2}}{R_{1}+R_{2}+r}

e quindi dipendente da r.

Posso chiederti da dove arriva questo problema?
"Il circuito ha sempre ragione" (Luigi Malesani)
Avatar utente
Foto UtenteRenzoDF
55,9k 8 12 13
G.Master EY
G.Master EY
 
Messaggi: 13189
Iscritto il: 4 ott 2008, 9:55

0
voti

[10] Re: Calcolo Transitorio

Messaggioda Foto UtenteGnao89 » 1 set 2011, 12:48

Foto UtenteRenzoDF la traccia viene da un appello di elettrotecnica di ing. Informatica.. Comunque la costante di tempo mi viene così solo che come dici tu non riesco a trovare la resistenza equivalente indipendente da r...
Avatar utente
Foto UtenteGnao89
3 3
 
Messaggi: 43
Iscritto il: 23 ago 2011, 17:00

Prossimo

Torna a Elettrotecnica generale

Chi c’è in linea

Visitano il forum: Nessuno e 25 ospiti