Salve, sono Michele e non so molto di elettronica.
Vorrei chiedere a qualcuno esperto se sia possibile modificare una torcia elettrica generica perché si spenga con un ritardo di qualche secondo quando si preme il pulsante di spegnimento.
Pensavo ad un temporizzatore da inserire nella torcia ma non ho idea ne di come fare ne se sia possibile inserire un circuito come quello in uno spazio dove non era previsto che ci andasse niente.
Grazie
Michele
Spegnimento ritardato di una torcia elettrica
Moderatori:
carloc,
g.schgor,
BrunoValente,
IsidoroKZ
8 messaggi
• Pagina 1 di 1
0
voti
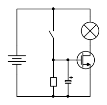
Se non hai particolari esigenze di spegnimento repentino e di tempi perfettamente calcolati, forse te la puoi cavare con un MOS, una resistenza ed un condensatore:
In ogni caso, dacci qualche specifica aggiuntiva: tipo, tensione e potenza della lampada, tensione di alimentazione, spazio disponibile...
In ogni caso, dacci qualche specifica aggiuntiva: tipo, tensione e potenza della lampada, tensione di alimentazione, spazio disponibile...
0
voti
Grazie della risposta,
guarda non ho esigenze particolari e comprerei la torcia proprio per questo scopo qui.
Quindi non so dirti, piuttosto se hai qualche consiglio mi compro un modello specifico.
Ti dico per cosa mi serve: sto per girare un film ed un attore deve farla cadere e la voglio fare rotolare per un po verso la telecamera e poi farla spegnere.
Quindi le uniche esigenze che ho sono:
una torcia di tipo tubolare che quindi rotoli.
uno spegnimento ritardato di qualche secondo in modo che l'attore prima di farla cadere prema un pulsante.
Grazie
Michele
guarda non ho esigenze particolari e comprerei la torcia proprio per questo scopo qui.
Quindi non so dirti, piuttosto se hai qualche consiglio mi compro un modello specifico.
Ti dico per cosa mi serve: sto per girare un film ed un attore deve farla cadere e la voglio fare rotolare per un po verso la telecamera e poi farla spegnere.
Quindi le uniche esigenze che ho sono:
una torcia di tipo tubolare che quindi rotoli.
uno spegnimento ritardato di qualche secondo in modo che l'attore prima di farla cadere prema un pulsante.
Grazie
Michele
0
voti
Uhm, quindi non sei esperto in montaggi elettronici, giusto?
Anche per il fatto che non disponi della torcia, ti consiglierei di cercare in qualche negozio un modello di torcia che integri già questa funzione.
La soluzione semplice che ti ho proposto ha uno spegnimento graduale.
Anche per il fatto che non disponi della torcia, ti consiglierei di cercare in qualche negozio un modello di torcia che integri già questa funzione.
La soluzione semplice che ti ho proposto ha uno spegnimento graduale.
0
voti
No, sono un regista ed un informatico ma di elettronica non ne so molto...
Io pensavo ad un temporizzatore che dopo n secondi staccasse la batteria o una roba del genere...
Ma credo di aver capito che i temporizzatori non sono componenti piccoli e facili da nascondere in una torcia...
Se qualcuno sa farmi la modifica in meno di due settimane posso anche offrire un piccolo compenso... se no vedo di trovare una soluzione più artigianale...
Grazie comunque
Michele
Io pensavo ad un temporizzatore che dopo n secondi staccasse la batteria o una roba del genere...
Ma credo di aver capito che i temporizzatori non sono componenti piccoli e facili da nascondere in una torcia...
Se qualcuno sa farmi la modifica in meno di due settimane posso anche offrire un piccolo compenso... se no vedo di trovare una soluzione più artigianale...
Grazie comunque
Michele
Ultima modifica di
mmassari il 1 set 2011, 15:36, modificato 1 volta in totale.
0
voti
La soluzione più semplice e (secondo me) più fattibile è utilizzare lo schema di
lucbie.
Il problema più grosso probabilmente è lo spazio perché le torce sono tutte molto compatte e siccome devi fare una ripresa con la torcia che rotola non puoi nemmeno lasciare il circuito esterno.
Dovresti provare a prendere i torcioni tipo quelli della polizia e inserire il circuito sotto alla parabola riflettente.
Con una torcia ad incandescenza dovresti avere spazio sufficiente.
E poi quelle a led sono esteticamente più brutte per un film
Il problema più grosso probabilmente è lo spazio perché le torce sono tutte molto compatte e siccome devi fare una ripresa con la torcia che rotola non puoi nemmeno lasciare il circuito esterno.
Dovresti provare a prendere i torcioni tipo quelli della polizia e inserire il circuito sotto alla parabola riflettente.
Con una torcia ad incandescenza dovresti avere spazio sufficiente.
E poi quelle a led sono esteticamente più brutte per un film
"Computers, operating systems, networks are a hot mess. They're barely manageable, even if you know a decent amount about what you're doing. Nine out of ten software engineers agree: it's a miracle anything works at all."
@fasterthanlime
@fasterthanlime
0
voti
Si in effetti pensavo ad una torcia ad incandescenza tipo questa
http://cgi.ebay.it/Torcia-elettrica-VARTA-2-pile-alk-Torcia-fascio-68-m-/170688654020?pt=Utensili_elettrici&hash=item27bdd62ac4#ht_2701wt_1066
La compro e poi vedo di rimediare un MOS online faccio delle prove.
Grazie
Michele
http://cgi.ebay.it/Torcia-elettrica-VARTA-2-pile-alk-Torcia-fascio-68-m-/170688654020?pt=Utensili_elettrici&hash=item27bdd62ac4#ht_2701wt_1066
La compro e poi vedo di rimediare un MOS online faccio delle prove.
Grazie
Michele
0
voti
mmassari ha scritto:No, sono un regista ed un informatico ma di elettronica non ne so molto...
Beh, un po' di formazione tecnica ce l'hai...
Comunque compra una torcia ad almeno 4 pile: avrai meno problemi ad accendere bene il MOS o qualunque altro circuito elettronico.
8 messaggi
• Pagina 1 di 1
Chi c’è in linea
Visitano il forum: Nessuno e 59 ospiti

Elettrotecnica e non solo (admin)
Un gatto tra gli elettroni (IsidoroKZ)
Esperienza e simulazioni (g.schgor)
Moleskine di un idraulico (RenzoDF)
Il Blog di ElectroYou (webmaster)
Idee microcontrollate (TardoFreak)
PICcoli grandi PICMicro (Paolino)
Il blog elettrico di carloc (carloc)
DirtEYblooog (dirtydeeds)
Di tutto... un po' (jordan20)
AK47 (lillo)
Esperienze elettroniche (marco438)
Telecomunicazioni musicali (clavicordo)
Automazione ed Elettronica (gustavo)
Direttive per la sicurezza (ErnestoCappelletti)
EYnfo dall'Alaska (mir)
Apriamo il quadro! (attilio)
H7-25 (asdf)
Passione Elettrica (massimob)
Elettroni a spasso (guidob)
Bloguerra (guerra)




