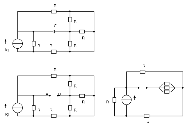
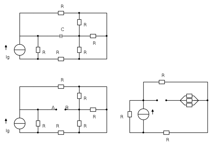
l'esame si avvicina, cosi ho messo da parte il libro di idraulica, e sono tornato a rivedere le tipologie d'esercizi di elettrotecnica fatti un mese fa...:)
Nessun problema nello svolgimento, tranne questo:
Devo calcolare la tensione al condensatore...
Resistenze R, corrente erogata
.Allora lo stacco, e rifaccio la schema, ma visivamente non so ancora come comportarmi...
Allora passo al 3° schema, cosi cominciamo a ragionare
Il mio dubbio è:
E' lecito affermare che la tensione al condensatore è la stessa che vi è al resistore nel ramo di circuito in alto?
Ovvero:
Partendo da questa ipotesi, posso ricavare col partitore di corrente che:

Quindi:

Come vi sembra?
Grazie

Elettrotecnica e non solo (admin)
Un gatto tra gli elettroni (IsidoroKZ)
Esperienza e simulazioni (g.schgor)
Moleskine di un idraulico (RenzoDF)
Il Blog di ElectroYou (webmaster)
Idee microcontrollate (TardoFreak)
PICcoli grandi PICMicro (Paolino)
Il blog elettrico di carloc (carloc)
DirtEYblooog (dirtydeeds)
Di tutto... un po' (jordan20)
AK47 (lillo)
Esperienze elettroniche (marco438)
Telecomunicazioni musicali (clavicordo)
Automazione ed Elettronica (gustavo)
Direttive per la sicurezza (ErnestoCappelletti)
EYnfo dall'Alaska (mir)
Apriamo il quadro! (attilio)
H7-25 (asdf)
Passione Elettrica (massimob)
Elettroni a spasso (guidob)
Bloguerra (guerra)




