Vabbè che è un errore di terminologia in cui possono incappare tutti all'inizio, ma per pubblicarlo in rete..
Comunque, se fai uno schema in FidoCad, meglio.
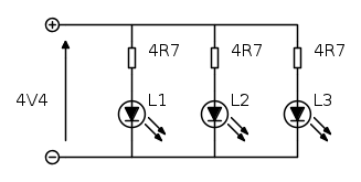
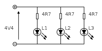
come alimentazione l'ho ricavata da un caricabatteria per cellulare, vecchio, uscita 4,4 volt, 1A.
Se hai poca tensione di entrata e la fonte può erogare abbastanza corrente, i rami da un LED ciascuno in parallelo non mi sembra una cattiva idea.
Sicuramente quell'alimentatore con un carico del genere non ce la fa, almeno credo. Prima di fare il circuito, usa una resistenza di carico, e misura la tensione di uscita in funzione del carico... Sicuro che si abbassa, e non arriva a reggere 1A... Stiamo parlando di un caricabatterie per cellulari, non di una fonte di alimentazione stabilizzata..

Elettrotecnica e non solo (admin)
Un gatto tra gli elettroni (IsidoroKZ)
Esperienza e simulazioni (g.schgor)
Moleskine di un idraulico (RenzoDF)
Il Blog di ElectroYou (webmaster)
Idee microcontrollate (TardoFreak)
PICcoli grandi PICMicro (Paolino)
Il blog elettrico di carloc (carloc)
DirtEYblooog (dirtydeeds)
Di tutto... un po' (jordan20)
AK47 (lillo)
Esperienze elettroniche (marco438)
Telecomunicazioni musicali (clavicordo)
Automazione ed Elettronica (gustavo)
Direttive per la sicurezza (ErnestoCappelletti)
EYnfo dall'Alaska (mir)
Apriamo il quadro! (attilio)
H7-25 (asdf)
Passione Elettrica (massimob)
Elettroni a spasso (guidob)
Bloguerra (guerra)





, e ti ripeto, lo schema al messaggio
, tieni in conto di quello che ti ho scritto prima al messaggio 
