Cos'è ElectroYou | Login Iscriviti

ElectroYou - la comunità dei professionisti del mondo elettrico

Parametri di Thevenin

Circuiti, campi elettromagnetici e teoria delle linee di trasmissione e distribuzione dell’energia elettrica

Moderatori: Foto Utenteg.schgor, Foto UtenteIsidoroKZ

0
voti

[1] Parametri di Thevenin

Messaggioda Foto UtenteAnnamariaCircuiti » 7 set 2011, 11:43

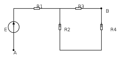
Buongiorno ragazzi . Stamattina sono alle prese con un nuovo problema. Ho risolto la prima parte ma mi sono bloccata in un punto. Ora vi posto la traccia e il mio procedimento. Spero possiate darmi una mano . Grazie in anticipo.



Resistenza Thevenin = R1 + [(R2+R4) || R3] = 32.57 ohm

Eo=Eo'+Eo''

C' :


Scrivo la LkT : Eo'+Vth-E=0
Eo'=E

C'':


Arrivata a questo punto non so continuare. Ho provato a fare la trasformazione stella-triangolo alle resistenze R1 R2 R3 ma non ho risolto niente .
Avatar utente
Foto UtenteAnnamariaCircuiti
2 3
New entry
New entry
 
Messaggi: 69
Iscritto il: 11 lug 2011, 11:43

0
voti

[2] Re: Parametri di Thevenin

Messaggioda Foto Utenteadmin » 7 set 2011, 11:52

Se non dici qual è il generatore di Thevenin che devi calcolare, o che cosa devi calcokare con Thevenin, non ti si può rispondere.
Avatar utente
Foto Utenteadmin
196,6k 9 12 17
Manager
Manager
 
Messaggi: 11950
Iscritto il: 6 ago 2004, 13:14

0
voti

[3] Re: Parametri di Thevenin

Messaggioda Foto UtenteAnnamariaCircuiti » 7 set 2011, 11:55

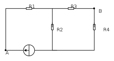
Devo calcolare la Resistenza equivalente di Thevenin e la tensione a vuoto ai morsetti A-B.

Avatar utente
Foto UtenteAnnamariaCircuiti
2 3
New entry
New entry
 
Messaggi: 69
Iscritto il: 11 lug 2011, 11:43

0
voti

[4] Re: Parametri di Thevenin

Messaggioda Foto Utenteasdf » 7 set 2011, 12:00

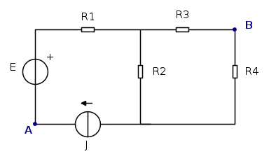
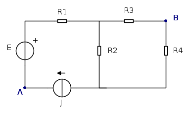
Mi sono permesso di "aggiustare" un po' il circuito al fine di renderlo più chiaro:



O_/
Avatar utente
Foto Utenteasdf
25,3k 8 11 13
Master EY
Master EY
 
Messaggi: 4762
Iscritto il: 11 apr 2010, 9:19

0
voti

[5] Re: Parametri di Thevenin

Messaggioda Foto UtenteAnnamariaCircuiti » 7 set 2011, 12:02

Grazie Foto Utenteasdf . Potresti anche darmi una mano nella risoluzione?
Avatar utente
Foto UtenteAnnamariaCircuiti
2 3
New entry
New entry
 
Messaggi: 69
Iscritto il: 11 lug 2011, 11:43

0
voti

[6] Re: Parametri di Thevenin

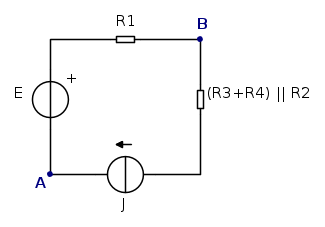
Messaggioda Foto Utenteasdf » 7 set 2011, 12:06

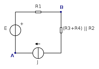
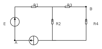
Provo a darti un consiglio, potresti ad esempio provare a semplificare il circuito con delle riduzioni serie parallelo, ed avere un circuito "più semplice" :



Chiedo conferma ad Foto Utenteadmin che è intervenuto nel topic ed eventualmente ad altri utenti sulla convenienza o meno di questa scelta.
Avatar utente
Foto Utenteasdf
25,3k 8 11 13
Master EY
Master EY
 
Messaggi: 4762
Iscritto il: 11 apr 2010, 9:19

0
voti

[7] Re: Parametri di Thevenin

Messaggioda Foto Utenteasdf » 7 set 2011, 12:09

Hai per caso i risultati dell'esercizio?
Avatar utente
Foto Utenteasdf
25,3k 8 11 13
Master EY
Master EY
 
Messaggi: 4762
Iscritto il: 11 apr 2010, 9:19

0
voti

[8] Re: Parametri di Thevenin

Messaggioda Foto UtenteAnnamariaCircuiti » 7 set 2011, 12:13

No Foto Utenteasdf il tuo ragionamento non è corretto. perché dal circuito iniziale non puoi risolvere la serie R3-R4 perché in questo modo scomparirebbe il morsetto B ed inoltre R2 e R4 non sono in parallelo.
Avatar utente
Foto UtenteAnnamariaCircuiti
2 3
New entry
New entry
 
Messaggi: 69
Iscritto il: 11 lug 2011, 11:43

0
voti

[9] Re: Parametri di Thevenin

Messaggioda Foto Utenteasdf » 7 set 2011, 12:15

Ok ok ho capito, allora ti chiedo scusa per il mio suggerimento errato Foto UtenteAnnamariaCircuiti.
Avatar utente
Foto Utenteasdf
25,3k 8 11 13
Master EY
Master EY
 
Messaggi: 4762
Iscritto il: 11 apr 2010, 9:19

0
voti

[10] Re: Parametri di Thevenin

Messaggioda Foto UtenteAnnamariaCircuiti » 7 set 2011, 12:17

No figurati Foto Utenteasdf. :D
Avatar utente
Foto UtenteAnnamariaCircuiti
2 3
New entry
New entry
 
Messaggi: 69
Iscritto il: 11 lug 2011, 11:43

Prossimo

Torna a Elettrotecnica generale

Chi c’è in linea

Visitano il forum: Nessuno e 19 ospiti