ciao a tutti,
volevo chiede se qualcuno può darmi qualche informazioni riguardo alle sonde utilizzate in un oscilloscopio da laboratorio.
In particolar modo vorrei sapere come è fatta internamente una sonda per oscilloscopio generale e se c'è un suo
circuito equivalente e quali sono le grandezze che entrano in gioco quando la colleghi per la misurazione di un circuito..
Grazie mille :)
Oscilloscopio
37 messaggi
• Pagina 1 di 4 • 1, 2, 3, 4
0
voti
Sono di corsa che e` tardissimo, se
DirtyDeeds vede questa domanda si scatena. Per il momento cerca partitore compensato, il principio e` quello, con rapporto di partizione 10:1 o anche 100:1.
Per usare proficuamente un simulatore, bisogna sapere molta più elettronica di lui
Plug it in - it works better!
Il 555 sta all'elettronica come Arduino all'informatica! (entrambi loro malgrado)
Se volete risposte rispondete a tutte le mie domande
Plug it in - it works better!
Il 555 sta all'elettronica come Arduino all'informatica! (entrambi loro malgrado)
Se volete risposte rispondete a tutte le mie domande
0
voti
Stamattina devo ancora prendere il caffè, per cui, per adesso, sarò rapido:
Qui e qui ci sono due discussioni sul partitore compensato.
Ciò che non viene spiegato lì, e che cercherò di spiegarti appena riesco, è perché si usi un partitore compensato per fare una sonda.
Qui e qui ci sono due discussioni sul partitore compensato.
Ciò che non viene spiegato lì, e che cercherò di spiegarti appena riesco, è perché si usi un partitore compensato per fare una sonda.
It's a sin to write
instead of
(Anonimo).
...'cos you know that
ain't
, right?
You won't get a sexy tan if you write
in lieu of
.
Take a log for a fireplace, but don't take
for
arithm.
instead of
(Anonimo)....'cos you know that
ain't
, right?You won't get a sexy tan if you write
in lieu of
.Take a log for a fireplace, but don't take
for
arithm.-

DirtyDeeds
55,9k 7 11 13 - G.Master EY

- Messaggi: 7012
- Iscritto il: 13 apr 2010, 16:13
- Località: Somewhere in nowhere
11
voti
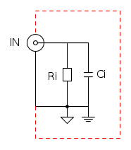
Cominciamo con il dare un'occhiata all'ingresso del canale verticale di un oscilloscopio. L'impedenza d'ingresso di un tipico oscilloscopio può essere rappresentata (con accettabile approssimazione) come il parallelo di una resistenza e di una capacità:
Il simbolo a triangolino ci dice che l'oscilloscopio misura la tensione d'ingresso rispetto al conduttore esterno del connettore BNC; il simbolo di terra ci dice che, tipicamente, questo conduttore esterno è anche collegato al potenziale di terra. La resistenza ha solitamente valore di
, mentre la capacità è dell'ordine della decina di picofarad (10 pF - 30 pF). A questo punto, non è difficile vedere che l'impedenza equivalente
vista all'ingresso di un oscilloscopio vale

dove
è la pulsazione corrispondente alla frequenza
a cui determiniamo l'impedenza d'ingresso. La frequenza

è la frequenza del polo dell'impedenza. Provando a sostituire dei valori tipici di
e
(facciamo
), otteniamo

E' allora interessante notare che per
l'impedenza d'ingresso è approssimabile con una resistenza di valore
, mentre per
l'impedenza d'ingresso è approssimabile con una capacità di valore
.
Detto questo, immaginiamo di voler connettere l'oscilloscopio a un circuito per fare un po' di misure. Cosa capita, lo vedremo al prossimo post...
Il simbolo a triangolino ci dice che l'oscilloscopio misura la tensione d'ingresso rispetto al conduttore esterno del connettore BNC; il simbolo di terra ci dice che, tipicamente, questo conduttore esterno è anche collegato al potenziale di terra. La resistenza ha solitamente valore di
, mentre la capacità è dell'ordine della decina di picofarad (10 pF - 30 pF). A questo punto, non è difficile vedere che l'impedenza equivalente
vista all'ingresso di un oscilloscopio vale 
dove
è la pulsazione corrispondente alla frequenza
a cui determiniamo l'impedenza d'ingresso. La frequenza 
è la frequenza del polo dell'impedenza. Provando a sostituire dei valori tipici di
e
(facciamo
), otteniamo
E' allora interessante notare che per
l'impedenza d'ingresso è approssimabile con una resistenza di valore
, mentre per
l'impedenza d'ingresso è approssimabile con una capacità di valore
. Detto questo, immaginiamo di voler connettere l'oscilloscopio a un circuito per fare un po' di misure. Cosa capita, lo vedremo al prossimo post...
It's a sin to write
instead of
(Anonimo).
...'cos you know that
ain't
, right?
You won't get a sexy tan if you write
in lieu of
.
Take a log for a fireplace, but don't take
for
arithm.
instead of
(Anonimo)....'cos you know that
ain't
, right?You won't get a sexy tan if you write
in lieu of
.Take a log for a fireplace, but don't take
for
arithm.-

DirtyDeeds
55,9k 7 11 13 - G.Master EY

- Messaggi: 7012
- Iscritto il: 13 apr 2010, 16:13
- Località: Somewhere in nowhere
4
voti
In linea di principio è semplice, si tratta di un partitore compensato in frequenza ma se scendi nei dettagli le cose si complicano notevolmente.
Ti propongo questo che fa parte del patrimonio Tektronix e dove, anche se è notevolmente datato, c'è tanto da imparare.
Ti propongo questo che fa parte del patrimonio Tektronix e dove, anche se è notevolmente datato, c'è tanto da imparare.
-

BrunoValente
39,6k 7 11 13 - G.Master EY

- Messaggi: 7796
- Iscritto il: 8 mag 2007, 14:48
0
voti
Grazie davvero a tutti ho capito molto bene la spiegazione di Dirty, ho una domanda...
Quell' IN nel disegno è il BNC dell'oscilloscopio dove connetto la sonda giusto?
poi:
1) la R è la resistenza parassita del filo (la sonda che attenua ha un l' anima fatta di un filo
che ha una certa resistenza mi sembra un po maggiore del rame...) corretto?
2)la capacità rappresenta la capacità parassita del cavo coassiale? giusto?
...quindi una sonda che non attenua è praticamente un cavo coassiale caratterizzato sola da una cerca capacità...
Poi mi interessa molto sapere cosa succede se con la mia sonda mi connetto ad un circuito...facciamo che la sonda attenua di un fattore 10 (ho una sonda 10x) ..
Quell' IN nel disegno è il BNC dell'oscilloscopio dove connetto la sonda giusto?
poi:
1) la R è la resistenza parassita del filo (la sonda che attenua ha un l' anima fatta di un filo
che ha una certa resistenza mi sembra un po maggiore del rame...) corretto?
2)la capacità rappresenta la capacità parassita del cavo coassiale? giusto?
...quindi una sonda che non attenua è praticamente un cavo coassiale caratterizzato sola da una cerca capacità...
Poi mi interessa molto sapere cosa succede se con la mia sonda mi connetto ad un circuito...facciamo che la sonda attenua di un fattore 10 (ho una sonda 10x) ..
6
voti
Gia1988 ha scritto:Quell' IN nel disegno è il BNC dell'oscilloscopio dove connetto la sonda giusto?
Sì.
Gia1988 ha scritto:1) la R è la resistenza parassita del filo (la sonda che attenua ha un l' anima fatta di un filo
che ha una certa resistenza mi sembra un po maggiore del rame...) corretto?
No, la sonda non ce l'ho ancora messa. Per adesso, stavo analizzando solo l'oscilloscopio. L'impedenza
è l'impedenza equivalente del circuito d'ingresso dell'oscilloscopio, circuito composto dalla cascata di un partitore variabile a scatti (per regolare la scala verticale dell'oscilloscopio) e da un amplificatore. La resistenza
e la capacità
sono principalmente dovute al partitore variabile.Gia1988 ha scritto:2)la capacità rappresenta la capacità parassita del cavo coassiale? giusto?
Anche qui, no: per adesso il cavo non c'è ancora (comparirà tra poco...). La capacità deriva da quanto detto sopra.
Adesso colleghiamo l'oscilloscopio a un circuito e, per adesso, facciamo il collegamento con un normale cavo coassiale. Supponiamo che il circuito possa essere rappresentato con un equivalente Thévenin, cioè come un generatore di tensione
con in serie una resistenza
:
è la tensione che vorremmo misurare. Supponiamo anche che il cavo possa essere rappresentato da una capacità
compresa tra il conduttore centrale del cavo e la calza esterna (vedremo alla fine che questo modello del cavo, ad alta frequenza, è troppo poco accurato). Con queste assunzioni, il circuito equivalente del collegamento tra circuito in prova e oscilloscopio èPrima osservazione: da quanto detto sopra, noi vorremmo misurare
, cioè la tensione a vuoto generata dal circuito in prova, cioè la tensione generata dal circuito indisturbato; in pratica, però, la tensione effettivamente misurata è
, la tensione all'ingresso dell'oscilloscopio e generalmente diversa da
. In base a quanto detto in [4], a frequenze maggiori di
la presenza della resistenza
può essere trascurata e il circuito si semplifica così:Riconosci il circuito? E' un semplice filtro passa basso RC, la cui frequenza di taglio superiore è

Proviamo a mettere qualche numero (ragionevole): un cavo coassiale di uso comune ha una capacità per unità di lunghezza dalle parti degli 80 pF/m; se immaginiamo di prendere un cavo da un metro, abbiamo
. Quindi
, in circuiti che lavorano ad alta frequenza, non è mai molto alta e, tanto per darle un valore, diciamo
. Con questi valori si ottiene
.Morale della storia: magari ci siamo comprati un bell'oscilloscopio con banda di 300 MHz, ma la tensione
al suo ingresso è limitata a 16 MHz per effetto del collegamento con il circuito. E ciò che succede a 300 MHz proprio non riusciamo a vederlo. Le principali responsabili di questa limitazione sono la capacità del cavo e la capacità d'ingresso dell'oscilloscopio, ed è su queste che dobbiamo agire per risolvere il problema:
, infatti, fa parte del circuito in prova e non può essere modificata.(continua...)
It's a sin to write
instead of
(Anonimo).
...'cos you know that
ain't
, right?
You won't get a sexy tan if you write
in lieu of
.
Take a log for a fireplace, but don't take
for
arithm.
instead of
(Anonimo)....'cos you know that
ain't
, right?You won't get a sexy tan if you write
in lieu of
.Take a log for a fireplace, but don't take
for
arithm.-

DirtyDeeds
55,9k 7 11 13 - G.Master EY

- Messaggi: 7012
- Iscritto il: 13 apr 2010, 16:13
- Località: Somewhere in nowhere
37 messaggi
• Pagina 1 di 4 • 1, 2, 3, 4
Chi c’è in linea
Visitano il forum: Nessuno e 22 ospiti

Elettrotecnica e non solo (admin)
Un gatto tra gli elettroni (IsidoroKZ)
Esperienza e simulazioni (g.schgor)
Moleskine di un idraulico (RenzoDF)
Il Blog di ElectroYou (webmaster)
Idee microcontrollate (TardoFreak)
PICcoli grandi PICMicro (Paolino)
Il blog elettrico di carloc (carloc)
DirtEYblooog (dirtydeeds)
Di tutto... un po' (jordan20)
AK47 (lillo)
Esperienze elettroniche (marco438)
Telecomunicazioni musicali (clavicordo)
Automazione ed Elettronica (gustavo)
Direttive per la sicurezza (ErnestoCappelletti)
EYnfo dall'Alaska (mir)
Apriamo il quadro! (attilio)
H7-25 (asdf)
Passione Elettrica (massimob)
Elettroni a spasso (guidob)
Bloguerra (guerra)




