Possono andare bene questi transistor nel mio circuito?
PNP MJE295 10 A
NPN BD911 15 A
considerando che il mio obiettivo è raggiungere i 5 A "tranquillamente"?
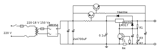
Progetto__Nuovo Alimentatore 1.2-18 V 5-6 A
Moderatori:
carloc,
g.schgor,
BrunoValente,
IsidoroKZ
0
voti
Che ne dite di questa soluzione?
E' fattibile?
però non so quali BJT scegliere.
1
voti
Ciao, volevo solo aggiungere (dato che l'ho trovato anch'io interessante e utilissimo!) il link al post di cui IsidoroKZ fa riferimento in una delle prime risposte relativamente alla corrente in continua che un trasformatore è in grado di fornire (il discorso del fattore 1.8 per intenderci).
Ne aveva parlato e fornito link lo stesso Isidoro in questo post (risposta [6]):
http://www.electroyou.it/phpBB2/viewtopic.php?f=1&t=16383&start=0&st=0&sk=t&sd=a
Spero di aver fatto cosa gradita... A me sono stati utilissimi quei links!

Ne aveva parlato e fornito link lo stesso Isidoro in questo post (risposta [6]):
http://www.electroyou.it/phpBB2/viewtopic.php?f=1&t=16383&start=0&st=0&sk=t&sd=a
Spero di aver fatto cosa gradita... A me sono stati utilissimi quei links!

0
voti
Non avevo mai visto la soluzione del transistore per la protezione, essendo molto curioso la vorrei approfondire, hai per caso un link di qualche datasheet o documentazione in cui si fa riferimento? Magari mi è sfuggita di mano..
I regolatori di tensione della serie 78xx & 79xx, dispongono già internamente di una loro protezione (anche se qualche prevenzione in più ovviamente non guasta).
Per il sovraccarico di corrente il fusibile al trasformatore dovrebbe svolgere anche questo compito, quello che secondo me puoi implementare è un regolatore di corrente.
I regolatori di tensione della serie 78xx & 79xx, dispongono già internamente di una loro protezione (anche se qualche prevenzione in più ovviamente non guasta).
Per il sovraccarico di corrente il fusibile al trasformatore dovrebbe svolgere anche questo compito, quello che secondo me puoi implementare è un regolatore di corrente.
0
voti
Come NPN userei un 2N5038.
La resistenza R4 devi dimensionarla per la corrente massima (usa la formula W = R x I ^2)
Poi utilizza una resistenza di potenza pari a circa il doppio di quella che avrai calcolato.
In caso di protezione, la tensione non potrà scendere a 0 volt in quanto LM317 limiterà a 1.25V.
Quindi considera che, in caso di protezione, dovrai dissipare sui transistor una potenza pari a :
W = (Vin - Vout) x Icc
Ciao
Giorgio
La resistenza R4 devi dimensionarla per la corrente massima (usa la formula W = R x I ^2)
Poi utilizza una resistenza di potenza pari a circa il doppio di quella che avrai calcolato.
In caso di protezione, la tensione non potrà scendere a 0 volt in quanto LM317 limiterà a 1.25V.
Quindi considera che, in caso di protezione, dovrai dissipare sui transistor una potenza pari a :
W = (Vin - Vout) x Icc
Ciao
Giorgio
-

giorgio25760
2.310 1 3 5 - G.Master EY

- Messaggi: 1700
- Iscritto il: 6 dic 2009, 17:02
- Località: Brescia
0
voti
giorgio25760 ha scritto:Quindi considera che, in caso di protezione, dovrai dissipare sui transistor una potenza pari a :
W = (Vin - Vout) x Icc
o
Vin e Vout quali sarebbero?
0
voti
Il problema è che dispongo di due BJT da 7 A.
Ho notato che i BJT come l'mj4502 da 20 A oppure altri da 30 A costano uno sproposito.
Il mio quesito è:
posso usare questi BJT da me in possesso poiché la corrente che richiedo io è 5 A?
Ho notato che i BJT come l'mj4502 da 20 A oppure altri da 30 A costano uno sproposito.
Il mio quesito è:
posso usare questi BJT da me in possesso poiché la corrente che richiedo io è 5 A?
Chi c’è in linea
Visitano il forum: Nessuno e 125 ospiti

Elettrotecnica e non solo (admin)
Un gatto tra gli elettroni (IsidoroKZ)
Esperienza e simulazioni (g.schgor)
Moleskine di un idraulico (RenzoDF)
Il Blog di ElectroYou (webmaster)
Idee microcontrollate (TardoFreak)
PICcoli grandi PICMicro (Paolino)
Il blog elettrico di carloc (carloc)
DirtEYblooog (dirtydeeds)
Di tutto... un po' (jordan20)
AK47 (lillo)
Esperienze elettroniche (marco438)
Telecomunicazioni musicali (clavicordo)
Automazione ed Elettronica (gustavo)
Direttive per la sicurezza (ErnestoCappelletti)
EYnfo dall'Alaska (mir)
Apriamo il quadro! (attilio)
H7-25 (asdf)
Passione Elettrica (massimob)
Elettroni a spasso (guidob)
Bloguerra (guerra)




