[phpBB Debug] PHP Warning: in file /var/www/ey/web/forum/latexrender/class.latexrender.php on line 278: copy(9634e19051fa49d36cbd2bd78697ae28.png): failed to open stream: No such file or directory
[phpBB Debug] PHP Warning: in file /var/www/ey/web/forum/latexrender/class.latexrender.php on line 298: unlink(/9634e19051fa49d36cbd2bd78697ae28.dvi): No such file or directory
[phpBB Debug] PHP Warning: in file /var/www/ey/web/forum/latexrender/class.latexrender.php on line 299: unlink(/9634e19051fa49d36cbd2bd78697ae28.ps): No such file or directory
[phpBB Debug] PHP Warning: in file /var/www/ey/web/forum/latexrender/class.latexrender.php on line 300: unlink(/9634e19051fa49d36cbd2bd78697ae28.png): No such file or directory
Calcolo parametri di Thevenin • Il Forum di ElectroYou
Cos'è ElectroYou | Login Iscriviti

ElectroYou - la comunità dei professionisti del mondo elettrico

Calcolo parametri di Thevenin

Circuiti, campi elettromagnetici e teoria delle linee di trasmissione e distribuzione dell’energia elettrica

Moderatori: Foto Utenteg.schgor, Foto UtenteIsidoroKZ

0
voti

[1] Calcolo parametri di Thevenin

Messaggioda Foto UtenteAnnamariaCircuiti » 14 set 2011, 12:58

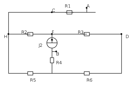
Buongiorno a tutti. Questo è l'esercizio uscito all'esame. Bisogna calcolare i parametri di Thevenin ai morsetti A-B.



\[J1=10 A\]
\[J2=15 A\]
\[E=100 V\]
\[R1=R2=R3=15\Omega \]
\[R4=R5=R6=25\Omega \]


Allora per calcolare la resistenza di Thevenin spengo tutti i generatori indipendenti interni e noto che:



-Le resistenze R2-R3 sono in serie
-La serie (R2+R3) è a sua volta in serie con R6
-La serie (R2+R3+R6) è in parallelo con R5

Quindi:
\[R_{Th}=R1+\left  ( R2+R3+R6 \right )||R5 +R4 = 57.18\Omega \]


Per calcolare \[E_{0}\] uso la mia solita sovrapposizione degli effetti.

C':



Facendo di nuovo tutte le semplificazioni dovute e applicando la LkT ottengo: \[E_{0}^{1}=-E\]

C'':



R1 essendo collegata ad un c.a. non è attraversato da corrente e quindi si può concettualmente eliminare dal circuito:



Applicando la LkT alla prima maglia ottengo : \[E_{0}^{2}= v_{5}+v_{4}=R5\cdot i_{5}+R4\cdot J2\]

Ricordando che un generatore di corrente in serie con un resistore equivale al generatore stesso e notando che la resistenza R2 è in serie con R5 e R3 è in serie con R6 ottengo il seguente circuito:



\[i_{5}=J2\cdot \left [  \right( R3+R6 \right ) / \left ( R3+R6+R2+R5 \right ) ]\left = 7.5A\]

[unparseable or potentially dangerous latex formula]

Il terzo contributo di \[E_{0}\] è quello dovuto al solo generatore J1. Purtroppo però non riesco a calcolarlo. :( Vi chiedo di darmi una mano e magari dirmi se fin qui il ragionamento è corretto.

Ps.So perfettamente che anche in questo caso,il metodo dei potenziali dei nodi sarebbe molto più rapido ma,sebbene abbia già visto qualche esempio applicato,non riesco ad usarlo :( Per favore,qualcuno potrebbe spiegarmelo per bene e magari applicarlo a questo esercizio in particolare?Ringrazio chiunque mostri un po' di attenzione a questo post :-)
Avatar utente
Foto UtenteAnnamariaCircuiti
2 3
New entry
New entry
 
Messaggi: 69
Iscritto il: 11 lug 2011, 11:43

0
voti

[2] Re: Calcolo parametri di Thevenin

Messaggioda Foto Utenteasdf » 14 set 2011, 13:16

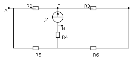
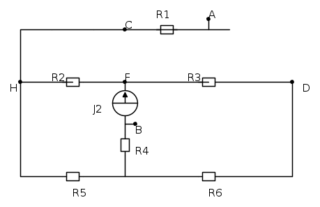
Ho aggiustato un po' lo schema iniziale del circuito in modo da renderlo un pochettino più chiaro:

Avatar utente
Foto Utenteasdf
25,3k 8 11 13
Master EY
Master EY
 
Messaggi: 4762
Iscritto il: 11 apr 2010, 9:19

0
voti

[3] Re: Calcolo parametri di Thevenin

Messaggioda Foto Utentejordan20 » 14 set 2011, 13:18

Secondo me, con le correnti di maglia fai ancora prima
"Lo scienziato descrive ciò che esiste, l'ingegnere crea ciò che non era mai stato."
(T. von Kármán)
Avatar utente
Foto Utentejordan20
13,0k 5 11 13
G.Master EY
G.Master EY
 
Messaggi: 1550
Iscritto il: 13 lug 2011, 12:55
Località: Palermo

0
voti

[4] Re: Calcolo parametri di Thevenin

Messaggioda Foto UtenteAnnamariaCircuiti » 14 set 2011, 13:36

Grazie Foto Utenteasdf .Foto Utentejordan20 potresti farmi vedere come devo procedere?
Avatar utente
Foto UtenteAnnamariaCircuiti
2 3
New entry
New entry
 
Messaggi: 69
Iscritto il: 11 lug 2011, 11:43

0
voti

[5] Re: Calcolo parametri di Thevenin

Messaggioda Foto Utentejordan20 » 14 set 2011, 13:40

Cara Foto UtenteAnnamariaCircuiti, attualmente non sono a casa e non posso installare fidocadj qui in ufficio. Tu stessa o Foto Utenteasdf, se vuole, può iniziare ad inserire le correnti cicliche nello schema [2] e iniziare a scrivere le LKT alle maglie e le relazioni aggiuntive dovute ai generatori di tensione. Altrimenti o aspetti che qualcuno ti posti il procedimento, o aspetti me, ma se ne parla stasera tardi quando tornerò da lavoro :(
"Lo scienziato descrive ciò che esiste, l'ingegnere crea ciò che non era mai stato."
(T. von Kármán)
Avatar utente
Foto Utentejordan20
13,0k 5 11 13
G.Master EY
G.Master EY
 
Messaggi: 1550
Iscritto il: 13 lug 2011, 12:55
Località: Palermo

2
voti

[6] Re: Calcolo parametri di Thevenin

Messaggioda Foto Utentelillo » 14 set 2011, 14:44

per quanto riguarda il contributo del generatore J1:

da qui attraverso Millman trovi la V_{HD}, conoscendo quella trovi la corrente I_{56},
e poi con una LKT da A a B dovresti trovare il terzo contributo.
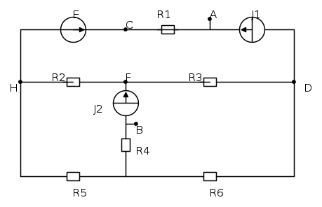
Per quel che riguarda le correnti di maglia prova cominciando con questo:

Avatar utente
Foto Utentelillo
20,5k 7 12 13
G.Master EY
G.Master EY
 
Messaggi: 4172
Iscritto il: 25 nov 2010, 11:30
Località: Nuovo Mondo

0
voti

[7] Re: Calcolo parametri di Thevenin

Messaggioda Foto UtenteAnnamariaCircuiti » 14 set 2011, 14:45



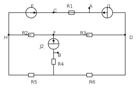
Allora Foto Utentejordan20 ci provo. Le tre correnti di maglia I1,I2,I3 hanno tutte verso antiorario.
Le equazioni sono:

\[(R1+R2+R3)\cdot I1 + R2\cdot I2 - R3\cdot I3 = \Delta U_{1} - E
\[(R2+R4+R5)\cdot I2 - R2\cdot I1 - R4\cdot I3 = \Delta U_{2}
\[(R3+R4+R6)\cdot I3 + R3\cdot I1 + R4\cdot I2 = -\Delta U_{2}
\[I1=J1
\[I2=J2
\[I3=-J2

Ci sarà qualche errore Foto Utentejordan20 ma ci ho provato almeno.
Avatar utente
Foto UtenteAnnamariaCircuiti
2 3
New entry
New entry
 
Messaggi: 69
Iscritto il: 11 lug 2011, 11:43

0
voti

[8] Re: Calcolo parametri di Thevenin

Messaggioda Foto Utentejordan20 » 14 set 2011, 15:09

Foto UtenteAnnamariaCircuiti, le equazioni che hai scritto sono quelle riferite ai versi indicati da Foto Utentelillo? perché dal tuo schema non lo capisco :?

BTW: ammettiamo che sia così. Nella prima equazione c'è un segno errato: deve essere -R_2I_2. Nella terza ce ne sono due: deve essere -R_3I_1 e -R_4I_2.
Poi, cosa indichi con \Delta U :?: Le tensioni sui generatori di corrente :?:
Scrivi correttamente la LKC al nodo F :!:
Ultima modifica di Foto Utentejordan20 il 14 set 2011, 15:25, modificato 1 volta in totale.
"Lo scienziato descrive ciò che esiste, l'ingegnere crea ciò che non era mai stato."
(T. von Kármán)
Avatar utente
Foto Utentejordan20
13,0k 5 11 13
G.Master EY
G.Master EY
 
Messaggi: 1550
Iscritto il: 13 lug 2011, 12:55
Località: Palermo

0
voti

[9] Re: Calcolo parametri di Thevenin

Messaggioda Foto UtenteAnnamariaCircuiti » 14 set 2011, 15:24

Si sono quelli i versi di riferimento.
Avatar utente
Foto UtenteAnnamariaCircuiti
2 3
New entry
New entry
 
Messaggi: 69
Iscritto il: 11 lug 2011, 11:43

0
voti

[10] Re: Calcolo parametri di Thevenin

Messaggioda Foto Utentejordan20 » 14 set 2011, 15:25

Ok, rileggi il post precedente che l'ho editato
"Lo scienziato descrive ciò che esiste, l'ingegnere crea ciò che non era mai stato."
(T. von Kármán)
Avatar utente
Foto Utentejordan20
13,0k 5 11 13
G.Master EY
G.Master EY
 
Messaggi: 1550
Iscritto il: 13 lug 2011, 12:55
Località: Palermo

Prossimo

Torna a Elettrotecnica generale

Chi c’è in linea

Visitano il forum: Nessuno e 116 ospiti