Questo è il secondo esercizio del mio esame, non ne avevo mai fatto uno, ragion per cui chiedo di perdonare le profonde eresie che vado a scrivere







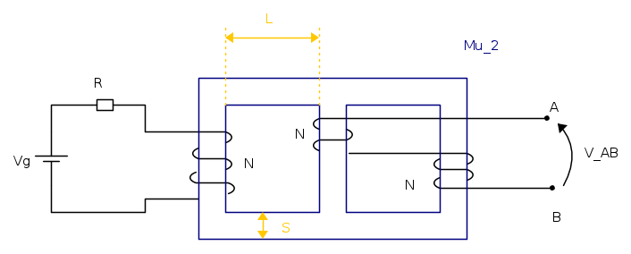
Nella rete in regime sinusoidale si determini l'ampiezza della tensione

Ok, ora si comincia, siete pregati di prendere posto e godervi lo spettacolo!



E poi ho scritto una cosa del genere:

Ho risolto rispetto
1 e 2.Prima avevo trovato R:

E la follia non è ancora finita!
Ma credo vi siate fatti già abbastanza risate, mi date una mano con questo esercizio per favore?
Grazie
ps, i 2 avvolgimenti di destra, li posso considerare in serie?

Elettrotecnica e non solo (admin)
Un gatto tra gli elettroni (IsidoroKZ)
Esperienza e simulazioni (g.schgor)
Moleskine di un idraulico (RenzoDF)
Il Blog di ElectroYou (webmaster)
Idee microcontrollate (TardoFreak)
PICcoli grandi PICMicro (Paolino)
Il blog elettrico di carloc (carloc)
DirtEYblooog (dirtydeeds)
Di tutto... un po' (jordan20)
AK47 (lillo)
Esperienze elettroniche (marco438)
Telecomunicazioni musicali (clavicordo)
Automazione ed Elettronica (gustavo)
Direttive per la sicurezza (ErnestoCappelletti)
EYnfo dall'Alaska (mir)
Apriamo il quadro! (attilio)
H7-25 (asdf)
Passione Elettrica (massimob)
Elettroni a spasso (guidob)
Bloguerra (guerra)





'
'



instead of
(Anonimo).
ain't
, right?
in lieu of
.
for
arithm.


