Ciao a tutti.
Ho un circuito alimentato con due tensioni Vcc e - Vcc.
Se, ho un solo alimentatore.....come si può fare?
uso di una o di due alimentazioni
Moderatori:
carloc,
g.schgor,
BrunoValente,
IsidoroKZ
14 messaggi
• Pagina 1 di 2 • 1, 2
0
voti
non so che tipo di esercizi tu stia facendo, ma ricordo che il prof di elettronica applicata usava spesso le due notazioni, ovvero quella di alimentazione duale o quella in cui avevamo una sola tensione superiore mentre quella inferiore era a 0.
credo che l'importante sia assicurare una d.d.p. identica quindi mi azzardo a dire che potresti usare un alimentazione di:

è una mia ipotesi, aspetta la risposta di qualcuno più qualificato
credo che l'importante sia assicurare una d.d.p. identica quindi mi azzardo a dire che potresti usare un alimentazione di:

è una mia ipotesi, aspetta la risposta di qualcuno più qualificato

0
voti
Credo che sia corretto il tuo ragionamento, mi spiego meglio:
Ho un circuito che generalmente è alimentato con una tensione positiva e una tensione negativa.
Una domanda che mi hanno fatto su tale circuito è stata la seguente:
Se si ipotizza di avere una sola delle due alimentazioni come si può agire per avere lo stesso funzionamento circuitale...?
Ho un circuito che generalmente è alimentato con una tensione positiva e una tensione negativa.
Una domanda che mi hanno fatto su tale circuito è stata la seguente:
Se si ipotizza di avere una sola delle due alimentazioni come si può agire per avere lo stesso funzionamento circuitale...?
0
voti
Se non riporti il circuito, non è possibile rispondere. Non c'è una risposta generale, dipende dal circuito.
It's a sin to write
instead of
(Anonimo).
...'cos you know that
ain't
, right?
You won't get a sexy tan if you write
in lieu of
.
Take a log for a fireplace, but don't take
for
arithm.
instead of
(Anonimo)....'cos you know that
ain't
, right?You won't get a sexy tan if you write
in lieu of
.Take a log for a fireplace, but don't take
for
arithm.-

DirtyDeeds
55,9k 7 11 13 - G.Master EY

- Messaggi: 7012
- Iscritto il: 13 apr 2010, 16:13
- Località: Somewhere in nowhere
0
voti
come ti ha detto
DirtyDeeds dipende essenzialmente dal circuito che devi alimentare.
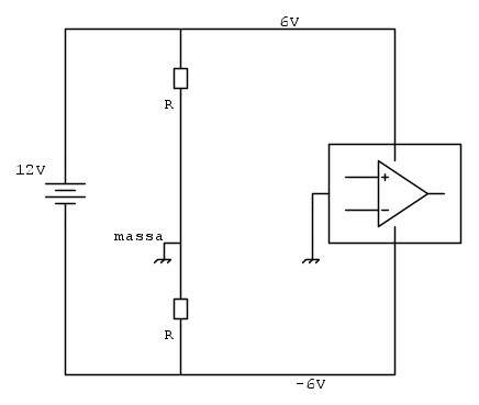
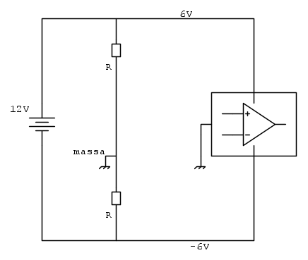
per farti un esempio, un metodo per ottenere alimenazione doppia da tensione singola, per op o comparatori, è questa.
come puoi intuire, la tensione duale non potrà fornire forti correnti, essendo data dalla caduta sulle due resistenze di valore uguale, può dare appunto un riferimento ad alta impedenza utilizzabile in circuiti che non assorbono correnti importanti, altrimenti si devono usare altre configurazioni.
per farti un esempio, un metodo per ottenere alimenazione doppia da tensione singola, per op o comparatori, è questa.
come puoi intuire, la tensione duale non potrà fornire forti correnti, essendo data dalla caduta sulle due resistenze di valore uguale, può dare appunto un riferimento ad alta impedenza utilizzabile in circuiti che non assorbono correnti importanti, altrimenti si devono usare altre configurazioni.
-

lelerelele
4.899 3 7 9 - Master

- Messaggi: 5505
- Iscritto il: 8 giu 2011, 8:57
- Località: Reggio Emilia
0
voti
lelerelele ha scritto:per farti un esempio, un metodo per ottenere alimenazione doppia da tensione singola, per op o comparatori, è questa.
Suggerirei che leggessi questo. In quel circuito potresti avere il negativo dell'alimentazione collegato alla vera massa, e se non si usano i termini giusti si rischia di fare casino.
Per usare proficuamente un simulatore, bisogna sapere molta più elettronica di lui
Plug it in - it works better!
Il 555 sta all'elettronica come Arduino all'informatica! (entrambi loro malgrado)
Se volete risposte rispondete a tutte le mie domande
Plug it in - it works better!
Il 555 sta all'elettronica come Arduino all'informatica! (entrambi loro malgrado)
Se volete risposte rispondete a tutte le mie domande
0
voti
grazie
IsidoroKZ per le info.
in effetti avevo qualche idea in merito, ma sicuramente non avevo chiare le cose.
quindi nel mio esempio dovevo mettere il potenziale di riferimento,
inserisco il tuo simbolo, perché sto guardando la libreria di fidocadj e non lo trovo! sarò cecato?
ammesso che non ci sia c'è un modo per inserirlo entro la sua libreria?
in effetti avevo qualche idea in merito, ma sicuramente non avevo chiare le cose.
quindi nel mio esempio dovevo mettere il potenziale di riferimento,
inserisco il tuo simbolo, perché sto guardando la libreria di fidocadj e non lo trovo! sarò cecato?
ammesso che non ci sia c'è un modo per inserirlo entro la sua libreria?
-

lelerelele
4.899 3 7 9 - Master

- Messaggi: 5505
- Iscritto il: 8 giu 2011, 8:57
- Località: Reggio Emilia
0
voti
lelerelele ha scritto:inserisco il tuo simbolo, perché sto guardando la libreria di fidocadj e non lo trovo! sarò cecato?
No, non c'è. Probabilmente, sarebbe ora di riorganizzare un po' la libreria, eliminando certe schifezze (il ponticello) ed introducendo dei simboli adeguati, fra cui quello citato. Vedi la mia proposta nel messaggio 6 di questa discussione:
viewtopic.php?f=5&t=28488&p=230047&hilit=biblioteca+standard+fidocadj#p230047
lelerelele ha scritto:ammesso che non ci sia c'è un modo per inserirlo entro la sua libreria?
Certo che c'è: basta crearsi una libreria personalizzata:
http://sourceforge.net/projects/fidocad ... ic/4081566
viewtopic.php?f=5&t=25719&st=0&sk=t&sd=a
Ulteriori informazioni sono contenute nel manuale di FidoCadJ:
http://sourceforge.net/projects/fidocad ... f/download
Follow me on Mastodon: @davbucci@mastodon.sdf.org
-

DarwinNE
31,0k 7 11 13 - G.Master EY

- Messaggi: 4420
- Iscritto il: 18 apr 2010, 9:32
- Località: Grenoble - France
14 messaggi
• Pagina 1 di 2 • 1, 2
Chi c’è in linea
Visitano il forum: Nessuno e 231 ospiti

Elettrotecnica e non solo (admin)
Un gatto tra gli elettroni (IsidoroKZ)
Esperienza e simulazioni (g.schgor)
Moleskine di un idraulico (RenzoDF)
Il Blog di ElectroYou (webmaster)
Idee microcontrollate (TardoFreak)
PICcoli grandi PICMicro (Paolino)
Il blog elettrico di carloc (carloc)
DirtEYblooog (dirtydeeds)
Di tutto... un po' (jordan20)
AK47 (lillo)
Esperienze elettroniche (marco438)
Telecomunicazioni musicali (clavicordo)
Automazione ed Elettronica (gustavo)
Direttive per la sicurezza (ErnestoCappelletti)
EYnfo dall'Alaska (mir)
Apriamo il quadro! (attilio)
H7-25 (asdf)
Passione Elettrica (massimob)
Elettroni a spasso (guidob)
Bloguerra (guerra)






