Ciao a tutti volevo chiedervi una cosa:
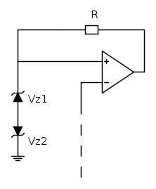
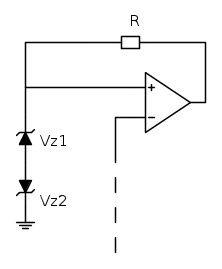
ho un trigger di smith (bistabile invertente) con soglie ben determinate realizzate con due zener contrapposti.
Se non ho degli zener come posso fare?
sostituti dei diodi zener
Moderatori:
carloc,
g.schgor,
BrunoValente,
IsidoroKZ
11 messaggi
• Pagina 1 di 2 • 1, 2
0
voti
Se non hai gli zener fai come dice
Candy oppure progetti un comparatore con isteresi con le soglie volute,
Qui, fra le altre cose, ci sono le equazioni per progettarlo, e e qui invece
g.schgor ha fatto una analisi e dimostrazione interattiva sui comparatori con isteresi.
Qui, fra le altre cose, ci sono le equazioni per progettarlo, e e qui invece
Per usare proficuamente un simulatore, bisogna sapere molta più elettronica di lui
Plug it in - it works better!
Il 555 sta all'elettronica come Arduino all'informatica! (entrambi loro malgrado)
Se volete risposte rispondete a tutte le mie domande
Plug it in - it works better!
Il 555 sta all'elettronica come Arduino all'informatica! (entrambi loro malgrado)
Se volete risposte rispondete a tutte le mie domande
0
voti
Fai in questo modo:
Le resistenze Ra e Rb devono dare l'equivalente Thevenin con la R1 e la Vp che servono, come calcolate nell'articolo che ti ho indicato, e quindi "Alimentazione" e` positiva o negativa a seconda che serva una Vp positiva o negativa.
Per fare i conti delle tre resistenze serve sapere che alimentazioni hai a disposizione e che operazionale stai usando.
Le resistenze Ra e Rb devono dare l'equivalente Thevenin con la R1 e la Vp che servono, come calcolate nell'articolo che ti ho indicato, e quindi "Alimentazione" e` positiva o negativa a seconda che serva una Vp positiva o negativa.
Per fare i conti delle tre resistenze serve sapere che alimentazioni hai a disposizione e che operazionale stai usando.
Per usare proficuamente un simulatore, bisogna sapere molta più elettronica di lui
Plug it in - it works better!
Il 555 sta all'elettronica come Arduino all'informatica! (entrambi loro malgrado)
Se volete risposte rispondete a tutte le mie domande
Plug it in - it works better!
Il 555 sta all'elettronica come Arduino all'informatica! (entrambi loro malgrado)
Se volete risposte rispondete a tutte le mie domande
0
voti
Gli zener nelle applicazioni di precisione e` sempre meglio perderli che trovarli.
Per usare proficuamente un simulatore, bisogna sapere molta più elettronica di lui
Plug it in - it works better!
Il 555 sta all'elettronica come Arduino all'informatica! (entrambi loro malgrado)
Se volete risposte rispondete a tutte le mie domande
Plug it in - it works better!
Il 555 sta all'elettronica come Arduino all'informatica! (entrambi loro malgrado)
Se volete risposte rispondete a tutte le mie domande
0
voti
IsidoroKZ ha scritto:Gli zener nelle applicazioni di precisione e` sempre meglio perderli che trovarli.
Sono perfettamente d'accordo !
Se vuoi un riferimento di tensione più stabile degli zener, senza tante pretese e che costi poco, puoi usare :
- LM336-2.5 (rif. a 2.5V)
http://www.national.com/ds/LM/LM236-2.5.pdf
- LM336-5.0 (rif. a 5.0V)
http://www.national.com/ds/LM/LM236-5.0.pdf
Ciao
Giorgio
-

giorgio25760
2.310 1 3 5 - G.Master EY

- Messaggi: 1700
- Iscritto il: 6 dic 2009, 17:02
- Località: Brescia
11 messaggi
• Pagina 1 di 2 • 1, 2
Chi c’è in linea
Visitano il forum: Nessuno e 281 ospiti

Elettrotecnica e non solo (admin)
Un gatto tra gli elettroni (IsidoroKZ)
Esperienza e simulazioni (g.schgor)
Moleskine di un idraulico (RenzoDF)
Il Blog di ElectroYou (webmaster)
Idee microcontrollate (TardoFreak)
PICcoli grandi PICMicro (Paolino)
Il blog elettrico di carloc (carloc)
DirtEYblooog (dirtydeeds)
Di tutto... un po' (jordan20)
AK47 (lillo)
Esperienze elettroniche (marco438)
Telecomunicazioni musicali (clavicordo)
Automazione ed Elettronica (gustavo)
Direttive per la sicurezza (ErnestoCappelletti)
EYnfo dall'Alaska (mir)
Apriamo il quadro! (attilio)
H7-25 (asdf)
Passione Elettrica (massimob)
Elettroni a spasso (guidob)
Bloguerra (guerra)




