Ciao a tutti, volevo chiedervi un consiglio.
Ho un driver di corrente che mi fornisce in uscita una I max pari a 1.1 Amper.
Ho bisogno pero' di una corrente massima di 3.2 amper.
Ho quindi modificato il driver agendo sulla resistenza di sense e sul partitore di ingresso scegliendo il valore opportuno di resistenze che mi garantissero la corrente massima voluta.
Ora, poiche la corrente di uscita è quella di collettore di un BJT il cui da datasheet ha un guadagno massimo hfe = 140 e una corrente di collettore massima in dc Ic pari a 1.2 devo sostituire anche questo?
sostituire il BJT con un darlington?
Moderatori:
carloc,
g.schgor,
BrunoValente,
IsidoroKZ
11 messaggi
• Pagina 1 di 2 • 1, 2
1
voti
Uno schema disegnato con fidocadJ aiuterebbe.
"La follia sta nel fare sempre la stessa cosa aspettandosi risultati diversi".
"Parla soltanto quando sei sicuro che quello che dirai è più bello del silenzio".
Rispondere è cortesia, ma lasciare l'ultima parola ai cretini è arte.
"Parla soltanto quando sei sicuro che quello che dirai è più bello del silenzio".
Rispondere è cortesia, ma lasciare l'ultima parola ai cretini è arte.
-

TardoFreak
73,9k 8 12 13 - -EY Legend-

- Messaggi: 15754
- Iscritto il: 16 dic 2009, 11:10
- Località: Torino - 3° pianeta del Sistema Solare
0
voti
Gia1988 ha scritto:Ora, poiche la corrente di uscita è quella di collettore di un BJT il cui da datasheet ha un guadagno massimo hfe = 140 e una corrente di collettore massima in dc Ic pari a 1.2 devo sostituire anche questo?
Mi sembra ovvio !
Non puoi cavare 3.2A da un BJT da 1.2 !
Usa :
- BDX53C se NPN
- BDX54C se PNP
Ciao
Giorgio
-

giorgio25760
2.310 1 3 5 - G.Master EY

- Messaggi: 1700
- Iscritto il: 6 dic 2009, 17:02
- Località: Brescia
0
voti
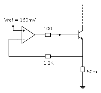
ecco lo schema
0
voti
Il parametro importante in questi circuiti (e praticamente in tutti gli altri) e` il beta minimo, non quello massimo, perche' e` il beta minimo che dice qual e` il massimo carico che l'operazionale puo` vedere.
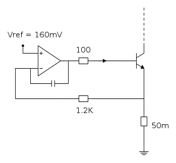
Metti un Darlington oppure un MOS, e aggiungi un condensatore da 1nF (valore detto a spanne, potrebbe anche non essere giusto) fra uscita dell'operazionale e ingresso invertente dell'operazionale, cosi`:
Metti un Darlington oppure un MOS, e aggiungi un condensatore da 1nF (valore detto a spanne, potrebbe anche non essere giusto) fra uscita dell'operazionale e ingresso invertente dell'operazionale, cosi`:
Per usare proficuamente un simulatore, bisogna sapere molta più elettronica di lui
Plug it in - it works better!
Il 555 sta all'elettronica come Arduino all'informatica! (entrambi loro malgrado)
Se volete risposte rispondete a tutte le mie domande
Plug it in - it works better!
Il 555 sta all'elettronica come Arduino all'informatica! (entrambi loro malgrado)
Se volete risposte rispondete a tutte le mie domande
0
voti
A che cosa servili condensatore?
Perche devo vedere il beta minimo? Cioè io voglio che ci sia in uscita una corrente di 3.2 ampere il beta massimo del transistore originale e minore di 140 la corrente che mi puo dare l op amp in uscita e meno di 200mA....quindi ho pensato che mi serve un beta piu grande...
Perche devo vedere il beta minimo? Cioè io voglio che ci sia in uscita una corrente di 3.2 ampere il beta massimo del transistore originale e minore di 140 la corrente che mi puo dare l op amp in uscita e meno di 200mA....quindi ho pensato che mi serve un beta piu grande...
0
voti
Gia1988 ha scritto:A che cosa servili condensatore?
A reazionare il rumore dell'op-amp.
Quindi :
- evita l'amplificazione di frequenze elevate
- evita l'innesco di autooscillazioni
- etc. etc.
Gia1988 ha scritto:quindi ho pensato che mi serve un beta piu grande...
Il BDX53C ha un hfe min = 750
Penso che ti basti !
Con una 10 di mA dovresti essere saturo !
Ciao
Giorgio
-

giorgio25760
2.310 1 3 5 - G.Master EY

- Messaggi: 1700
- Iscritto il: 6 dic 2009, 17:02
- Località: Brescia
0
voti
Perche' il beta minimo e` quello che permette di calcolare la corrente di base massima e quindi la massima corrente che l'operazionale deve erogare. Di solito questa corrente e` il fattore limitante.
Per usare proficuamente un simulatore, bisogna sapere molta più elettronica di lui
Plug it in - it works better!
Il 555 sta all'elettronica come Arduino all'informatica! (entrambi loro malgrado)
Se volete risposte rispondete a tutte le mie domande
Plug it in - it works better!
Il 555 sta all'elettronica come Arduino all'informatica! (entrambi loro malgrado)
Se volete risposte rispondete a tutte le mie domande
0
voti
il BJT che devo sostituire è il KSC2690.
perché lo sostituisco?
1) perché da datasheet la massima corrente di collettore è 1.2 A
2) perché il beta minimo è 60 con una corrente di base pari a 0.3A ......questi 300 mA mi vengono dall'op amp..ma il mio op amp mi da in uscita al massimo 20mA ....quindi non c e la fa.
in definitiva voglio un BJT con un guadagno maggiore...(in tal modo l op amp mi da una correte di uscita accettabile) e uno che da specifiche tecniche mi sopporti sul collettore una corrente massimo di 3.2 amper
giusto?
perché lo sostituisco?
1) perché da datasheet la massima corrente di collettore è 1.2 A
2) perché il beta minimo è 60 con una corrente di base pari a 0.3A ......questi 300 mA mi vengono dall'op amp..ma il mio op amp mi da in uscita al massimo 20mA ....quindi non c e la fa.
in definitiva voglio un BJT con un guadagno maggiore...(in tal modo l op amp mi da una correte di uscita accettabile) e uno che da specifiche tecniche mi sopporti sul collettore una corrente massimo di 3.2 amper
giusto?
11 messaggi
• Pagina 1 di 2 • 1, 2
Chi c’è in linea
Visitano il forum: Nessuno e 56 ospiti

Elettrotecnica e non solo (admin)
Un gatto tra gli elettroni (IsidoroKZ)
Esperienza e simulazioni (g.schgor)
Moleskine di un idraulico (RenzoDF)
Il Blog di ElectroYou (webmaster)
Idee microcontrollate (TardoFreak)
PICcoli grandi PICMicro (Paolino)
Il blog elettrico di carloc (carloc)
DirtEYblooog (dirtydeeds)
Di tutto... un po' (jordan20)
AK47 (lillo)
Esperienze elettroniche (marco438)
Telecomunicazioni musicali (clavicordo)
Automazione ed Elettronica (gustavo)
Direttive per la sicurezza (ErnestoCappelletti)
EYnfo dall'Alaska (mir)
Apriamo il quadro! (attilio)
H7-25 (asdf)
Passione Elettrica (massimob)
Elettroni a spasso (guidob)
Bloguerra (guerra)



