Ciao a tutti:)
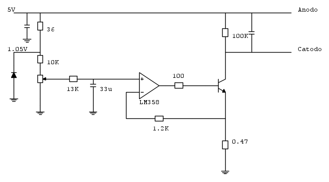
In settimana dovrò discutere il circuito riportato sotto.
Vorrei sapere delle possibili domande che potrebbero fare..
...se voi vedete un circuito del genere...cosa chiedereste...? :)
Domande su un circuito
Moderatori:
carloc,
g.schgor,
BrunoValente,
IsidoroKZ
16 messaggi
• Pagina 1 di 2 • 1, 2
0
voti
Chiederei ad es.
- quali sono le caratteristiche del LED alimentato?
- che transistor viene utilizzato ? (la dissipazione è notevole!)
- a cosa servono le resistenze da 13K e 1.2K?
- qual è il valore del potenziometro di riferimento corrente?
- essendo (come sembra) il 358 alimentato tra +5V e GND,
qual'e la soglia minima di funzionamento? (l'uscita non può
andare fino a 0V).
- quali sono le caratteristiche del LED alimentato?
- che transistor viene utilizzato ? (la dissipazione è notevole!)
- a cosa servono le resistenze da 13K e 1.2K?
- qual è il valore del potenziometro di riferimento corrente?
- essendo (come sembra) il 358 alimentato tra +5V e GND,
qual'e la soglia minima di funzionamento? (l'uscita non può
andare fino a 0V).
0
voti
Grazie mille..provo a darti delle risposte...vediamo se sono giuste...
1)I LED ALIMENTATO è un led UV di potenza : devo testarne 3.
-uno che richiede una corrente di 700mA e una tensione diretta di 5V
-uno che richiede una correte di 700mA e una tensione diretta di 15V
-uno che richiede una corrente di 3.2 A e una tensione di 16 V
2) viene utilizzato un BJT in configurazione invertente un bdx53c
la potenza massima che dissipa è quando ho il led da 3.2 A infatti: P =Vce I = 1.8 3.2 = 5.76 W ( considerando che l alimentazione Vcc è ora di 18V e sul morsetto + ho la tensione massima che mi garantisce la corrente di 3.2 amper cioè 0,160V )
3)Rtot del potenziometro è 22 K
4)corretto il 358 è sempre alimentato tra 5V e massa.
Per quanto riguarda la soglia minima di funzionamento...non lo so...come faccio?
1)I LED ALIMENTATO è un led UV di potenza : devo testarne 3.
-uno che richiede una corrente di 700mA e una tensione diretta di 5V
-uno che richiede una correte di 700mA e una tensione diretta di 15V
-uno che richiede una corrente di 3.2 A e una tensione di 16 V
2) viene utilizzato un BJT in configurazione invertente un bdx53c
la potenza massima che dissipa è quando ho il led da 3.2 A infatti: P =Vce I = 1.8 3.2 = 5.76 W ( considerando che l alimentazione Vcc è ora di 18V e sul morsetto + ho la tensione massima che mi garantisce la corrente di 3.2 amper cioè 0,160V )
3)Rtot del potenziometro è 22 K
4)corretto il 358 è sempre alimentato tra 5V e massa.
Per quanto riguarda la soglia minima di funzionamento...non lo so...come faccio?
0
voti
Per la verifica dei parametri suggerirei una simulazione
nei 3 casi di funzionamento (in questo momento non mi
è possible, altrimenti l'avrei fatto io).
Non mi hai risposto alla domanda:
- a cosa servono le resistenze da 13K e 1.2K?
nei 3 casi di funzionamento (in questo momento non mi
è possible, altrimenti l'avrei fatto io).
Non mi hai risposto alla domanda:
- a cosa servono le resistenze da 13K e 1.2K?
0
voti
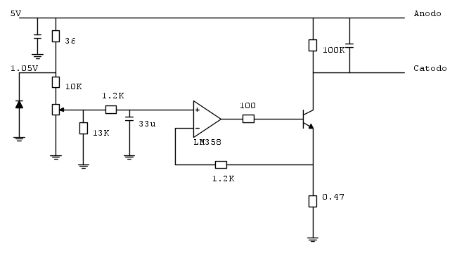
Mi sono dimenticato che dopo la capacita di 33uF in ingresso piu Dell op amp ho un'altra resistenza verso massas di 1.2 K
Credo che la 13 k mi realizza il partitore di ingresso con il potenziometro quella in reazione nn credo abbia una funzione particolare...forse per una questione di offset Dell op amp..in quanto ho due resistenze uguali sui suoi ingressi.....
Credo che la 13 k mi realizza il partitore di ingresso con il potenziometro quella in reazione nn credo abbia una funzione particolare...forse per una questione di offset Dell op amp..in quanto ho due resistenze uguali sui suoi ingressi.....
0
voti
Quest'anno (il terzo di ingegneria) affronteremo gli operazionali in complementi di analogica, tuttavia sarei interessato anch'io al momento a comprendere le due resistenze agli ingressi dell'operazionale. Da quel che posso immaginare dovrebbero servire a creare un partitore insieme alla resistenza interna dell'integrato, è corretto? Allora perché non affidarsi solamente al potenziometro per ottenere la tensione di riferimento voluta tralasciando le resistenze?
-

marioursino
5.687 3 9 13 - G.Master EY

- Messaggi: 1598
- Iscritto il: 5 dic 2009, 4:32
0
voti
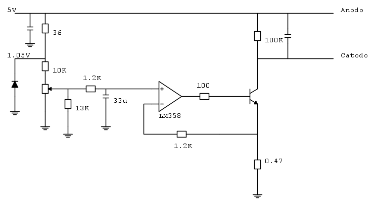
Ecco lo schema corretto.
16 messaggi
• Pagina 1 di 2 • 1, 2
Chi c’è in linea
Visitano il forum: Nessuno e 205 ospiti

Elettrotecnica e non solo (admin)
Un gatto tra gli elettroni (IsidoroKZ)
Esperienza e simulazioni (g.schgor)
Moleskine di un idraulico (RenzoDF)
Il Blog di ElectroYou (webmaster)
Idee microcontrollate (TardoFreak)
PICcoli grandi PICMicro (Paolino)
Il blog elettrico di carloc (carloc)
DirtEYblooog (dirtydeeds)
Di tutto... un po' (jordan20)
AK47 (lillo)
Esperienze elettroniche (marco438)
Telecomunicazioni musicali (clavicordo)
Automazione ed Elettronica (gustavo)
Direttive per la sicurezza (ErnestoCappelletti)
EYnfo dall'Alaska (mir)
Apriamo il quadro! (attilio)
H7-25 (asdf)
Passione Elettrica (massimob)
Elettroni a spasso (guidob)
Bloguerra (guerra)



