Ciao a tutti!
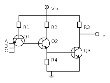
Ho il seguente schema che dovrebbe essere quello di una porta NOT realizzata con BJT.
Il problema è che proprio non riesco a capirne il funzionamento. Premetto che Q1 è un BJT con tre emettitori e che ad ogni emettitore è applicato un ingresso (nell'esempio sono tre).
Allora, se almeno un ingresso è a 0 logico (0.2 V), considerando la giunzione BE di Q1 a 0.7V, si ha che la sua base è a 0.9V. Solo che non conosco il potenziale del collettore in questo caso e quindi non posso dire se Q1 è interdetto, saturo o in zona attiva diretta (e quindi non posso continuare l'analisi)!
Analogamente se gli ingressi sono tutt'e tre a 1 logico (5V) ho la base a 5.7V ma non conosco la tensione di collettore...
Potreste aiutarmi voi ad uscirne?
Grazie in anticipo
Giulio
Porta NAND con BJT
Moderatori:
carloc,
g.schgor,
BrunoValente,
IsidoroKZ
4 messaggi
• Pagina 1 di 1
2
voti
Allora vediamo un po' :
- se i 3 emitter di Q1 sono a 0 volt, Q1 polarizzato da R1 va a portare la base di Q2 a massa.
- in queste condizioni Q2 sarà sicuramente interdetto
- stessa cosa vale anche per Q3 perché R4 gli tiene la base a massa
- in uscita avremo la tensione di alimentazione dovuta al pull-up di R3
- se i 3 emitter di Q1 sono a 5 V (oppure non connessi) R1 attraverso la giunzione B-C (che si comporta da diodo) andrà a polarizzare Q2
- Q2 fornendo tensione a Q3 gli fara cortocircuitare R3 a massa
- in uscita avremo 0 volt
Ciao
Giorgio
- se i 3 emitter di Q1 sono a 0 volt, Q1 polarizzato da R1 va a portare la base di Q2 a massa.
- in queste condizioni Q2 sarà sicuramente interdetto
- stessa cosa vale anche per Q3 perché R4 gli tiene la base a massa
- in uscita avremo la tensione di alimentazione dovuta al pull-up di R3
- se i 3 emitter di Q1 sono a 5 V (oppure non connessi) R1 attraverso la giunzione B-C (che si comporta da diodo) andrà a polarizzare Q2
- Q2 fornendo tensione a Q3 gli fara cortocircuitare R3 a massa
- in uscita avremo 0 volt
Ciao
Giorgio
-

giorgio25760
2.310 1 3 5 - G.Master EY

- Messaggi: 1700
- Iscritto il: 6 dic 2009, 17:02
- Località: Brescia
0
voti
Per verificare lo stato di saturazione/interdizione di un transistor, puoi anche controllare il rapporto corrente di collettore diviso per corrente di base: se e` meno del beta del transistore, questo e` in saturazione.
Quando uno degli ingressi e` basso, si ha una corrente di base di Q1 data da R1 (ordine di grandezza 1mA, anche se non hai messo i valori). La corrente di collettore di Q1 e` praticamente nulla, dalla base di un NPN si tira fuori al massimo qualche corrente di saturazione inversa, e questo vuol dire che il rapporto delle correnti IC/IB di Q1 e` bassissimo, e il transistore e` in saturazione.
E dato che stiamo cercando di cavare fuori corrente dalla base di un NPN, questo e` interdetto.
Osservazione en passant: se il circuito e` alimentato fra 0V e 5V, in condizioni statiche non ci potra` MAI essere una tensione di 5.7V. Stai usando un modello al di fuori del suo campo di validita`.
Quando uno degli ingressi e` basso, si ha una corrente di base di Q1 data da R1 (ordine di grandezza 1mA, anche se non hai messo i valori). La corrente di collettore di Q1 e` praticamente nulla, dalla base di un NPN si tira fuori al massimo qualche corrente di saturazione inversa, e questo vuol dire che il rapporto delle correnti IC/IB di Q1 e` bassissimo, e il transistore e` in saturazione.
E dato che stiamo cercando di cavare fuori corrente dalla base di un NPN, questo e` interdetto.
Osservazione en passant: se il circuito e` alimentato fra 0V e 5V, in condizioni statiche non ci potra` MAI essere una tensione di 5.7V. Stai usando un modello al di fuori del suo campo di validita`.
Per usare proficuamente un simulatore, bisogna sapere molta più elettronica di lui
Plug it in - it works better!
Il 555 sta all'elettronica come Arduino all'informatica! (entrambi loro malgrado)
Se volete risposte rispondete a tutte le mie domande
Plug it in - it works better!
Il 555 sta all'elettronica come Arduino all'informatica! (entrambi loro malgrado)
Se volete risposte rispondete a tutte le mie domande
4 messaggi
• Pagina 1 di 1
Chi c’è in linea
Visitano il forum: Google Adsense [Bot] e 45 ospiti

Elettrotecnica e non solo (admin)
Un gatto tra gli elettroni (IsidoroKZ)
Esperienza e simulazioni (g.schgor)
Moleskine di un idraulico (RenzoDF)
Il Blog di ElectroYou (webmaster)
Idee microcontrollate (TardoFreak)
PICcoli grandi PICMicro (Paolino)
Il blog elettrico di carloc (carloc)
DirtEYblooog (dirtydeeds)
Di tutto... un po' (jordan20)
AK47 (lillo)
Esperienze elettroniche (marco438)
Telecomunicazioni musicali (clavicordo)
Automazione ed Elettronica (gustavo)
Direttive per la sicurezza (ErnestoCappelletti)
EYnfo dall'Alaska (mir)
Apriamo il quadro! (attilio)
H7-25 (asdf)
Passione Elettrica (massimob)
Elettroni a spasso (guidob)
Bloguerra (guerra)


