Se questo e' quello che hai fatto, come fai a dire che il primo trasformatore e' OK?
Comunque, senza poter effettuare misure (assenza di tester) non e' possibile darti una risposta certa.

Moderatori:
carloc,
g.schgor,
BrunoValente,
IsidoroKZ


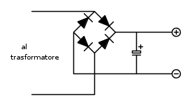
marco438 ha scritto:Non e' che ci siano da fare molte ricerche; hai un trasformatore, un ponte ed un condensatore.
Se dici che il trasformatore funziona, non ti restano che gli altri due particolari.




Visitano il forum: Nessuno e 278 ospiti