Orologio Digitale
Moderatori:
carloc,
g.schgor,
BrunoValente,
IsidoroKZ
0
voti
marco438 ha scritto:E tu metti un regolatore da 3A
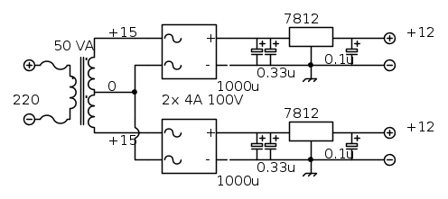
Una linea del trasformatore non mi riesce a garantire adeguata potenza.
Il trasformatore ha 25 VA per linea.
(25 VA)/15V=1.67 A ideali.
Ma poi in realtà la corrente erogata è sempre minore.
0
voti
0
voti
Se per l'alimentazione hai deciso cosi', per il resto mi sembra che ci siamo.
Nello schema dell'alimentatore hai indicato tutti i condensatori come elettrolitici, ma solo quello da 1000uF (puoi anche metterlo piu piccolo) lo e'.
Gli altri sono plastici o ceramici non polarizzati.
Nello schema dell'alimentatore hai indicato tutti i condensatori come elettrolitici, ma solo quello da 1000uF (puoi anche metterlo piu piccolo) lo e'.
Gli altri sono plastici o ceramici non polarizzati.
marco
Chi c’è in linea
Visitano il forum: Google Adsense [Bot] e 119 ospiti

Elettrotecnica e non solo (admin)
Un gatto tra gli elettroni (IsidoroKZ)
Esperienza e simulazioni (g.schgor)
Moleskine di un idraulico (RenzoDF)
Il Blog di ElectroYou (webmaster)
Idee microcontrollate (TardoFreak)
PICcoli grandi PICMicro (Paolino)
Il blog elettrico di carloc (carloc)
DirtEYblooog (dirtydeeds)
Di tutto... un po' (jordan20)
AK47 (lillo)
Esperienze elettroniche (marco438)
Telecomunicazioni musicali (clavicordo)
Automazione ed Elettronica (gustavo)
Direttive per la sicurezza (ErnestoCappelletti)
EYnfo dall'Alaska (mir)
Apriamo il quadro! (attilio)
H7-25 (asdf)
Passione Elettrica (massimob)
Elettroni a spasso (guidob)
Bloguerra (guerra)







