Cos'è ElectroYou | Login Iscriviti

ElectroYou - la comunità dei professionisti del mondo elettrico

Alimentatore variabile con LM317

Elettronica lineare e digitale: didattica ed applicazioni

Moderatori: Foto Utentecarloc, Foto Utenteg.schgor, Foto UtenteBrunoValente, Foto UtenteIsidoroKZ

0
voti

[21] Re: Alimentatore variabile con LM317

Messaggioda Foto UtenteMorK » 23 set 2011, 14:18

Ok!perfetto...farò questo piccolo sforzo...il download ha solo l'eseguibile?non ha installazione da quello che vedo...
allora a più tardi per lo schema... :ok:
Avatar utente
Foto UtenteMorK
15 1 4
New entry
New entry
 
Messaggi: 98
Iscritto il: 15 set 2011, 13:54

0
voti

[22] Re: Alimentatore variabile con LM317

Messaggioda Foto UtenteMorK » 23 set 2011, 19:08

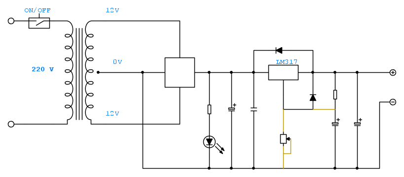
Ecco realizzato lo schema dell'alimentatore con fidocadJ(tra l'altro software semplice ed intuitivo :ok: )nell'incertezza nel collegare un potenziometro lineare all'LM317 ho inserito uno switch a 5pos,sicuramente molto più professionale dal lato tecnico/estetico ma anche impegnativo (per me) nel calcolo delle resistenze da applicare.
Per quanto riguarda invece gli altri componenti è tutto da calcolare questo è solo il concetto da cui vorrei partire per il successivo sviluppo...
Che ne pensate?
P.S.non fate caso al testo di alcuni componenti stavo provando il cad
Allegati
Cattura.PNG
Cattura.PNG (42.23 KiB) Osservato 7267 volte
Avatar utente
Foto UtenteMorK
15 1 4
New entry
New entry
 
Messaggi: 98
Iscritto il: 15 set 2011, 13:54

0
voti

[23] Re: Alimentatore variabile con LM317

Messaggioda Foto Utentemarco438 » 23 set 2011, 19:23

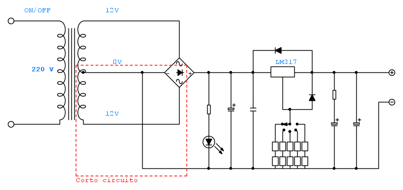
Se disegni in fidocadj e poi posti lo schema come immagine, tutto quello che hai fatto non e' servito a nulla.
Una volta disegnato lo schema, devi selezionarlo, quindi copiarlo con CtrlC o con il mouse; fatto questo, devi cliccare (nel messaggio da inviare) su fcd e incollare lo schema tra i due tag che appaiono con CtrlV o con il mouse.
Ho gia' notato un errore nei collegamenti che, se avessi fatto come ho spiegato, avrei potuto agevolmente correggere. Ora, invece, sarei costretto a spiegarti dove hai sbagliato sperando di farmi capire.
Tutto quanto premesso, la tua idea del commutatore non e' sbagliata ma, calcolare con precisione le tensioni di uscita - considerata la tolleranza delle resistenze - e' quanto meno utopistico. Non avrai mai in uscita la tensione esatta che ti sei prefisso di avere se non selezionando accuratamente tali resistenze ed ammesso di trovare i valori commerciali adatti.
Per questo si usa normalmente un potenziometro che, nel tuo caso, dovrebbe avere il valore di 2.2Kohm.
O_/

.






.







.
marco
Avatar utente
Foto Utentemarco438
37,1k 7 11 13
-EY Legend-
-EY Legend-
 
Messaggi: 16323
Iscritto il: 24 mar 2010, 15:09
Località: Versilia

0
voti

[24] Re: Alimentatore variabile con LM317

Messaggioda Foto UtenteMorK » 23 set 2011, 19:28

provo ad inviarti lo schema


non so se ho eseguito l'operazione giusta,lo spero
Avatar utente
Foto UtenteMorK
15 1 4
New entry
New entry
 
Messaggi: 98
Iscritto il: 15 set 2011, 13:54

1
voti

[25] Re: Alimentatore variabile con LM317

Messaggioda Foto Utentemarco438 » 23 set 2011, 19:45




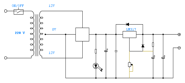
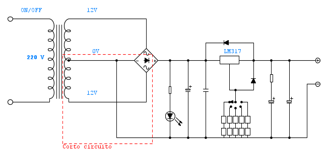
Purtroppo non hai seguito le istruzioni; comunque questo e' il tuo schema in fidocadj
Sotto, lo schema modificato; come puoi vedere avevi dimenticato un collegamento che, insieme al potenziometro aggiunto, sono disegnati in arancio.



Per l'inserimento, devi prima selezionare fcd e poi incollare tra i tag, o meglio, con CtrlV.
O_/
marco
Avatar utente
Foto Utentemarco438
37,1k 7 11 13
-EY Legend-
-EY Legend-
 
Messaggi: 16323
Iscritto il: 24 mar 2010, 15:09
Località: Versilia

0
voti

[26] Re: Alimentatore variabile con LM317

Messaggioda Foto Utentemarco438 » 23 set 2011, 19:47

Vedo che, mentre scrivevo, qualcuno a provveduto alla correzione.
marco
Avatar utente
Foto Utentemarco438
37,1k 7 11 13
-EY Legend-
-EY Legend-
 
Messaggi: 16323
Iscritto il: 24 mar 2010, 15:09
Località: Versilia

2
voti

[27] Re: Alimentatore variabile con LM317

Messaggioda Foto UtenteCandy » 23 set 2011, 19:49



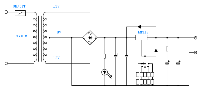
Schema corretto, mancano tutti i valori e sigle:
Avatar utente
Foto UtenteCandy
32,5k 7 10 13
CRU - Account cancellato su Richiesta utente
 
Messaggi: 10123
Iscritto il: 14 giu 2010, 22:54

0
voti

[28] Re: Alimentatore variabile con LM317

Messaggioda Foto UtenteCandy » 23 set 2011, 19:51

marco438 ha scritto:Vedo che, mentre scrivevo, qualcuno a provveduto alla correzione.

Ti fanno gli scherzi...
Avatar utente
Foto UtenteCandy
32,5k 7 10 13
CRU - Account cancellato su Richiesta utente
 
Messaggi: 10123
Iscritto il: 14 giu 2010, 22:54

0
voti

[29] Re: Alimentatore variabile con LM317

Messaggioda Foto Utentemarco438 » 23 set 2011, 20:02

candy ha scritto:Ti fanno gli scherzi...

Figurati, non me la prendo certo per cosi' poco anzi sono contento che il thread sia "ripulito"; mi sarei solo risparmiato un po' di lavoro e, tra l'altro, non ho notato l'errore nel collegamento del trasformatore.
O_/
marco
Avatar utente
Foto Utentemarco438
37,1k 7 11 13
-EY Legend-
-EY Legend-
 
Messaggi: 16323
Iscritto il: 24 mar 2010, 15:09
Località: Versilia

0
voti

[30] Re: Alimentatore variabile con LM317

Messaggioda Foto UtenteMorK » 23 set 2011, 20:21

Per quanto riguarda il cavo centrale ne ero sicuro che fosse errato perché da fidocadJ nn c'è un trasformatore con uscita a tre cavi(o forse per la fretta nn l'ho visto)
grazie per aver inserito il potenziometro non riuscivo a capire come andava collegato
il collegamento in parallelo tra condensatore e resistenza sulla bozza l'avevo disegnato ma....
i valori dei componenti sono da calcolare adesso dopo la vostra correzione sullo schema posso passare al calcolo dei loro valori...
Grazie per i suggerimenti,vi tengo informati sullo svolgimento e su eventuali dubbi...apresto :ok:
Avatar utente
Foto UtenteMorK
15 1 4
New entry
New entry
 
Messaggi: 98
Iscritto il: 15 set 2011, 13:54

PrecedenteProssimo

Torna a Elettronica generale

Chi c’è in linea

Visitano il forum: Nessuno e 190 ospiti