Vi scrivo poiché ho una semplice necessità, però non essendo un elettricista mi risulta difficile!
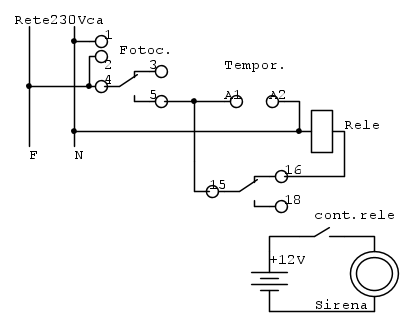
Ho in mano una fotocellula 240V con catarifrangente, un temporizzatore da 240 V e una sirena da 12 V.
E' mia intenzione costruire un rilevatore passaggi, la fotocellula con rifrangente quando il segnale
si interrompe fa suonare la sirena, ovviamente il temporizzatore mi permette di "allungare" il lasso di tempo
in cui la sirena suona. D'ovè il problema? Purtroppo non ricordo come si fa
.L'ho visto costruire anni fa, ma la memoria non mi aiuta...
Qualcuno di voi saprebbe farmi un semplice schema capibile anche per me (ignorante in materia!)
per creare ciò? Soprattutto non so come dare corrente alla sirena poiché il tensione è da 12, non da 220...
Ne ho necessità poiché devo proteggere l'entrata di un piccolo box adiacente alla mia abitazione.
Grazie mille a tutti!

Elettrotecnica e non solo (admin)
Un gatto tra gli elettroni (IsidoroKZ)
Esperienza e simulazioni (g.schgor)
Moleskine di un idraulico (RenzoDF)
Il Blog di ElectroYou (webmaster)
Idee microcontrollate (TardoFreak)
PICcoli grandi PICMicro (Paolino)
Il blog elettrico di carloc (carloc)
DirtEYblooog (dirtydeeds)
Di tutto... un po' (jordan20)
AK47 (lillo)
Esperienze elettroniche (marco438)
Telecomunicazioni musicali (clavicordo)
Automazione ed Elettronica (gustavo)
Direttive per la sicurezza (ErnestoCappelletti)
EYnfo dall'Alaska (mir)
Apriamo il quadro! (attilio)
H7-25 (asdf)
Passione Elettrica (massimob)
Elettroni a spasso (guidob)
Bloguerra (guerra)



