Un grazie ad IsidoroKZ per la spiegazione , poi proverò.
Per il sig. schgor ; Il motore ha l'eccitazione indipendente , Una misurazione con motore che gira a vuoto mi da 0.25 A (considerando che è un motoriduttore un certo carica lo deve avere in ogni caso) non sono sicuro sulla potenza , presumo che sia intorno ai 200watt. in quanto era alimentato con un trasformatore appunto da 200VA 220 V ,rotore con collettore e spazzole , se può servire le dimensioni sono : lunghezza circa 160 mm, diametro 90 mm.Si può invertire il senso di rotazione , non so se è più conveniente invertire la corrente di campo o quella di armatura. Saluti e grazie
azionamento motore cc
Moderatori:
SandroCalligaro,
mario_maggi,
fpalone
26 messaggi
• Pagina 2 di 3 • 1, 2, 3
0
voti
Non mi hai risposto su come viene alimentato il campo
(a 24 V? con che corrente?)
Per inversione sull'armatura dovresti disporre di un
deviatore doppio da almeno 15A, da collegare a questo modo:
Il contatto in uscita dalla batteria verrebbe sostituito da un PWM
che vari la tensione media applicata all'armatura.
Se sei d'accodo, vediamo come realizzare questo PWM.
(a 24 V? con che corrente?)
Per inversione sull'armatura dovresti disporre di un
deviatore doppio da almeno 15A, da collegare a questo modo:
Il contatto in uscita dalla batteria verrebbe sostituito da un PWM
che vari la tensione media applicata all'armatura.
Se sei d'accodo, vediamo come realizzare questo PWM.
0
voti
EDIT candy: per favore non fare citazioni dell'intero messaggio, sopratutto se è quello precedente. Inutile ripetizione.
Anche l'uso errato delle unità di misura, come ho corretto sotto, non è bello a vedere.
Salve , il campo è alimentato separatamente a 24 v V , per quanto riguarda il deviatore non dovrebbe essere un problema , in ogni caso potrei sostituirlo con un doppio contattore della portata necessaria , poiché dispongo di un trasformatore con due uscite una a 24v V e una a 48v V
vorrei usare quello per alimentare il tutto. grazie per l'interessamento.
Anche l'uso errato delle unità di misura, come ho corretto sotto, non è bello a vedere.
Salve , il campo è alimentato separatamente a 24 v V , per quanto riguarda il deviatore non dovrebbe essere un problema , in ogni caso potrei sostituirlo con un doppio contattore della portata necessaria , poiché dispongo di un trasformatore con due uscite una a 24v V e una a 48v V
vorrei usare quello per alimentare il tutto. grazie per l'interessamento.
0
voti
Ecco un esempio di quello che si può fare:
Qui il motore è a 12V, per 24 V occorre ricavare una
tensione di 12V per il circuito di controllo del 555,
lasciando il 24 V solo per il motore.
Qui il motore è a 12V, per 24 V occorre ricavare una
tensione di 12V per il circuito di controllo del 555,
lasciando il 24 V solo per il motore.
0
voti
questo dovrebbe essere lo schema completo per l'azionamento,si tratta di aggiungere il valore delle resistenze e dei condensatori,(C1,C2 C3 R2, R3) ho ricavato la tensione 12v con una resistenza ma non sono sicuro che vada bene.vediamo i suggerimenti.
0
voti
Cominciamo col vedere come ricavi la tensione continua a 24 V.
Hai un trasformatore da 200W (con secondario da quanti V?),
un ponte raddrizzatore (ne dovrebbe bastare uno, visto che
anche il campo è a 12V).
Poi veniamo al PWM. sconsiglierei un transistor di potenza.
Meglio usare Mosfet (come indicato nello schema PWM Controller)
Poi manca nel tuo schema il diodo in antiparallelo al motore
(va messo a monte del commutatore del senso di marcia).
Hai un trasformatore da 200W (con secondario da quanti V?),
un ponte raddrizzatore (ne dovrebbe bastare uno, visto che
anche il campo è a 12V).
Poi veniamo al PWM. sconsiglierei un transistor di potenza.
Meglio usare Mosfet (come indicato nello schema PWM Controller)
Poi manca nel tuo schema il diodo in antiparallelo al motore
(va messo a monte del commutatore del senso di marcia).
0
voti
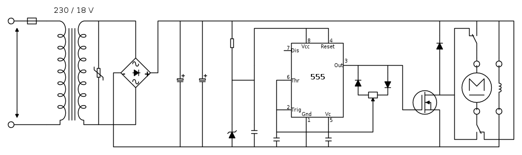
Salve , ecco il nuovo schema spero che vada meglio , sono sempre incerto sull'ottenimento della tensione 12v , grazie per i suggerimenti
0
voti
Visto che insisti nel produrre schemi indecifrabili, ti posto io la base su cui lavorare. (Il tuo ultimo schema mi ha fatto venire un dubbio: se forse di origini arabe?)
Ora, non ho volutamente messo valori numerici, perché non ho seguito il thread, ma ho solo cercato di decifrare cosa volevi fare, e ti ho rifatto lo schema base, che ora svilupperai come credi.
Però, riparti da questa base.
Gli schemi elettrici si leggono da sinistra verso destra e dall'alto verso il basso... non il contrario.
Ora, non ho volutamente messo valori numerici, perché non ho seguito il thread, ma ho solo cercato di decifrare cosa volevi fare, e ti ho rifatto lo schema base, che ora svilupperai come credi.
Però, riparti da questa base.
Gli schemi elettrici si leggono da sinistra verso destra e dall'alto verso il basso... non il contrario.
-

Candy
32,5k 7 10 13 - CRU - Account cancellato su Richiesta utente
- Messaggi: 10123
- Iscritto il: 14 giu 2010, 22:54
0
voti
Ringrazio candy per i preziosi consigli ; in realtà non ho mai disegnato schemi elettrici se non per mio uso personale , non sono di origini arabe ,però mi veniva spontaneo partire da destra. I dati sono motore 24 V CC alimentazione separata del campo , potenza circa 200W ,ma a questo punto direi che lo schema è completo basta aggiungere il valore dei condensatori
elettrolitici e direi che ci siamo.
elettrolitici e direi che ci siamo.
26 messaggi
• Pagina 2 di 3 • 1, 2, 3
Chi c’è in linea
Visitano il forum: Nessuno e 4 ospiti

Elettrotecnica e non solo (admin)
Un gatto tra gli elettroni (IsidoroKZ)
Esperienza e simulazioni (g.schgor)
Moleskine di un idraulico (RenzoDF)
Il Blog di ElectroYou (webmaster)
Idee microcontrollate (TardoFreak)
PICcoli grandi PICMicro (Paolino)
Il blog elettrico di carloc (carloc)
DirtEYblooog (dirtydeeds)
Di tutto... un po' (jordan20)
AK47 (lillo)
Esperienze elettroniche (marco438)
Telecomunicazioni musicali (clavicordo)
Automazione ed Elettronica (gustavo)
Direttive per la sicurezza (ErnestoCappelletti)
EYnfo dall'Alaska (mir)
Apriamo il quadro! (attilio)
H7-25 (asdf)
Passione Elettrica (massimob)
Elettroni a spasso (guidob)
Bloguerra (guerra)





