Ciao a tutti,
mi trovo nella necessità di dover misurare o, più propriamente, imporre un limite di corrente su un ponte H che pilota un trasformatore.
Due dati:
Vbus: 310Vdc (da rete raddrizzata e filtrata)
Fsw: 40Khz
Imax: 20A
Pensavo di inserire un TA che funzioni a frequenza idonea e di gestirlo con un front-end analogico che termini con un comparatore in modo da attivare un segnale logico di fault al superamento della soglia di corrente di 20A. Mi piacerebbe che questa soglia fosse regolabile diciamo tra i 15 e i 25A tramite magari un trimmer multigiro per avere un aggiustamento fine....
Dispongo già di questi TA: http://www.coilcraft.com/pdf_viewer/sho ... :senhi.pdf
modello CS1100L.
Ora, la prima domanda riguarda il posizionamento del sensore:
Meglio nella posizione A o nella posizione B ?
Pensavo a grandi linee di fare uno stadio di amplificazione e, nel caso della pos B ritengo anche di dover fare un raddrizzatore ideale (giusto?). Come faccio a filtrare il segnale ed a ricostruire la corretta funzione di trasferimento data dalla corrente a 40Khz su un segnale analogico in tensione ?
Tale segnale lo vorrei con una dinamica 0-5V in modo da gestirlo poi con un comparatore per attivare l'uscita logica di cui necessito.... il trimmer di regolazione lo prevederei sul comparatore in modo da regolare la soglia di innesco.
La prima idea che ho avuto è quella di fare un filtro passa basso ad operazionale ma non so se poi riuscirei ad avere una funzione di trasferimento lineare....
Forse si devono usare quei convertiori true-rms to DC ma costano una fucilata e volevo farlo in economia... del resto non mi serve la misura ma solo una soglia di protezione.
Mi date una mano ?
Grazie !
Misura di corrente su ponte H 40 kHz
Moderatori:
carloc,
g.schgor,
BrunoValente,
IsidoroKZ
12 messaggi
• Pagina 1 di 2 • 1, 2
0
voti
Quando dicono di usare FidocadJ per i disegni, un motivo c'e`: avevo gia` scritto tutta la risposta, sono andato a vedere il disegno, ingrandendolo, e ho perso la risposta
. Perche' per la tua comodita` devo scrivere due volte la mia risposta?
Per usare proficuamente un simulatore, bisogna sapere molta più elettronica di lui
Plug it in - it works better!
Il 555 sta all'elettronica come Arduino all'informatica! (entrambi loro malgrado)
Se volete risposte rispondete a tutte le mie domande
Plug it in - it works better!
Il 555 sta all'elettronica come Arduino all'informatica! (entrambi loro malgrado)
Se volete risposte rispondete a tutte le mie domande
0
voti
La misura meglio forse in serie al primario, non dovrebbe esserci corrente continua nell'altra sezione dipende da come e` fatto il controllo, e il TA potrebbe non scaricarsi, almeno qui c'e` qualche probabilita` in piu`.
Sull'uscita del TA 4 diodi veloci a ponte e una resistenza di misura. Non serve un raddrizazzatore attivo.
Sull'uscita del TA 4 diodi veloci a ponte e una resistenza di misura. Non serve un raddrizazzatore attivo.
Per usare proficuamente un simulatore, bisogna sapere molta più elettronica di lui
Plug it in - it works better!
Il 555 sta all'elettronica come Arduino all'informatica! (entrambi loro malgrado)
Se volete risposte rispondete a tutte le mie domande
Plug it in - it works better!
Il 555 sta all'elettronica come Arduino all'informatica! (entrambi loro malgrado)
Se volete risposte rispondete a tutte le mie domande
0
voti
Grazie per la risposta.
Il controllo è un semplice PWM center aligned con DC regolabile da 0 a 100%. In effetti sull'ingresso V+ del ponte mi avrebbe fatto più comodo ma avevo anch'io il dubbio che potesse non funzionare... in quel punto la corrente sarebbe una pulsata a 80Khz (considerando il mezzo periodo del PWM sul primario ma con corrente sempre nello stesso verso).
Quindi, mettendolo sul primario ci passerebbe la corrente a 40Khz ed il TA si scaricherebbe sicuramente visto che avremmo l'inversione della polarità.
Quindi tu mi consigli un full bridge rectifier in uscita al TA fatto con diodo veloci.... ma come mi regolo rispetto alla Vf dei diodi? anche se uso schottky e considerando la corrente molto bassa avrei almeno 200/400 mV per diodo e quindi 400/800mV totali sulle maglie serie in uscita dal rettificatore... dovrei tenerne conto nella misura...
Una volta raddrizzata, sulla resistenza di misura questa mi diventa un'onda quadra a 80Khz con DC proporzionale alla corrente misurata.... come la trasformo in una continua con valore in tensione proporzionale al valore RMS della corrente che sto misurando ?
Il controllo è un semplice PWM center aligned con DC regolabile da 0 a 100%. In effetti sull'ingresso V+ del ponte mi avrebbe fatto più comodo ma avevo anch'io il dubbio che potesse non funzionare... in quel punto la corrente sarebbe una pulsata a 80Khz (considerando il mezzo periodo del PWM sul primario ma con corrente sempre nello stesso verso).
Quindi, mettendolo sul primario ci passerebbe la corrente a 40Khz ed il TA si scaricherebbe sicuramente visto che avremmo l'inversione della polarità.
Quindi tu mi consigli un full bridge rectifier in uscita al TA fatto con diodo veloci.... ma come mi regolo rispetto alla Vf dei diodi? anche se uso schottky e considerando la corrente molto bassa avrei almeno 200/400 mV per diodo e quindi 400/800mV totali sulle maglie serie in uscita dal rettificatore... dovrei tenerne conto nella misura...
Una volta raddrizzata, sulla resistenza di misura questa mi diventa un'onda quadra a 80Khz con DC proporzionale alla corrente misurata.... come la trasformo in una continua con valore in tensione proporzionale al valore RMS della corrente che sto misurando ?
0
voti
La cosa buona dei TA e` che i diodi sull'uscita non danno nessun effetto. La corrente di primario viene passata sul secondario, passa nei diodi facendo una caduta di tensione, che non ha importanza perche' la grandezza pilotata e` la corrente, e poi nella resistenza generando una tensione proporzionale alla resistenza.
Per far diventare l'onda quadra una continua proporzionale al valore efficace non lo so, non conosco soluzioni semplici, tranne il solito convertitore AC->RMS.
IL DC puo` proprio diventare 100%? Per resettare il trasfo e` di solito necessario avere un piccolo intervallo di tempo in cui il primario e` aperto, staccato da tutto. Altrimenti c'e` sempre il rischio che ci sia una DC.
Bisognerebbe analizzare come viene pilotato il circuito e che cosa c'e` sul secondario.
Per far diventare l'onda quadra una continua proporzionale al valore efficace non lo so, non conosco soluzioni semplici, tranne il solito convertitore AC->RMS.
IL DC puo` proprio diventare 100%? Per resettare il trasfo e` di solito necessario avere un piccolo intervallo di tempo in cui il primario e` aperto, staccato da tutto. Altrimenti c'e` sempre il rischio che ci sia una DC.
Bisognerebbe analizzare come viene pilotato il circuito e che cosa c'e` sul secondario.
Per usare proficuamente un simulatore, bisogna sapere molta più elettronica di lui
Plug it in - it works better!
Il 555 sta all'elettronica come Arduino all'informatica! (entrambi loro malgrado)
Se volete risposte rispondete a tutte le mie domande
Plug it in - it works better!
Il 555 sta all'elettronica come Arduino all'informatica! (entrambi loro malgrado)
Se volete risposte rispondete a tutte le mie domande
1
voti
Interessante questa cosa del raddrizzatore in uscita.. non avevo pensato al fatto che in uscita fosse sempre una corrente!
Il DC può diventare 100% virtualmente visto che abbiamo sempre 500ns ca. di dead time sulle commutazioni degli IGBTe poi, in ogni caso, essendo un controllo ad anello chiuso dal secondario il 100% DC vorrebbe dire una marea di energia che sarebbe ben oltre quella che vorrei impostare come limite !
La macchina in questione è una saldatrice ed il secondario vede un rettificatore a ponte con diodi ultrafast (lo so è poco efficiente ed avrei dovuto farlo sincrono a MOS ma prima voglio farla funzionare così) ed una maglia di uscita con un'induttanza serie per filtrare il ripple di corrente e quindi il carico che consta nell'arco elettrico prodotto per la saldatura; ovviamente niente condensatori!
La retroazione che regola il DC sul primario viene eseguita tramite un sensore di corrente ad effetto hall posto sul secondario. C'è anche un secondo controllo di sicurezza fatto con un comparatore, sempre sul secondario, che taglia il PWM nel caso in cui la tensione sulla pinza di saldatura superi un valore prefissato a ca 50V.... questo serve ad evitare che si generi una tensione troppo alta sul secondario quando il circuito è aperto come ad esempio avviene in caso di allungamento o interruzione dell'arco o quando l'arco non è ancora scoccato.
Il secondario è in pratica una maglia controllata in corrente e limitata in tensione.
Secondo te, volendo evitare di spendere un mutuo per un convertitore monolitico RMS==>DC, è possibile approssimare un passa-basso ad operazionale e cercare di calcolare a grandi linee una funzione di trasferimento che mi permetta di avere un minimo di funzione lineare tra il valore RMS e la continua in uscita ?
Lo so che non è semplice ma si tratta di un controllo di sicurezza e metterci un convertitore RMS/DC mi pare un vero spreco.... magari con un integratore e una combinazione di operazionali...
Il DC può diventare 100% virtualmente visto che abbiamo sempre 500ns ca. di dead time sulle commutazioni degli IGBTe poi, in ogni caso, essendo un controllo ad anello chiuso dal secondario il 100% DC vorrebbe dire una marea di energia che sarebbe ben oltre quella che vorrei impostare come limite !
La macchina in questione è una saldatrice ed il secondario vede un rettificatore a ponte con diodi ultrafast (lo so è poco efficiente ed avrei dovuto farlo sincrono a MOS ma prima voglio farla funzionare così) ed una maglia di uscita con un'induttanza serie per filtrare il ripple di corrente e quindi il carico che consta nell'arco elettrico prodotto per la saldatura; ovviamente niente condensatori!
La retroazione che regola il DC sul primario viene eseguita tramite un sensore di corrente ad effetto hall posto sul secondario. C'è anche un secondo controllo di sicurezza fatto con un comparatore, sempre sul secondario, che taglia il PWM nel caso in cui la tensione sulla pinza di saldatura superi un valore prefissato a ca 50V.... questo serve ad evitare che si generi una tensione troppo alta sul secondario quando il circuito è aperto come ad esempio avviene in caso di allungamento o interruzione dell'arco o quando l'arco non è ancora scoccato.
Il secondario è in pratica una maglia controllata in corrente e limitata in tensione.
Secondo te, volendo evitare di spendere un mutuo per un convertitore monolitico RMS==>DC, è possibile approssimare un passa-basso ad operazionale e cercare di calcolare a grandi linee una funzione di trasferimento che mi permetta di avere un minimo di funzione lineare tra il valore RMS e la continua in uscita ?
Lo so che non è semplice ma si tratta di un controllo di sicurezza e metterci un convertitore RMS/DC mi pare un vero spreco.... magari con un integratore e una combinazione di operazionali...
1
voti
Perche' vuoi vedere il valore RMS sul primario? In uscita c'e` una induttanza che ricava il valore medio della forma d'onda. Anche per la protezione potrebbe essere piu` importante il valore di picco, non quello efficace.
Comunque se metti dopo il ponte di diodi una resistenza da 25 ohm NON INDUTTIVA dovresti avere un valore di picco di 5V e passando per un filtro passa basso, eventualmente a operazionale hai una tensione proporzionale alla tensione media. Per compensare l'eventuale induttanza della R di sense si puo` mettere una rete RC con il polo messo sullo zero del gruppo RL.
Comunque se metti dopo il ponte di diodi una resistenza da 25 ohm NON INDUTTIVA dovresti avere un valore di picco di 5V e passando per un filtro passa basso, eventualmente a operazionale hai una tensione proporzionale alla tensione media. Per compensare l'eventuale induttanza della R di sense si puo` mettere una rete RC con il polo messo sullo zero del gruppo RL.
Per usare proficuamente un simulatore, bisogna sapere molta più elettronica di lui
Plug it in - it works better!
Il 555 sta all'elettronica come Arduino all'informatica! (entrambi loro malgrado)
Se volete risposte rispondete a tutte le mie domande
Plug it in - it works better!
Il 555 sta all'elettronica come Arduino all'informatica! (entrambi loro malgrado)
Se volete risposte rispondete a tutte le mie domande
0
voti
Forse si puo` fare una approssimazione del valore RMS, usando solo circuiti lineari, con errori non troppo elevati. Pero` bisogna vedere se ne vale la pena e poi mi servono un po' di ore per fare i conti e pensarci su.
I conti sono facili, ma visto che comunque li sbaglierei un po' di volte, meglio se li faccio solo se sono assolutamente indispensabili.
La funzione RMS e quella approssimata sono in questa figura:
La curva viola e` quella corretta: RMS in funzione del duty cycle, quella blu e` l'approssimazione fatta con i minimi quadrati, ma credo si possa migliorare un pochino.
I conti sono facili, ma visto che comunque li sbaglierei un po' di volte, meglio se li faccio solo se sono assolutamente indispensabili.
La funzione RMS e quella approssimata sono in questa figura:
La curva viola e` quella corretta: RMS in funzione del duty cycle, quella blu e` l'approssimazione fatta con i minimi quadrati, ma credo si possa migliorare un pochino.
Per usare proficuamente un simulatore, bisogna sapere molta più elettronica di lui
Plug it in - it works better!
Il 555 sta all'elettronica come Arduino all'informatica! (entrambi loro malgrado)
Se volete risposte rispondete a tutte le mie domande
Plug it in - it works better!
Il 555 sta all'elettronica come Arduino all'informatica! (entrambi loro malgrado)
Se volete risposte rispondete a tutte le mie domande
0
voti
uhmmm, vero !!
.. mi concentro sul valore RMS quando invece in realtà sarebbe forse meglio vedere il picco !
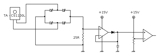
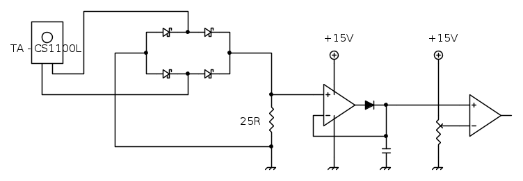
Ok quindi con 25ohm avrei 5V giustamente visto che il TA ha 100 spire e con 20A avrei 200mA.
Secondo te così potrebbe andare:
Non sono sicuro se inserire lo stadio rilevatore di picco sia una buona idea oppure no.... che ne pensi ?
A me serve che il comparatore di uscita dia un segnale digitale di fault ma che questo rientri non appena rientra il fault... senza il rilevatore di picco ho paura che sia troppo rapido ma con magari è troppo lungo.
Userei una 15V per alimentare il tutto visto che ce l'ho e che mi tornerebbe comodo per entrare su uno degli ingressi optoisolati della scheda micro.
.. mi concentro sul valore RMS quando invece in realtà sarebbe forse meglio vedere il picco !Ok quindi con 25ohm avrei 5V giustamente visto che il TA ha 100 spire e con 20A avrei 200mA.
Secondo te così potrebbe andare:
Non sono sicuro se inserire lo stadio rilevatore di picco sia una buona idea oppure no.... che ne pensi ?
A me serve che il comparatore di uscita dia un segnale digitale di fault ma che questo rientri non appena rientra il fault... senza il rilevatore di picco ho paura che sia troppo rapido ma con magari è troppo lungo.
Userei una 15V per alimentare il tutto visto che ce l'ho e che mi tornerebbe comodo per entrare su uno degli ingressi optoisolati della scheda micro.
12 messaggi
• Pagina 1 di 2 • 1, 2
Chi c’è in linea
Visitano il forum: Nessuno e 171 ospiti

Elettrotecnica e non solo (admin)
Un gatto tra gli elettroni (IsidoroKZ)
Esperienza e simulazioni (g.schgor)
Moleskine di un idraulico (RenzoDF)
Il Blog di ElectroYou (webmaster)
Idee microcontrollate (TardoFreak)
PICcoli grandi PICMicro (Paolino)
Il blog elettrico di carloc (carloc)
DirtEYblooog (dirtydeeds)
Di tutto... un po' (jordan20)
AK47 (lillo)
Esperienze elettroniche (marco438)
Telecomunicazioni musicali (clavicordo)
Automazione ed Elettronica (gustavo)
Direttive per la sicurezza (ErnestoCappelletti)
EYnfo dall'Alaska (mir)
Apriamo il quadro! (attilio)
H7-25 (asdf)
Passione Elettrica (massimob)
Elettroni a spasso (guidob)
Bloguerra (guerra)


