Cos'è ElectroYou | Login Iscriviti

ElectroYou - la comunità dei professionisti del mondo elettrico

Domanda su circuto led a ritmo di musica

Elettronica lineare e digitale: didattica ed applicazioni

Moderatori: Foto Utentecarloc, Foto Utenteg.schgor, Foto UtenteBrunoValente, Foto UtenteIsidoroKZ

0
voti

[1] Domanda su circuto led a ritmo di musica

Messaggioda Foto Utentedanielzw » 1 ott 2011, 12:58

Salve a tutti,
Dato che non so niente proprio del mondo dei circuiti mi potete dare alcune diritte ?
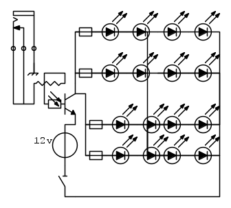
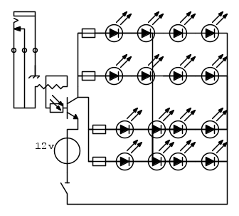
Come vedete nell'immagine c'è un circuito che ho trovato su internet volevo sapere cosa erano quei oggetti che ho riquadrato con il verde.
Grazie.
Immagine
Avatar utente
Foto Utentedanielzw
0 2
 
Messaggi: 8
Iscritto il: 30 set 2011, 22:31

0
voti

[2] Re: Domanda su circuto led a ritmo di musica

Messaggioda Foto Utentegyruss » 1 ott 2011, 15:37

Quello in alto a sinistra è un connettore jack femmina, quella in basso a destra invece è una resistenza. Il primo è quello dove andrai ad applicare il segnale "musicale" mentre il secondo serve per limitare la corrente dei led a cui è collegata.

Ciao, Marco.
Avatar utente
Foto Utentegyruss
50 1 3
New entry
New entry
 
Messaggi: 75
Iscritto il: 26 mar 2010, 13:01
Località: Torino

0
voti

[3] Re: Domanda su circuto led a ritmo di musica

Messaggioda Foto UtenteIsidoroKZ » 1 ott 2011, 16:13

Invece tutto il circuito nel suo complesso e` un circuito che non funziona :(

Manca il collegamento del riferimento all'emettitore del transistor, e una resistenza per limitare la corrente di base.
Per usare proficuamente un simulatore, bisogna sapere molta più elettronica di lui
Plug it in - it works better!
Il 555 sta all'elettronica come Arduino all'informatica! (entrambi loro malgrado)
Se volete risposte rispondete a tutte le mie domande
Avatar utente
Foto UtenteIsidoroKZ
121,2k 1 3 8
G.Master EY
G.Master EY
 
Messaggi: 21059
Iscritto il: 17 ott 2009, 0:00

0
voti

[4] Re: Domanda su circuto led a ritmo di musica

Messaggioda Foto Utentelelerelele » 1 ott 2011, 16:19

mi pare che questo circuito non funzioni!.


intanto mancherebbe il collegamento di massa tra il jack (sorgente di segnale) e il transistor con la sua rete di controllo.
questo filo dovrebbe collegare a massa il meno della batteria.

ma fatto questo sorge un altro problema, in base del transistor deve esserci un'altra resistenza per evitare di mandare in corto l'uscita della tua sorgente audio, e forse anche di mandare in fumo il tuo transistor. e magari anche un diodo, che da una parte eviterebbe di mandare in negativo la base del transistor e dall'altra potrebbe dare dei problemi alzando la soglia di conduzione di altri 0.6V.

se intendi postare schemi su questo forum è richiesto l'uso di fidocadj, per info ti allego link ad una pagina di un grande di questo forum, Foto UtenteRenzoDF, l'uso di questo programma schematico rende molto semplice sia la condivisione degli schemi sia la modifica da parte di chi ti vuole dare una mano.

eccoti il link: http://www.electroyou.it/renzodf/wiki/articolo13
Avatar utente
Foto Utentelelerelele
4.899 3 7 9
Master
Master
 
Messaggi: 5505
Iscritto il: 8 giu 2011, 8:57
Località: Reggio Emilia

0
voti

[5] Re: Domanda su circuto led a ritmo di musica

Messaggioda Foto Utentedanielzw » 1 ott 2011, 19:21

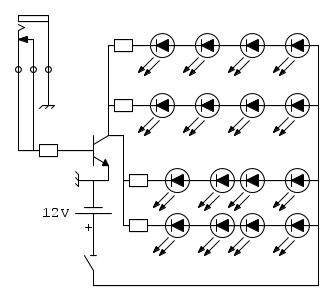
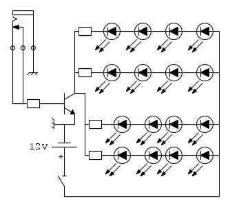
Ok,Riporto il progetto su FidoCadj e mi aiutate a modificarlo aggiungendo " il collegamento del riferimento all'emettitore del transistor " Che non ho capito cosa sia #-o
Avatar utente
Foto Utentedanielzw
0 2
 
Messaggi: 8
Iscritto il: 30 set 2011, 22:31

0
voti

[6] Re: Domanda su circuto led a ritmo di musica

Messaggioda Foto Utentemarco438 » 1 ott 2011, 19:49

Bravo!
O_/
marco
Avatar utente
Foto Utentemarco438
37,1k 7 11 13
-EY Legend-
-EY Legend-
 
Messaggi: 16323
Iscritto il: 24 mar 2010, 15:09
Località: Versilia

0
voti

[7] Re: Domanda su circuto led a ritmo di musica

Messaggioda Foto Utentedanielzw » 1 ott 2011, 23:58


Et voilà,ora mi potete dire cosa dovrei cambiare ? :?: :D
Avatar utente
Foto Utentedanielzw
0 2
 
Messaggi: 8
Iscritto il: 30 set 2011, 22:31

0
voti

[8] Re: Domanda su circuto led a ritmo di musica

Messaggioda Foto UtenteIsidoroKZ » 2 ott 2011, 0:07

Perche' hai girato tutti i led?

Dovrebbe essere cosi`:



Il circuito originale che avevi postato mi sembra gia` fatto con fidocad, da dove arriva?
Per usare proficuamente un simulatore, bisogna sapere molta più elettronica di lui
Plug it in - it works better!
Il 555 sta all'elettronica come Arduino all'informatica! (entrambi loro malgrado)
Se volete risposte rispondete a tutte le mie domande
Avatar utente
Foto UtenteIsidoroKZ
121,2k 1 3 8
G.Master EY
G.Master EY
 
Messaggi: 21059
Iscritto il: 17 ott 2009, 0:00

0
voti

[9] Re: Domanda su circuto led a ritmo di musica

Messaggioda Foto UtenteTardoFreak » 2 ott 2011, 1:55

Buon Dio! Ancora questo circuito? ||O ||O ||O
"La follia sta nel fare sempre la stessa cosa aspettandosi risultati diversi".
"Parla soltanto quando sei sicuro che quello che dirai è più bello del silenzio".
Rispondere è cortesia, ma lasciare l'ultima parola ai cretini è arte.
Avatar utente
Foto UtenteTardoFreak
73,9k 8 12 13
-EY Legend-
-EY Legend-
 
Messaggi: 15754
Iscritto il: 16 dic 2009, 11:10
Località: Torino - 3° pianeta del Sistema Solare

0
voti

[10] Re: Domanda su circuto led a ritmo di musica

Messaggioda Foto Utentedanielzw » 2 ott 2011, 11:23

Sinceramente l'ho trovato su google immagini e perciò ve l'ho postato.
Scusate un'altra domanda: Le masse dove si collegano ?
Grazie per l'aiuto ;)
Avatar utente
Foto Utentedanielzw
0 2
 
Messaggi: 8
Iscritto il: 30 set 2011, 22:31

Prossimo

Torna a Elettronica generale

Chi c’è in linea

Visitano il forum: Nessuno e 136 ospiti