fortunatamente i cavi arrivano fino a una centralina aggiuntiva di fianco al motore, quindi non ho dovuto sbudellare mezzo cruscotto e simili; in compenso, per andare a saldare 2 fili devo smontare un connettore di questa centralina, e avrei un po' paura di romperlo, devo studiarlo meglio.
Per lo schema postato, devo ancora provarlo, ma la domanda sorge spontanea: avendo una tensione cosi bassa, e una grossa percentuale di tolleranza su quei componenti, non si rischia di avere una lettura molto falsata?
Trasmettitore di pressione piezoresistivo
Moderatori:
carloc,
g.schgor,
BrunoValente,
IsidoroKZ
20 messaggi
• Pagina 2 di 2 • 1, 2
0
voti
0
voti
non credo che la lattura sia <<molto>> falsata.
magari è un circuitino che non ti permetterà di avere precisioni del bar, anche se dipende appunto dalla precisione del voltmetro e dalla tolleranza della rete resistiva, oltre che dalla taratura, e dal sensore.
magari è un circuitino che non ti permetterà di avere precisioni del bar, anche se dipende appunto dalla precisione del voltmetro e dalla tolleranza della rete resistiva, oltre che dalla taratura, e dal sensore.
-

lelerelele
4.899 3 7 9 - Master

- Messaggi: 5509
- Iscritto il: 8 giu 2011, 8:57
- Località: Reggio Emilia
0
voti
Non voglio arrivare ad avere la precisione perfetta al bar, ma sarà di sicuro più precisa di 4 tacche che si spengono a random..
0
voti
sicuramente.
e ti dirò dipiù il mio di 5 led se ne spengono solo 2 prima di rimanere a secco.
vorrei mettere anche il produttore dell'impianto....ma non vorrei andare contro regolamento,
dopo tutto quello che ho passato per renderlo appena decente, e non solo per l'indicazione a led, magari fosse così, avrei da mandarlo a piantare cipolle,
e' un vero schifo.
avrei anche fatto un pensero di farmelo io l'indicatore a led.
e ti dirò dipiù il mio di 5 led se ne spengono solo 2 prima di rimanere a secco.
vorrei mettere anche il produttore dell'impianto....ma non vorrei andare contro regolamento,
dopo tutto quello che ho passato per renderlo appena decente, e non solo per l'indicazione a led, magari fosse così, avrei da mandarlo a piantare cipolle,
e' un vero schifo.
avrei anche fatto un pensero di farmelo io l'indicatore a led.
-

lelerelele
4.899 3 7 9 - Master

- Messaggi: 5509
- Iscritto il: 8 giu 2011, 8:57
- Località: Reggio Emilia
0
voti
Rassegnati, è un problema comune: tra mio padre e mio fratello, ne ho viste 4 di vetture a gpl/metano, e col passare degli tempo, gli indicatori segnavano sempre meno, ma è tutta colpa dei distributori che fanno dei "pieni" sempre più scandalosi..
Tornando a noi, non ho ancora trovato un millivoltmetro digitale, quindi devo trovare una soluzione alternativa: non so perché ma l'idea di alzare la tensione, ovvero 0.018v in entrata e 0.1v in uscita, mi sembra la più fattibile..
Tornando a noi, non ho ancora trovato un millivoltmetro digitale, quindi devo trovare una soluzione alternativa: non so perché ma l'idea di alzare la tensione, ovvero 0.018v in entrata e 0.1v in uscita, mi sembra la più fattibile..
0
voti
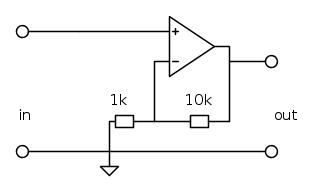
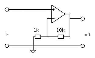
per avere un guadagno di 10 (con questi valori sarà in realtà 9.09) basta un circuito come questo.
ma quello chi mi chiedo è se ho 0.1V in uscita per ogni bar, a fondo scala avrò 25V!
E' comunque fattibile, oltre al problema che l'indicatore avrà il punto decimale dopo i 25.
---------------------------------------------------------------------------------------------------------------
se dovessi farlo io, con un PIC, a parte il tempo che non ho, (ci vorrebbero dei mesi), penso che con 10euro lo farei.
oppure se sei in gamba in elettronica (almeno un po), prova a guardare qua
http://doc.studenti.it/appunti/tdp/millivoltmetro-digitale.html
http://www.ariparma.it/aripr/content/millivoltmetro-digitale-tre-cifre
http://it.emcelettronica.com/tag/millivoltmetro
e come questi se fai una ricerca con google ne trovi una valanga.
ma quello chi mi chiedo è se ho 0.1V in uscita per ogni bar, a fondo scala avrò 25V!
E' comunque fattibile, oltre al problema che l'indicatore avrà il punto decimale dopo i 25.
---------------------------------------------------------------------------------------------------------------
se dovessi farlo io, con un PIC, a parte il tempo che non ho, (ci vorrebbero dei mesi), penso che con 10euro lo farei.
oppure se sei in gamba in elettronica (almeno un po), prova a guardare qua
http://doc.studenti.it/appunti/tdp/millivoltmetro-digitale.html
http://www.ariparma.it/aripr/content/millivoltmetro-digitale-tre-cifre
http://it.emcelettronica.com/tag/millivoltmetro
e come questi se fai una ricerca con google ne trovi una valanga.
-

lelerelele
4.899 3 7 9 - Master

- Messaggi: 5509
- Iscritto il: 8 giu 2011, 8:57
- Località: Reggio Emilia
0
voti
Il guadagno di uno stadio amplificatore come quello è: G=[1+(R1/R2)].
Da conti fatti il G è 11, non 9.09.
Saluti, Luca.
PS: anche io ho la macchina a metano, e adotto il sistema dei "chilometri"
Da conti fatti il G è 11, non 9.09.
Saluti, Luca.
PS: anche io ho la macchina a metano, e adotto il sistema dei "chilometri"
0
voti
E di che figurati, non serve che mi dai ragione
èra solo un appunto, una precisazione... e la tua è stata una svista, o un errore; fa nulla... siamo qui per questo direi.
PS: wow sono passato a stabilizzato
spero in lineare 
PS: wow sono passato a stabilizzato
0
voti
l'idea era appunto quella di avere 25v=250 bar, in questo modo con un semplice voltmetro decimale risolvevo tutto.
ora però mi è difficile costruire un millivolmetro, ma allo stesso modo mi è difficile comprendere e fare un circuitino come postato, quindi non saprei..
ora però mi è difficile costruire un millivolmetro, ma allo stesso modo mi è difficile comprendere e fare un circuitino come postato, quindi non saprei..
20 messaggi
• Pagina 2 di 2 • 1, 2
Chi c’è in linea
Visitano il forum: Nessuno e 79 ospiti

Elettrotecnica e non solo (admin)
Un gatto tra gli elettroni (IsidoroKZ)
Esperienza e simulazioni (g.schgor)
Moleskine di un idraulico (RenzoDF)
Il Blog di ElectroYou (webmaster)
Idee microcontrollate (TardoFreak)
PICcoli grandi PICMicro (Paolino)
Il blog elettrico di carloc (carloc)
DirtEYblooog (dirtydeeds)
Di tutto... un po' (jordan20)
AK47 (lillo)
Esperienze elettroniche (marco438)
Telecomunicazioni musicali (clavicordo)
Automazione ed Elettronica (gustavo)
Direttive per la sicurezza (ErnestoCappelletti)
EYnfo dall'Alaska (mir)
Apriamo il quadro! (attilio)
H7-25 (asdf)
Passione Elettrica (massimob)
Elettroni a spasso (guidob)
Bloguerra (guerra)

