Salve a tutti, vorrei capire come funziona un oscillatore realizzato cn LM311;
In particolare secondo quale criterio vengono dimensionati i resistori e come faccio a determinare la frequenza del segnale di output, scusate se chiedo cose banali;
allego il circuito di cui ho un'immagine, appena posso magari lo faccio con fidocadj,
Scusate se sto per dire una blasfemia, riferendomi all'immagine del circuito, non c'è bisogno di un segnale in ingresso variabile,affinchè il comparatore generi un'onda quadra?
Ricordo vagamente qualcosa dalle superiori sui generatori d'onda quadra realizzati tramite un comparatore, e tra l'altro spiegati veramente male...
In caso aveste qualche link è tutto bene accetto :)
Oscillatore con LM311
Moderatori:
carloc,
g.schgor,
BrunoValente,
IsidoroKZ
31 messaggi
• Pagina 1 di 4 • 1, 2, 3, 4
0
voti
darkweader ha scritto:non c'è bisogno di un segnale in ingresso variabile,affinchè il comparatore generi un'onda quadra?
Non mi sembra il caso. Se invece come ingresso variabile intendi un segnale sinusoidale si, ma si tratterebbe solamente di un comparatore ad isteresi, non di un oscillatore.
In ogni caso cerca in rete per square wave op amp oscillator, o vedi qui dove se ne spiega il funzionamento.
PS: vedo solo adesso il link di [user]cinque[/user]
0
voti
si intendevo sinusoidale, ma come fa a generare un segnale che oscilla se in ingresso non ho nessun segnale sinusoidale?
che differenza c'è tra un comparatore d'isteresi e un oscillatore?
comunque ora leggo il link che mi hai postato, per quanto riguarda la seconda risposta che mi è stata data, ovvero il link da cui ho anche preso l'immagine, non ho capito bene la spiegazione che riporta su quel sito, forse per demerito mio ma comunque non spiega il funzionamento che vorrei capire io, ripeto probabilmente per colpa mia che non capisco
che differenza c'è tra un comparatore d'isteresi e un oscillatore?
comunque ora leggo il link che mi hai postato, per quanto riguarda la seconda risposta che mi è stata data, ovvero il link da cui ho anche preso l'immagine, non ho capito bene la spiegazione che riporta su quel sito, forse per demerito mio ma comunque non spiega il funzionamento che vorrei capire io, ripeto probabilmente per colpa mia che non capisco
-

darkweader
61 2 7 - Frequentatore

- Messaggi: 271
- Iscritto il: 8 mag 2011, 17:32
2
voti
Un comparatore compara appunto la differenza di tensione fra l'ingresso invertente e non invertente. Per farla breve con questo si vuole commutare da un livello di tensione all'altro di uscita (
o
) in tempi brevi con un segnale di tipo Schmitt Trigger. Vedi questo articolo ed anche questo link (sembra che la traduzione italiana sia destinata a sparire).
Un oscillatore è un circuito in grado di generare una onda (quadrata, triangolare o sinusoidale).
Per qualche info vedi qui e qui. Se sei interessato agli oscillatori ci sono parecchi libri in commercio.
Il funzionamento del circuito della tua immagine è spiegato nel link al messaggio nº [2], basta solo fare una piccola traduzione.
o
) in tempi brevi con un segnale di tipo Schmitt Trigger. Vedi questo articolo ed anche questo link (sembra che la traduzione italiana sia destinata a sparire).Un oscillatore è un circuito in grado di generare una onda (quadrata, triangolare o sinusoidale).
Per qualche info vedi qui e qui. Se sei interessato agli oscillatori ci sono parecchi libri in commercio.
Il funzionamento del circuito della tua immagine è spiegato nel link al messaggio nº [2], basta solo fare una piccola traduzione.
0
voti
darkweader ha scritto: ma comunque non spiega il funzionamento che vorrei capire io, ripeto probabilmente per colpa mia che non capisco
A questo punto sarebbe opportuno che, usando qualche parola in piu' o qualche esempio, ci spiegassi che cosa "vorresti capire".
[user]Gohan[/user] ti ha dato tutte le indicazioni possibili, ma vedo che non sono sufficienti; quindi o ti spieghi meglio o.............................

marco
0
voti
Nooo dopo un ora ha scrivere mi è scaduta la pagina, ora dovrò riscrivere tutto,
intanto pongo qualche domanda , che magari nel teso precedente avrebbe solo creato confusione
Alle superiori il professore aveva spiegato che un comparatore es "alimentato??" a+12V e -12V forniva in uscita +12Vo -12V asseconda dell'input ai morsetti
nel caso del circuito,
è collegato a +5V e a 0V
che cosa significa ciò?
se fosse stato collegato a +5V e -5V?
nel link che ha postato cinque c'è scritto:
"LM311 is a comparator, It operates from single 5V supply or dual supplies,input current 150 nA, 50 V-50 mA output drive capability. TTL-CMOS compatible output."
quello che ho capito io è che può operare, che gli venga fornita singolarmente l'alimentazione (+5V, 0V)
oppure in modo duale (5V, -5V)
input currente è la corrente massima che può essere assorbita ai morsetti?
50mA è la corrente che avremo in uscita
50V ?? dipende dal guadagno ed è legato all'alimentazione o sono completamente fuoristrada?
siate pazienti se queste domande vi possono sembrare stupide, ora riposterò tutto quando
intanto pongo qualche domanda , che magari nel teso precedente avrebbe solo creato confusione
Alle superiori il professore aveva spiegato che un comparatore es "alimentato??" a+12V e -12V forniva in uscita +12Vo -12V asseconda dell'input ai morsetti
nel caso del circuito,
è collegato a +5V e a 0V
che cosa significa ciò?
se fosse stato collegato a +5V e -5V?
nel link che ha postato cinque c'è scritto:
"LM311 is a comparator, It operates from single 5V supply or dual supplies,input current 150 nA, 50 V-50 mA output drive capability. TTL-CMOS compatible output."
quello che ho capito io è che può operare, che gli venga fornita singolarmente l'alimentazione (+5V, 0V)
oppure in modo duale (5V, -5V)
input currente è la corrente massima che può essere assorbita ai morsetti?
50mA è la corrente che avremo in uscita
50V ?? dipende dal guadagno ed è legato all'alimentazione o sono completamente fuoristrada?
siate pazienti se queste domande vi possono sembrare stupide, ora riposterò tutto quando
-

darkweader
61 2 7 - Frequentatore

- Messaggi: 271
- Iscritto il: 8 mag 2011, 17:32
0
voti
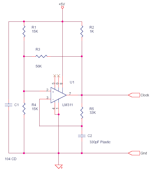
PARTE1:
"The Output is open collector so it can sink current but cannot source, a totem pole output can
source and sink. In this Circuit R2 is the source or pull-up."
L'uscita è un collettore aperto che può assorbire corrente ma non fornirla,
"a totem pole output can source and sink" non ne capisco il senso.
PARTE2:
"The Output being high or low depends on which input is more dominant or positive. If + or
non-inverting input is more positive than the - inverting input then output of LM311 is high
impedance or high Z as output transistor of LM311 is turned off, but output goes high due to R2
pull-up 1K, so you can apply a load of 10K and above for source. When the - input or inverting
input is more positive, output goes Low as transistor turns on, now a current of upto 50mA can
sink here, a LED or Relay can be driven."
L'uscita può essere elevata o bassa, dipende dallo stato dei morsetti d'ingresso, e in
particolare che il morsetto positivo "+" domini sul morsetto negativo "-" o viceversa.
Se "+" è più positivo, domina su "-" l'impedenza d'uscita dell'LM311 è un'elevata impedenza
come se fosse limpedenza del transistor di output dell'LM311, come se il transistor fosse
spento
[questa parte è un po' confusa, o sono io a renderla tale,
in ogni caso gli oamp sono costituiti da transistor, quindi che LM311 abbia un'alta impedenza
d'uscita significa che il transistor d'uscita ha una elevata impedenza,
in che modo questo si collega al fatto che il transistor sia spento?
ciò non dipende dal circuito di polarizzazione dello stesso?
ho pensato fosse solo un modo per dire elevata impedenza, quindi corrente nulla e di
conseguenza transistor spento?]
se il transistor è in interdizione, Iout=0 di conseguenza la Vout, considerando il condensatore
C2 inizialmente scarico, è comunque elevata grazie alla "rete di pull-up" che serve a portare a
livello elevato il potenziale di uscita,
[sono presenti 5V ad un terminale di R2, all'interno di tale ramo circola una corrente , che circola
anche all'interno di R5, il potenziale su R5 in questo caso rappresenta il potenziale di
uscita.
ora mi chiedo, numericamente quant'è il valore Max dell'onda quadra generata?
che si dovrebbe avere quan "+">"-"
(permettetemi questo modo di esprimere la condizione sugli ingressi)
]
"so you can apply a load of 10K and above for source" questo non l'ho capito.
Se "-" è più positivo rispetto a "+", è come se il transistor fosse acceso,
in uscita sarà fornita una corrente di 50mA attraverso la quale si può pilotare un carico
[Il transistor in tale situazione è in Saturazione o in Attiva Diretta?].
PARTE2:
"On turn on C2 capacitor is discharged and pin 3 the inverting input is at a lower potential
than pin 2 the non-inverting which is at 2.5V. Hence output goes high and C2 starts charging
thru R5, When C2 charges a little beyond 2.5V pin 3 is more dominant and output goes low now,
this slowly discharges the C2 bringing the voltage at pin 3 again below 2.5V so output goes
high again. This process goes on, hence it oscillates. The charging and discharging is at the
rate of R5 * C2 approx. , R3 serves as hysteresis or feedback to ensure clean turn on and off."
Quando C2 è scarico, il potenziale del pin3("-") è più basso del pin2 ("+") il quale ha un pot
di 2,5V. ricapitolando:
"+">"-" l'uscita è elevata e C2 inizia a caricarsi attraverso R5.
[perché 2,5 volt?, è il potenziale su R4, come posso risolvere tale circuito per ottenere quel
potenzial? questo comunque non è di primaria importanza in questo momento XD]
Quando C2 si carica un po' pi di 2,5V:
il morsetto invertente è "-">"+" di conseguenza l'uscita diventa bassa
[ecco il punto che meno mi è chiaro,
in questa situazione cm detto in precedenza, viene fornita una corrente di 50mA, a questo punto
la tensione di uscita Vout=Vr5+Vc2 con Vr5=(50mA+Ir2)*R5
come fa questo ad essere il livello basso, se gia in R5 scorre una corrente maggiore, ed C2 è
carico rispetto al caso precendente?]
il caricarsi e scaricarsi di C2 porta al fenomeno di oscillazione,tra un livello alto e un
livello basso, il tempo di carica e scarica dipende dalla costante R5*C2,
R3 invece serve come isteresi o retroazione,
[leggevo prima il link sui comparatori
in cui l'isteresi è realizzata tramire una retrozione negativa, e anke se non ho capito bene in
che modo, fa in modo che non vi siano oscillazioni continue, è come una specie di margine di
rumore nei circuiti digitali che evita un'errata comprensione del livello logico in ingresso, fa in modo che non si abbiano commutazioni in un certo range,fissa dei valori di soglia, a meno che non ho capito male!!]
Ecco tutto, se potete dirmi cosa ho capito male, correggere le considerazioni che secondo voi
sono errate e magari chiarire le cose che nn sono riuscito a comprendere.
Inoltre non capisco alcune cose:
-se siamo in DC i condensatori non si dovrebbero considerare dei circuiti aperti?
-come dimensioniamo i Resistori? in base a quali considerazioni
-cosa cambia dimensionando in modo differente?
-a cosa serve C1?
-perchè il pin 4 e il pin 1 devono essere cortocircuitati?
scusate se ho scritto cose "scandalose" o se possono sembrarvi scontate o stupide, spero
possiate aiutarmi e vi ringrazio per il tempo che mi dedicherete...
per il resto questa è solo una parte ovviamente l'oscillatore mi serve per altro, ed ho molte
atre cose da chiedere, ovviamente aspetto per non mettere troppe cose tutte in una volte e
creare solo confusione nella mia testa ...un saluto a tutti
"The Output is open collector so it can sink current but cannot source, a totem pole output can
source and sink. In this Circuit R2 is the source or pull-up."
L'uscita è un collettore aperto che può assorbire corrente ma non fornirla,
"a totem pole output can source and sink" non ne capisco il senso.
PARTE2:
"The Output being high or low depends on which input is more dominant or positive. If + or
non-inverting input is more positive than the - inverting input then output of LM311 is high
impedance or high Z as output transistor of LM311 is turned off, but output goes high due to R2
pull-up 1K, so you can apply a load of 10K and above for source. When the - input or inverting
input is more positive, output goes Low as transistor turns on, now a current of upto 50mA can
sink here, a LED or Relay can be driven."
L'uscita può essere elevata o bassa, dipende dallo stato dei morsetti d'ingresso, e in
particolare che il morsetto positivo "+" domini sul morsetto negativo "-" o viceversa.
Se "+" è più positivo, domina su "-" l'impedenza d'uscita dell'LM311 è un'elevata impedenza
come se fosse limpedenza del transistor di output dell'LM311, come se il transistor fosse
spento
[questa parte è un po' confusa, o sono io a renderla tale,
in ogni caso gli oamp sono costituiti da transistor, quindi che LM311 abbia un'alta impedenza
d'uscita significa che il transistor d'uscita ha una elevata impedenza,
in che modo questo si collega al fatto che il transistor sia spento?
ciò non dipende dal circuito di polarizzazione dello stesso?
ho pensato fosse solo un modo per dire elevata impedenza, quindi corrente nulla e di
conseguenza transistor spento?]
se il transistor è in interdizione, Iout=0 di conseguenza la Vout, considerando il condensatore
C2 inizialmente scarico, è comunque elevata grazie alla "rete di pull-up" che serve a portare a
livello elevato il potenziale di uscita,
[sono presenti 5V ad un terminale di R2, all'interno di tale ramo circola una corrente , che circola
anche all'interno di R5, il potenziale su R5 in questo caso rappresenta il potenziale di
uscita.
ora mi chiedo, numericamente quant'è il valore Max dell'onda quadra generata?
che si dovrebbe avere quan "+">"-"
(permettetemi questo modo di esprimere la condizione sugli ingressi)
]
"so you can apply a load of 10K and above for source" questo non l'ho capito.
Se "-" è più positivo rispetto a "+", è come se il transistor fosse acceso,
in uscita sarà fornita una corrente di 50mA attraverso la quale si può pilotare un carico
[Il transistor in tale situazione è in Saturazione o in Attiva Diretta?].
PARTE2:
"On turn on C2 capacitor is discharged and pin 3 the inverting input is at a lower potential
than pin 2 the non-inverting which is at 2.5V. Hence output goes high and C2 starts charging
thru R5, When C2 charges a little beyond 2.5V pin 3 is more dominant and output goes low now,
this slowly discharges the C2 bringing the voltage at pin 3 again below 2.5V so output goes
high again. This process goes on, hence it oscillates. The charging and discharging is at the
rate of R5 * C2 approx. , R3 serves as hysteresis or feedback to ensure clean turn on and off."
Quando C2 è scarico, il potenziale del pin3("-") è più basso del pin2 ("+") il quale ha un pot
di 2,5V. ricapitolando:
"+">"-" l'uscita è elevata e C2 inizia a caricarsi attraverso R5.
[perché 2,5 volt?, è il potenziale su R4, come posso risolvere tale circuito per ottenere quel
potenzial? questo comunque non è di primaria importanza in questo momento XD]
Quando C2 si carica un po' pi di 2,5V:
il morsetto invertente è "-">"+" di conseguenza l'uscita diventa bassa
[ecco il punto che meno mi è chiaro,
in questa situazione cm detto in precedenza, viene fornita una corrente di 50mA, a questo punto
la tensione di uscita Vout=Vr5+Vc2 con Vr5=(50mA+Ir2)*R5
come fa questo ad essere il livello basso, se gia in R5 scorre una corrente maggiore, ed C2 è
carico rispetto al caso precendente?]
il caricarsi e scaricarsi di C2 porta al fenomeno di oscillazione,tra un livello alto e un
livello basso, il tempo di carica e scarica dipende dalla costante R5*C2,
R3 invece serve come isteresi o retroazione,
[leggevo prima il link sui comparatori
in cui l'isteresi è realizzata tramire una retrozione negativa, e anke se non ho capito bene in
che modo, fa in modo che non vi siano oscillazioni continue, è come una specie di margine di
rumore nei circuiti digitali che evita un'errata comprensione del livello logico in ingresso, fa in modo che non si abbiano commutazioni in un certo range,fissa dei valori di soglia, a meno che non ho capito male!!]
Ecco tutto, se potete dirmi cosa ho capito male, correggere le considerazioni che secondo voi
sono errate e magari chiarire le cose che nn sono riuscito a comprendere.
Inoltre non capisco alcune cose:
-se siamo in DC i condensatori non si dovrebbero considerare dei circuiti aperti?
-come dimensioniamo i Resistori? in base a quali considerazioni
-cosa cambia dimensionando in modo differente?
-a cosa serve C1?
-perchè il pin 4 e il pin 1 devono essere cortocircuitati?
scusate se ho scritto cose "scandalose" o se possono sembrarvi scontate o stupide, spero
possiate aiutarmi e vi ringrazio per il tempo che mi dedicherete...
per il resto questa è solo una parte ovviamente l'oscillatore mi serve per altro, ed ho molte
atre cose da chiedere, ovviamente aspetto per non mettere troppe cose tutte in una volte e
creare solo confusione nella mia testa ...un saluto a tutti

-

darkweader
61 2 7 - Frequentatore

- Messaggi: 271
- Iscritto il: 8 mag 2011, 17:32
5
voti
darkweader ha scritto:L'uscita è un collettore aperto che può assorbire corrente ma non fornirla,
Lo schema di un Open Collector Output è questo:
dove il collettore in principio non è collegato a niente. È aperto, come dice appunto il termine.
Sai come funziona un transistore, in questo caso un bipolare? Se tu lo accendi con una piccola corrente di base permetti il passaggio di un flusso di corrente maggiore, (corrente di collettore). In questo caso si parla Current Sink perché assorbe corrente.
"a totem pole output can source and sink".
Si parla di Current Source quando il dispositivo deve essere in grado di erogare una certa quantità di corrente richiesta dal carico.
Immaginiamo di voler alimentare un LED a
con un operazionale Sfortunatamente dal datasheet dell'operazionale (senza specificare un modello particolare) vediamo che la
è di
. Riusciremo a fornire al LED la corrente richiesta, o ad accenderlo secondo le volute caratteristiche? La risposta è NO.In un Totem Pole Output
Quando Q1 è ON Q2 è OFF. Q1 è in grado di erogare una certa corrente (I Source)
Diversamente, quando Q1 è OFF Q2 è ON, quest'ultimo è quindi in grado di assorbire una determinata corrente (I Sink).
Per il momento spero che tu abbia capito questo concetto.
EDIT:
Aggiungo che qui hai una spiegazione abbastanza chiara di come funziona l'oscillatore con relative equazioni.
0
voti
i concetti che hai esposto li conoscevo, diciamo che l'inglese mi ha portato tanta confusione, comunque le tue spiegazioni sn state chiarissime,
capire a fondo dalla pagina di wikipedia in inglese sarà una impresa sopratutto se già ho concetti molto confusi di mio...
grazie dell'aiuto...
a me servirebbe un oscillatore che generi un segnale con frequenza variabile in relazione ad una induttanza variabile, dallo schema di un LC meter avevo trovato la soluzione cn LM311, ma volevo capire perché un LM311 anzichè un altro componente, o come dimensionare i componenti, e come si arriva alla frequenza del segnale.
lo schema che ho trovato lo allego cm immagine,
L'induttanza nello schema (L) dovrebbe essere una induttanza che posso variare a piacimento, ma entro un range di valori il circuito deve funzionare correttamente.
Per questo volevo capire come dimensionare i componenti,
posso considerare questo schema che ho trovato affidabile?
Lo scopo finale è poi attraverso un convertitore frequenza/tensione realizzare un convertitore Induttanza /tensione ,
Ma dato che la frequenza cm riportato nelle formule dipende anche dal Condensatore (C), come faccio a determinare un valore di tensione che siaproporzionale solo all'induttanza?
Volevo anche capire che differenza c'è tra l'oscillatore trovato in rete e quello nello schema dell'LCmeter
capire a fondo dalla pagina di wikipedia in inglese sarà una impresa sopratutto se già ho concetti molto confusi di mio...
grazie dell'aiuto...
a me servirebbe un oscillatore che generi un segnale con frequenza variabile in relazione ad una induttanza variabile, dallo schema di un LC meter avevo trovato la soluzione cn LM311, ma volevo capire perché un LM311 anzichè un altro componente, o come dimensionare i componenti, e come si arriva alla frequenza del segnale.
lo schema che ho trovato lo allego cm immagine,
L'induttanza nello schema (L) dovrebbe essere una induttanza che posso variare a piacimento, ma entro un range di valori il circuito deve funzionare correttamente.
Per questo volevo capire come dimensionare i componenti,
posso considerare questo schema che ho trovato affidabile?
Lo scopo finale è poi attraverso un convertitore frequenza/tensione realizzare un convertitore Induttanza /tensione ,
Ma dato che la frequenza cm riportato nelle formule dipende anche dal Condensatore (C), come faccio a determinare un valore di tensione che siaproporzionale solo all'induttanza?
Volevo anche capire che differenza c'è tra l'oscillatore trovato in rete e quello nello schema dell'LCmeter
-

darkweader
61 2 7 - Frequentatore

- Messaggi: 271
- Iscritto il: 8 mag 2011, 17:32
31 messaggi
• Pagina 1 di 4 • 1, 2, 3, 4
Chi c’è in linea
Visitano il forum: Nessuno e 218 ospiti

Elettrotecnica e non solo (admin)
Un gatto tra gli elettroni (IsidoroKZ)
Esperienza e simulazioni (g.schgor)
Moleskine di un idraulico (RenzoDF)
Il Blog di ElectroYou (webmaster)
Idee microcontrollate (TardoFreak)
PICcoli grandi PICMicro (Paolino)
Il blog elettrico di carloc (carloc)
DirtEYblooog (dirtydeeds)
Di tutto... un po' (jordan20)
AK47 (lillo)
Esperienze elettroniche (marco438)
Telecomunicazioni musicali (clavicordo)
Automazione ed Elettronica (gustavo)
Direttive per la sicurezza (ErnestoCappelletti)
EYnfo dall'Alaska (mir)
Apriamo il quadro! (attilio)
H7-25 (asdf)
Passione Elettrica (massimob)
Elettroni a spasso (guidob)
Bloguerra (guerra)




