Cos'è ElectroYou | Login Iscriviti

ElectroYou - la comunità dei professionisti del mondo elettrico

Aiuto esame!

Circuiti, campi elettromagnetici e teoria delle linee di trasmissione e distribuzione dell’energia elettrica

Moderatori: Foto Utenteg.schgor, Foto UtenteIsidoroKZ

1
voti

[11] Re: Aiuto esame!

Messaggioda Foto Utentealev » 6 ott 2011, 12:45

Vorresti dire che all'università ti devi comportare in un certo modo, rispettando gli altri e qui, invece, puoi comportarti male? ?%
Sono allibito.
Avatar utente
Foto Utentealev
5.995 2 9 12
free expert
 
Messaggi: 6284
Iscritto il: 19 lug 2010, 14:38
Località: Altrove

0
voti

[12] Re: Aiuto esame!

Messaggioda Foto UtenteDirtyDeeds » 6 ott 2011, 12:47

Foto Utentedariodangelo, in [3] Foto Utentealev ti ha spiegato in modo dettagliato (e gentile) cosa fare per avere risposta; nota l'inizio (grassetto e sottolineato sono miei):

alev ha scritto:Per risponderti è indispensabile


Evidentemente, la risposta non ti interessa.
It's a sin to write sin instead of \sin (Anonimo).
...'cos you know that cos ain't \cos, right?
You won't get a sexy tan if you write tan in lieu of \tan.
Take a log for a fireplace, but don't take log for \logarithm.
Avatar utente
Foto UtenteDirtyDeeds
55,9k 7 11 13
G.Master EY
G.Master EY
 
Messaggi: 7012
Iscritto il: 13 apr 2010, 16:13
Località: Somewhere in nowhere

0
voti

[13] Re: Aiuto esame!

Messaggioda Foto Utenteguzz » 6 ott 2011, 13:15

forse perché qui non siamo tutti coetanei...
io e te saremo anche studenti 20enni, ma ci sono altri che sono professionisti 30-40enni... è ovvio che il linguaggio ed i modi non siano gli stessi di altri forum... no?

in ogni caso puoi postare anche il file dove c'è l'esercizio, o sbaglio Foto Utenteadmin?
Avatar utente
Foto Utenteguzz
6.067 3 5 7
Master EY
Master EY
 
Messaggi: 3195
Iscritto il: 8 set 2011, 19:14
Località: Possagno (TV)

-5
voti

[14] Re: Aiuto esame!

Messaggioda Foto Utentedariodangelo » 6 ott 2011, 13:22

no voglio dire che mentre all'università ahimè non mi è concesso esprimere il mio parere almeno sul web vorrei poter dire la mia dal momento che ho fatto una constatazione e non ho offeso nessuno.La rete ,purtroppo per voi, è per la libera informazione e non è come le aule-nicchia dove i professori fanno ciò che gli pare e utilizzare il web come un'aula mi sembra davvero ridicolo...ci mancava solo che mi mettevate un impreparato!
Avatar utente
Foto Utentedariodangelo
-56 2
 
Messaggi: 11
Iscritto il: 6 ott 2011, 11:31

0
voti

[15] Re: Aiuto esame!

Messaggioda Foto Utenteguzz » 6 ott 2011, 13:30

:shock: :shock: :shock:
ma hai dormito male stanotte o cosa?
Avatar utente
Foto Utenteguzz
6.067 3 5 7
Master EY
Master EY
 
Messaggi: 3195
Iscritto il: 8 set 2011, 19:14
Località: Possagno (TV)

4
voti

[16] Re: Aiuto esame!

Messaggioda Foto Utenteadmin » 6 ott 2011, 13:40

Se invece di dare lezioni di forum, di web di libertà, facessi il tuo dovere di prenderle da chi è disposto ad aiutarti se tu collabori, sapendone sicuramente più di te di forum di web e di libertà, oltre che di elettrotecnica, a quest'ora il tuo esercizio qualcuno ti avrebbe già insegnato come svolgerlo.
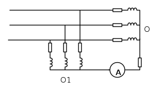
Eseguire un disegno come questo bastano pochi minuti


Comunque il web è libertà: quindi scegliti un forum adatto alle tue esigenze perché, come puoi constatare, qui hai anche ricevuto il giudizio di impreparato.
Avatar utente
Foto Utenteadmin
196,7k 9 12 17
Manager
Manager
 
Messaggi: 11953
Iscritto il: 6 ago 2004, 13:14

0
voti

[17] Re: Aiuto esame!

Messaggioda Foto Utentealev » 6 ott 2011, 13:47

guzz ha scritto: è ovvio che il linguaggio ed i modi non siano gli stessi di altri forum... no?

Io frequento diversi forum e mailing-lists, sia italiani che stranieri, per hobby oppure lavoro ed ho sempre riscontrato che:
1. Chi fa le domande in modo incomprensibile e senza un riferimento chiaro (lo schema in questo caso) viene richiamato (come abbiamo fatto noi) ad essere più chiaro ed a inserire i riferimenti al problema secondo lo standard presente sul quel forum
2. Chi replica male alle suddette richieste fa, prima di tutto, una pessima figura oltre a non ottenere nulla di quello che aveva chiesto.

Foto Utenteguzz, probabilmente ti riferisci a forum di cazzeggio a go-go, ma qui di sicuro preferiamo argomenti di sostanza.
Avatar utente
Foto Utentealev
5.995 2 9 12
free expert
 
Messaggi: 6284
Iscritto il: 19 lug 2010, 14:38
Località: Altrove

0
voti

[18] Re: Aiuto esame!

Messaggioda Foto Utenteguzz » 6 ott 2011, 13:49

alev ha scritto:Foto Utenteguzz, probabilmente ti riferisci a forum di cazzeggio a go-go, ma qui di sicuro preferiamo argomenti di sostanza.

ovvio...
Avatar utente
Foto Utenteguzz
6.067 3 5 7
Master EY
Master EY
 
Messaggi: 3195
Iscritto il: 8 set 2011, 19:14
Località: Possagno (TV)

0
voti

[19] Re: Aiuto esame!

Messaggioda Foto Utenteadmin » 6 ott 2011, 13:54

guzz ha scritto:[..] ma ci sono altri che sono professionisti 30-40enni...[..]

Addirittura quarantenni? ?%
Ma questo è uno scandalo :!:
Avatar utente
Foto Utenteadmin
196,7k 9 12 17
Manager
Manager
 
Messaggi: 11953
Iscritto il: 6 ago 2004, 13:14

0
voti

[20] Re: Aiuto esame!

Messaggioda Foto Utenteguzz » 6 ott 2011, 13:59

lo so... troppi vecchi in giro... :lol: :lol: :lol:

comunque sbaglio o la discussione è andata un po' in vacca?
Avatar utente
Foto Utenteguzz
6.067 3 5 7
Master EY
Master EY
 
Messaggi: 3195
Iscritto il: 8 set 2011, 19:14
Località: Possagno (TV)

PrecedenteProssimo

Torna a Elettrotecnica generale

Chi c’è in linea

Visitano il forum: Nessuno e 69 ospiti