Cos'è ElectroYou | Login Iscriviti

ElectroYou - la comunità dei professionisti del mondo elettrico

Driver di corrente per una lampada a LED

Elettronica lineare e digitale: didattica ed applicazioni

Moderatori: Foto Utentecarloc, Foto Utenteg.schgor, Foto UtenteBrunoValente, Foto UtenteIsidoroKZ

0
voti

[1] Driver di corrente per una lampada a LED

Messaggioda Foto Utentelion989 » 8 ott 2011, 12:59

Ciao Ragazzi.. qualcuno può darmi qualche consiglio o consigliarmi qualche link da dove prendere spunto...

Devo Progettare (a livello cartaceo, no pratico) un driver di corrente per una lampada a LED a basso tensione (12V max).

Con le seguenti specifiche:
- l’ingresso del sistema è una onda rettangolare con duty cyle compreso tra 0.1 e 0.9.
- il driver deve essere progettato in modo tale che la lampada cambi luminosità, in modo lineare nel proprio range di funzionamento, al variare del duty cycle della sorgente.

Grazie :D
Avatar utente
Foto Utentelion989
0 4
Frequentatore
Frequentatore
 
Messaggi: 126
Iscritto il: 8 lug 2011, 15:04

0
voti

[2] Re: Driver di corrente per una lampada a LED

Messaggioda Foto Utentesimo85 » 8 ott 2011, 13:56

Come LED source driver conosco l'UDN2981, sennò l'ULN2803 che è un LED sink driver.
Tu però dici che hai un duty cycle variabile, ciò mi porta a pensare che sia un segnale PWM, corretto? In tal caso puoi usare un 555.
Avatar utente
Foto Utentesimo85
30,9k 7 12 13
Disattivato su sua richiesta
 
Messaggi: 9927
Iscritto il: 30 ago 2010, 4:59

0
voti

[3] Re: Driver di corrente per una lampada a LED

Messaggioda Foto Utentelion989 » 8 ott 2011, 14:24

no nn è un segnale PWM...variando il duty cycle deve variare la luminosità!! Mi sono dimenticato di scriverlo ma non posso utilizzare circuiti integrati!!!.. potrei utilizzare i circuiti equivalenti degli integrati?
Avatar utente
Foto Utentelion989
0 4
Frequentatore
Frequentatore
 
Messaggi: 126
Iscritto il: 8 lug 2011, 15:04

0
voti

[4] Re: Driver di corrente per una lampada a LED

Messaggioda Foto Utentesimo85 » 8 ott 2011, 14:31

lion989 ha scritto:variando il duty cycle deve variare la luminosità!!

Che è esattamente quello che faresti con un segnale di uscita PWM.
potrei utilizzare i circuiti equivalenti degli integrati?

Non ho capito cosa vuoi dire.. Per esempio copiare lo schema interno del 555? Mi sembra un controsenso.
Avatar utente
Foto Utentesimo85
30,9k 7 12 13
Disattivato su sua richiesta
 
Messaggi: 9927
Iscritto il: 30 ago 2010, 4:59

0
voti

[5] Re: Driver di corrente per una lampada a LED

Messaggioda Foto Utentelion989 » 8 ott 2011, 14:49

gohan ha scritto:
lion989 ha scritto:variando il duty cycle deve variare la luminosità!!

Che è esattamente quello che faresti con un segnale di uscita PWM.


Io non vorrei contraddirti ma:

PWM, è un tipo di modulazione digitale che permette di ottenere una tensione media variabile dipendente dal rapporto tra la durata dell' impulso positivo e di quello negativo

il duty cycle è il rapporto tra la durata dell'impulso e il periodo..

gohan ha scritto:
lion989 ha scritto:potrei utilizzare i circuiti equivalenti degli integrati?

Non ho capito cosa vuoi dire.. Per esempio copiare lo schema interno del 555? Mi sembra un controsenso.


esatto, perché sarebbe troppo semplice utilizzare il circuito integrato direttamente!
Avatar utente
Foto Utentelion989
0 4
Frequentatore
Frequentatore
 
Messaggi: 126
Iscritto il: 8 lug 2011, 15:04

0
voti

[6] Re: Driver di corrente per una lampada a LED

Messaggioda Foto Utentesimo85 » 8 ott 2011, 15:08

il duty cycle è il rapporto tra la durata dell'impulso e il periodo..

Vuoi dire che un segnale PWM è privo di duty cycle?
Avatar utente
Foto Utentesimo85
30,9k 7 12 13
Disattivato su sua richiesta
 
Messaggi: 9927
Iscritto il: 30 ago 2010, 4:59

0
voti

[7] Re: Driver di corrente per una lampada a LED

Messaggioda Foto Utentesimo85 » 8 ott 2011, 15:29

Comunque il segnale PWM ha un duty cycle variabile normalmente da 0 a 100%. Quindi, se il segnale di ingresso del circuito (prima mi riferivo a segnale di uscita inteso come output del generatore di segnale) è un duty cycle variabile, è un PWM.
Se poi non lo devi progettare, come driver di corrente si può sempre intendere "current source driver" o "current sink driver" come puoi vedere dai datasheet linkati. Io vedo più comodo quest'ultimo. A mio parere lo vedo risolvibile con un transistore dove il carico deve essere collegato al collettore o al drain, dipende se usi BJT o MOSFET, ma questo può anche dipendere dal carico, che non hai specificato, a parte la tensione (e non tensione) di alimentazione. I MOSFET funzionano meglio come interruttori.

Se devi progettare pure il generatore di segnale PWM mi sembra strano che non ti sia permesso usare nessun integrato, sennò ti avrei già postato lo schema.
Avatar utente
Foto Utentesimo85
30,9k 7 12 13
Disattivato su sua richiesta
 
Messaggi: 9927
Iscritto il: 30 ago 2010, 4:59

0
voti

[8] Re: Driver di corrente per una lampada a LED

Messaggioda Foto Utentelion989 » 8 ott 2011, 15:47

Non ho detto che il segnale PWM è privo di dutycycle ma non sapevo ke un PWM fosse assimilabile a un'onda quadra con dutycycle variabile!!! Si imparano sempre cose nuove!!:)

A questo punto devo progettare anke un generatore PWM!!! A tal proposito avrei bisogno anke di quale info!:)

comunque se ha schemi o link con circuiti integrati postali pure!! Vale a dire che utilizzero il circuito equivalente del circuito integrato!
Avatar utente
Foto Utentelion989
0 4
Frequentatore
Frequentatore
 
Messaggi: 126
Iscritto il: 8 lug 2011, 15:04

0
voti

[9] Re: Driver di corrente per una lampada a LED

Messaggioda Foto Utentesimo85 » 8 ott 2011, 15:58

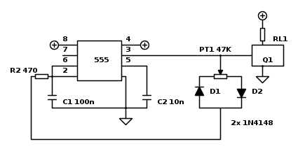
OK non ti preoccupare :-) .Per il momento il circuito con il 555 è questo:

Q1 è un transistore. Non hai specificato la corrente di carico, ed essendo il circuito alimentato a 12V potresti usare un MOSFET.
Se hai problemi a capirne il funzionamento, chiedi pure. In tal caso, più tardi.
O_/
Avatar utente
Foto Utentesimo85
30,9k 7 12 13
Disattivato su sua richiesta
 
Messaggi: 9927
Iscritto il: 30 ago 2010, 4:59

0
voti

[10] Re: Driver di corrente per una lampada a LED

Messaggioda Foto Utenteisd88 » 8 ott 2011, 16:05

un generatore PWM senza integrati? senza nemmeno un 555? e come lo fai oscillare?

comunque se un 555 è accettabile ti consiglio questo proposto dal grande Foto Utenteg.schgor

http://www.electroyou.it/g.schgor/wiki/articolo27
Avatar utente
Foto Utenteisd88
918 1 6 13
Expert EY
Expert EY
 
Messaggi: 576
Iscritto il: 27 feb 2007, 21:44

Prossimo

Torna a Elettronica generale

Chi c’è in linea

Visitano il forum: Nessuno e 54 ospiti