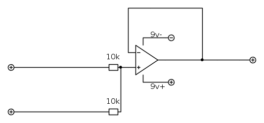
Non ci ho ragionato molto, ma non vedo il "senso" dei 220pF, delle due 10k in serie ai due segnali "mono" e non mi convince molto il fatto che confluiscano sul terminale invertente dell'op.amp. in quella maniera, cioè la definirei, diretta... un altro aspetto che non noto è il disaccoppiamento in DC, ma può essere un'altra storia questa.
Io farei una cosa diversa, impostata con un buffer per ogni segnale mono e poi.... e poi, non sono molto esperto di stereo o mono, impedenze che se si devono avere dettate da qualche standard credo, ma se un mono equivale ai due segnali stereo sommati tra di loro, è sufficiente un sommatore non invertente... altrimenti la cosa forse diventa più complessa. Per quanto ne so io di mono e stereo, altro non posso dire... ma il circuito non mi convince per quanto detto sopra, e se dovessi provare a farlo mi avvierei per la strada che ti ho detto, e per te dovrebbe essere un gioco da ragazzi... dato che non hai sicuramente i miei dubbi in merito a mono e stereo a livello "elettrico".
Ovviamente questo è il mio umile parere.
Ancora una perplessità, giusto "pour parlè" come si dice, che senso e che scopo ha questo "progettino" ??
Ciao, Luca.
da segnale stereo a vu-meter mono
Moderatore:
IsidoroKZ
30 messaggi
• Pagina 2 di 3 • 1, 2, 3
0
voti
In teoria il 200pf è contro le interferenze EMC , ma in questo caso, a mio personale
giudizio il vu-meter ha una release più fluida, ma ripeto, è opinabile,
il resto è un normale mixer dei due canali con impedenza di linea e
un diodo in uscita verso il vu-meter, personalmente non vedo l'utilizzo di buffer
verso un vu-meter, né un disaccoppiamento DC.-
Ciao
giudizio il vu-meter ha una release più fluida, ma ripeto, è opinabile,
il resto è un normale mixer dei due canali con impedenza di linea e
un diodo in uscita verso il vu-meter, personalmente non vedo l'utilizzo di buffer
verso un vu-meter, né un disaccoppiamento DC.-
Ciao
0
voti
XStreme ha scritto:prova questo.
grazie come al solito sempre il migliore... preciso e diretto...
sarà la mia reputazione sul forum ma comincio a preoccuparmi c'è una discussione a ogni mio topic?
comunque facciamo un po di teoria?
vorrei capire se è possibile quale è il guadagno di questo sommatore
analizzati singolarmente il guadagmo dovrebbe essere = a 1 ma presi insieme?
dimenticavo essendo invertente comporta qualche cosa ai fini della visualizzazione sul VU-meter lo devo ribaltare?
PS mi spiace xstream non posso dare più punti reputazione altrimenti te ne avrei dati spero basti un semplice grazie
0
voti
provo a rispondermi da solo....
se sbaglio voi mi corrigerete
per non avere la somma dei 2 ingressi non dovrei fare in modo d'avere il valore medio dei stessi quindi raddoppiare la resistenza tra ingresso e uscita?
altrimenti mi trovo Vout= -(Vin1+Vin2)
se sbaglio voi mi corrigerete
per non avere la somma dei 2 ingressi non dovrei fare in modo d'avere il valore medio dei stessi quindi raddoppiare la resistenza tra ingresso e uscita?
altrimenti mi trovo Vout= -(Vin1+Vin2)
0
voti
Per intereferenze EMC, cosa intendi??? perdonami non ho ben capito...
Non ho capito nemmeno cosa intendi per release del vu-meter mono... ti riferisci al tempo di rilascio e di attacco intrinseco del vumeter? (detta anche costante di tempo...).
Il "normale mixer tra segnali" io lo farei con un sommatore mi ripeto... con guadagno uno se non necessario (sempre che il segnale mono equivale alla somma dei due stereo...) e il buffer lo impiegherei per non caricare la sorgente da cui provengono i segnali Dx e Sx (cosa indicata al post 1 dal diretto interessato).
Il disaccoppiamento in DC lo metterei per due motivi semplici, il primo per evitare che componenti continue presenti nei segnali vadano a far disastri agli op.amp. (componenti continue che, malauguratamente... posso sopraggiungere al circuito sia per cause "dolose", sia accidentali...); continuo del primo motivo disaccoppierei l'uscita del circuito per evitare che l'offset dell'operazionale vada "a dare una spintarella all'insù" alla lancetta del vu-meter ( sempre che sia a lancetta...
ma il discorso è valido anche per tipologie a led ).
L'impedenza di linea, sempre per quanto ne so io... a cosa ti serve in questo progetto?? e poi, perché in serie??
Il diodo per rettificare il segnale in uscita di norma è già presente nel circuito vu-meter, metterlo lì può limitare il futuro, possibile, impiego del circuito... per ovvie ragioni che non sto a dire.
Uno stadio invertente ti presenta in uscita la forma d'onda di ingresso sfasata di 180°, non ho ben seguito il discorso del raddoppio della resistenza di ingresso, ma credo sia secondario rispetto al fatto che non ho capito perché non devi ottenere la somma dei due segnali... a meno che un segnale mono non si ottenga sommando due segnali stereo, ma questo ce lo sa XStreme.
Tutto questo detto senza nessun tono di "discussione" o di "so tutto io voi niente", ho indicato le mie sensazioni sul progetto e la mia idea in merito ad esso e al circuito proposto da un mio collega di forum (in base a quello che so e non so di elettronica, sia teoria che pratica)... e quando dico che non so se un mono si ottiene sommando i due segnali stereo, è la verità... non mi interesso di questo ramo direttamente nella ditta in cui lavoro/faccio parte ma ciò non toglie che possa tornarmi utile in futuro
e sarò lieto se lo apprenderò da questo forum.
, Luca.
Non ho capito nemmeno cosa intendi per release del vu-meter mono... ti riferisci al tempo di rilascio e di attacco intrinseco del vumeter? (detta anche costante di tempo...).
Il "normale mixer tra segnali" io lo farei con un sommatore mi ripeto... con guadagno uno se non necessario (sempre che il segnale mono equivale alla somma dei due stereo...) e il buffer lo impiegherei per non caricare la sorgente da cui provengono i segnali Dx e Sx (cosa indicata al post 1 dal diretto interessato).
Il disaccoppiamento in DC lo metterei per due motivi semplici, il primo per evitare che componenti continue presenti nei segnali vadano a far disastri agli op.amp. (componenti continue che, malauguratamente... posso sopraggiungere al circuito sia per cause "dolose", sia accidentali...); continuo del primo motivo disaccoppierei l'uscita del circuito per evitare che l'offset dell'operazionale vada "a dare una spintarella all'insù" alla lancetta del vu-meter ( sempre che sia a lancetta...
L'impedenza di linea, sempre per quanto ne so io... a cosa ti serve in questo progetto?? e poi, perché in serie??
Il diodo per rettificare il segnale in uscita di norma è già presente nel circuito vu-meter, metterlo lì può limitare il futuro, possibile, impiego del circuito... per ovvie ragioni che non sto a dire.
Uno stadio invertente ti presenta in uscita la forma d'onda di ingresso sfasata di 180°, non ho ben seguito il discorso del raddoppio della resistenza di ingresso, ma credo sia secondario rispetto al fatto che non ho capito perché non devi ottenere la somma dei due segnali... a meno che un segnale mono non si ottenga sommando due segnali stereo, ma questo ce lo sa XStreme.
Tutto questo detto senza nessun tono di "discussione" o di "so tutto io voi niente", ho indicato le mie sensazioni sul progetto e la mia idea in merito ad esso e al circuito proposto da un mio collega di forum (in base a quello che so e non so di elettronica, sia teoria che pratica)... e quando dico che non so se un mono si ottiene sommando i due segnali stereo, è la verità... non mi interesso di questo ramo direttamente nella ditta in cui lavoro/faccio parte ma ciò non toglie che possa tornarmi utile in futuro
, Luca.0
voti
(sempre che il segnale mono equivale alla somma dei due stereo...)
è proprio cosi...
l'uscita del sommatore è la somma dei due canali SX e DX quindi se suponiamo che passi lo stesso segnale in entrambi i canali credo che il volume esca raddoppiato e quindi vada a flzare il famoro zero decibel di cui abbiamo tnto discusso in altra sede
0
voti
Appurato questo...
si può fare in modo di sommarli evitando quel fenomeno del raddoppio chhe intendevi tu... basta un semplice partitore resistivo tra i buffer e il sommatore...


0
voti
sempre perche l'ho letto da qualche parte...
cosi facendo oterrei esattamente la media dei 2 segnali e non essendo invertente risolvo anche questo prob
cosi facendo oterrei esattamente la media dei 2 segnali e non essendo invertente risolvo anche questo prob
0
voti
a parte che 220pF non è riferito a nessun condensatore.... quello somma (male) i due segnali in ingresso... ma se i due segnali sono mono al 100% della loro ampiezza in uscita ne ottieni uno da 200%.... il doppio... .devi prima dividere per due i segnali che applichi ad un sommatore non invertente (corretto e completo di tutto).
Prova a ragionare su quello che scrivi e posti, sopratutto gli schemi... che sono il risultato di solito di un pensiero accurato prima di disegnarli... e già che ci sei, facci sapere da dove leggi queste cose... e magari prova a postare uno schema intero di come faresti la cosa tu...
Prova a ragionare su quello che scrivi e posti, sopratutto gli schemi... che sono il risultato di solito di un pensiero accurato prima di disegnarli... e già che ci sei, facci sapere da dove leggi queste cose... e magari prova a postare uno schema intero di come faresti la cosa tu...
0
voti
quest'ultimo l'ho detotto leggendo qui http://www.itimonaco.it/documpdfvari/fiondapdf/TeoriaeLaboratorio/Som.pdf
gli altri sono usciti dalla mia mente malata sarà che ho preso mano con fidocad :-D
gli altri sono usciti dalla mia mente malata sarà che ho preso mano con fidocad :-D
30 messaggi
• Pagina 2 di 3 • 1, 2, 3
Torna a Elettronica e spettacolo
Chi c’è in linea
Visitano il forum: Nessuno e 10 ospiti

Elettrotecnica e non solo (admin)
Un gatto tra gli elettroni (IsidoroKZ)
Esperienza e simulazioni (g.schgor)
Moleskine di un idraulico (RenzoDF)
Il Blog di ElectroYou (webmaster)
Idee microcontrollate (TardoFreak)
PICcoli grandi PICMicro (Paolino)
Il blog elettrico di carloc (carloc)
DirtEYblooog (dirtydeeds)
Di tutto... un po' (jordan20)
AK47 (lillo)
Esperienze elettroniche (marco438)
Telecomunicazioni musicali (clavicordo)
Automazione ed Elettronica (gustavo)
Direttive per la sicurezza (ErnestoCappelletti)
EYnfo dall'Alaska (mir)
Apriamo il quadro! (attilio)
H7-25 (asdf)
Passione Elettrica (massimob)
Elettroni a spasso (guidob)
Bloguerra (guerra)


