Cos'è ElectroYou | Login Iscriviti

ElectroYou - la comunità dei professionisti del mondo elettrico

controllo toni

hi-fi, luci, suoni, effetti speciali, palcoscenici...

Moderatore: Foto UtenteIsidoroKZ

0
voti

[101] Re: controllo toni

Messaggioda Foto UtenteTardoFreak » 14 ott 2011, 23:52

Bah, mi sono stufato.
Ho avuto una giornata intensa e non ho voglia di combattere contro i mulini a vento.
Lascio ad altri le decisioni sul da farsi con questo thread.

O_/
"La follia sta nel fare sempre la stessa cosa aspettandosi risultati diversi".
"Parla soltanto quando sei sicuro che quello che dirai è più bello del silenzio".
Rispondere è cortesia, ma lasciare l'ultima parola ai cretini è arte.
Avatar utente
Foto UtenteTardoFreak
73,9k 8 12 13
-EY Legend-
-EY Legend-
 
Messaggi: 15754
Iscritto il: 16 dic 2009, 11:10
Località: Torino - 3° pianeta del Sistema Solare

0
voti

[102] Re: controllo toni

Messaggioda extrems » 14 ott 2011, 23:53

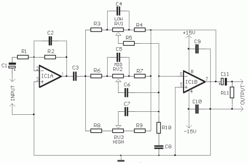
http://electro-circuit.net/audio-processor/audio-tone-control-3-band/

dai uno sguardo a come è concepito questo schema.

Foto UtenteTardoFreak felice notte.
extrems
327 2 4 5
---
 

0
voti

[103] Re: controllo toni

Messaggioda Foto UtenteFirstByte » 15 ott 2011, 0:02

visto...
ha un condenzatore di "accoppiamento" un operazionale con guadagno unitario invertente e 3 filtri passivi e un sommatore alla fine sempre invertente mi pare...
cosa vuoi farmi capire?

il discorso forse è che nei miei circuiti manca l'adattamento d'impedenza tra uno stadio e l'altro...
forse è più coretto fare questo?

ma non so come calcolare quei valori
Avatar utente
Foto UtenteFirstByte
21 6
Frequentatore
Frequentatore
 
Messaggi: 174
Iscritto il: 30 gen 2011, 18:27

0
voti

[104] Re: controllo toni

Messaggioda Foto UtenteFirstByte » 15 ott 2011, 0:06

spero almeno che colui che mi ha lavato i punti mi sieghi cosa ho detto di errato
Avatar utente
Foto UtenteFirstByte
21 6
Frequentatore
Frequentatore
 
Messaggi: 174
Iscritto il: 30 gen 2011, 18:27

1
voti

[105] Re: controllo toni

Messaggioda Foto UtenteTardoFreak » 15 ott 2011, 0:07

XStreme ha scritto:http://electro-circuit.net/audio-processor/audio-tone-control-3-band/

dai uno sguardo a come è concepito questo schema.
...


No, mi sono stufato., Non guardo più links ma solo schemi con fidocad. O_/
"La follia sta nel fare sempre la stessa cosa aspettandosi risultati diversi".
"Parla soltanto quando sei sicuro che quello che dirai è più bello del silenzio".
Rispondere è cortesia, ma lasciare l'ultima parola ai cretini è arte.
Avatar utente
Foto UtenteTardoFreak
73,9k 8 12 13
-EY Legend-
-EY Legend-
 
Messaggi: 15754
Iscritto il: 16 dic 2009, 11:10
Località: Torino - 3° pianeta del Sistema Solare

0
voti

[106] Re: controllo toni

Messaggioda extrems » 15 ott 2011, 0:08

FirstByte ha scritto:forse è più coretto fare questo?


no, non è corretto, , tutto sbagliato,

se ti porti quello schema in fidocad, poi ci si puo lavorare sopra
con le modifiche che ritieni appropiate.
extrems
327 2 4 5
---
 

0
voti

[107] Re: controllo toni

Messaggioda quenci » 15 ott 2011, 0:10

..
Ultima modifica di quenci il 15 ott 2011, 0:17, modificato 1 volta in totale.
quenci
327 2 4 5
---
 

0
voti

[108] Re: controllo toni

Messaggioda extrems » 15 ott 2011, 0:13

TardoFreak ha scritto: Non guardo più links ma solo schemi con fidocad. O_/
Allegati
Audio-Tone-Control-3-Band.gif
Audio-Tone-Control-3-Band.gif (14.8 KiB) Osservato 3267 volte
extrems
327 2 4 5
---
 

0
voti

[109] Re: controllo toni

Messaggioda Foto UtentePiercarlo » 15 ott 2011, 0:14

FirstByte ha scritto: il primo opamp fa da filtro (con guadagno unitario) e il secondo fa da controllo del volume del filtro


La cosa migliore che puoi fare con questo circuito è invertire le posizioni: prima quello che controlla il livelo e dopo quello che definisce i tagli in frequenza. In questo modo hai i tagli in frrequenza che dipendono SOLO dai valori del filtro e non anche dalle condizioni della sorgente (in special modo dalla sua impedenza di uscita).
L'impedenza di uscita dell'operazionale si comporta nei confronti del filtro come una sorgente di tensione praticamente ideale, cosa importante non solo per la comodità di dimensionamento del filtro ma anche per la sua insensibilità ad altre condizioni del circuito. Cosa che nella varantie da proposta è invece al più molto simile a quella di un normale controllo di toni come ne trovi in una infinità di amplificatori - che sicuramente non sono un granchè (non sono neppure pensati per esserlo) ma almeno, se ne utilizzano, impiegano un solo operazionale per far funzionare tutto il circuito.

In generale uno dei motivi per cui si utilizzano gli operazionali ogni volta che è possibile farlo è non solo per le funzioni che svolgono in quanto amplificatori ma anche per la loro funzione di ISOLATORI di fatto tra uno stadio e l'altro che discende direttamente dal loro alto tasso di retroazione che consente, con qualche limite e un po' di giudizio, di considerare ciascun stadio praticamente indipedente dagli altri e soprattutto da quelli che lo precedono e lo seguono. Questa, per dirne una, è anche la ragione per cui spesso, negli equalizzatori audio, uno stadio invertente all'ingresso è in realtà preceduto da un "inutile" inseguitore di tensione (in inglese detto anche "buffer" - cuscinetto - propro per questa funzione di separare i circuiti tra loro e alleviare così le fatiche dei progettisti che non devono stare a impazzire con un circiuto-piovra che, ogni volta che gli "regoli" un tentacolo, ne tira fuori uno di zecca con cui ricominciare a stritolarti i cosiddetti).

Ciao
Piercarlo
Avatar utente
Foto UtentePiercarlo
24,0k 6 11 13
G.Master EY
G.Master EY
 
Messaggi: 6722
Iscritto il: 30 mar 2010, 19:23
Località: Milano

0
voti

[110] Re: controllo toni

Messaggioda Foto UtentePiercarlo » 15 ott 2011, 0:18

XStreme ha scritto:....


Lo stadio di ingresso di quel triplo controllo di toni è migliorabile. Assai! :-)

Ciao
Piercarlo
Avatar utente
Foto UtentePiercarlo
24,0k 6 11 13
G.Master EY
G.Master EY
 
Messaggi: 6722
Iscritto il: 30 mar 2010, 19:23
Località: Milano

PrecedenteProssimo

Torna a Elettronica e spettacolo

Chi c’è in linea

Visitano il forum: Nessuno e 18 ospiti