Cos'è ElectroYou | Login Iscriviti

ElectroYou - la comunità dei professionisti del mondo elettrico

Centralina PWM bici elettrica non funziona piu!! ####

Elettronica lineare e digitale: didattica ed applicazioni

Moderatori: Foto Utentecarloc, Foto Utenteg.schgor, Foto UtenteBrunoValente, Foto UtenteIsidoroKZ

1
voti

[11] Re: Centralina PWM bici elettrica non funziona piu!! ####

Messaggioda Foto Utentedavidde » 18 ott 2011, 12:44

Se devi postare gli schemi impara ad utilizzare FidoCadJ, evita dei disegni tipo l'ultimo che hai postato. Inoltre, se non è troppo, ridimensionare l'immagine non sarebbe per nulla una cattiva idea.

battiesguscia ha scritto:La tensione varia se accellero!!Ma semprerebbe avere piu livelli.Senza accelerare e 0.83v poi man mano che accellero varia fino a 5v!!


A chi stai rispondendo? A me o a qualcun altro? Hai fatto la misura che ti ho indicato?
Cerca di essere chiaro, altrimenti non ci capiamo più nulla!
Avatar utente
Foto Utentedavidde
13,3k 4 9 12
G.Master EY
G.Master EY
 
Messaggi: 4026
Iscritto il: 2 ago 2007, 11:40
Località: Bologna

0
voti

[12] Re: Centralina PWM bici elettrica non funziona piu!! ####

Messaggioda Foto Utentebattiesguscia » 18 ott 2011, 14:18

Provando l'accelleratore
tra verde e nero condizione di riposo 0.83v
al massimo ho 4.27

il filo verde prima di arrivare all'ingresso 3+ (pin9 integrato lm329) passa da una resistenza da 5.1k e sul pin 3+ li arrivano 0.48V. (se accellero al massimo ho 0.63)
Questo segnale e comparato con il segnale dell'uscita del 555 ingresso 3- (pin 8 integrato lm329) e ho una tensione di 2.62
Uscita 3 (pin 14 lm) ha una tensione di 0.12

e giusto??
Avatar utente
Foto Utentebattiesguscia
5 4
Frequentatore
Frequentatore
 
Messaggi: 103
Iscritto il: 14 ott 2011, 9:45

0
voti

[13] Re: Centralina PWM bici elettrica non funziona piu!! ####

Messaggioda Foto Utentebattiesguscia » 18 ott 2011, 16:12

input +3 (pin9) massimo tensione che arriva e 0.63, e sarà sempre piu bassa dei 2.63 dell' input -3 (pin8) del comparatore!!

Ho provato a toccare insieme i due pin (9 8 dell'LM) e il motore gira alla massima tensione!!
Avatar utente
Foto Utentebattiesguscia
5 4
Frequentatore
Frequentatore
 
Messaggi: 103
Iscritto il: 14 ott 2011, 9:45

0
voti

[14] Re: Centralina PWM bici elettrica non funziona piu!! ####

Messaggioda Foto Utentebattiesguscia » 18 ott 2011, 16:13

sul pin 3 del 555 vedo sempre 2.63v!!
non riesco a vedere se cambia di stato!!
Come posso fare?
Avatar utente
Foto Utentebattiesguscia
5 4
Frequentatore
Frequentatore
 
Messaggi: 103
Iscritto il: 14 ott 2011, 9:45

0
voti

[15] Re: Centralina PWM bici elettrica non funziona piu!! ####

Messaggioda Foto Utentesimo85 » 18 ott 2011, 17:27

battiesguscia ha scritto:sul pin 3 del 555 vedo sempre 2.63v!!
non riesco a vedere se cambia di stato!!

Se il PWM è regolato con il 555 come penso sia, al variare il potenziometro devi registrare un valore di tensione variabile in funzione del duty cycle.
Come posso fare?

Analizza le piste e fai uno schema in FidoCad come già ha suggerito Foto Utentedavidde, perché senza quello sono solo ipotesi.

PS: L'LM358 ha 8 pin in totale, da dove esce il pin 9?
Avatar utente
Foto Utentesimo85
30,9k 7 12 13
Disattivato su sua richiesta
 
Messaggi: 9927
Iscritto il: 30 ago 2010, 4:59

1
voti

[16] Re: Centralina PWM bici elettrica non funziona piu!! ####

Messaggioda Foto Utentedavidde » 18 ott 2011, 21:22

battiesguscia ha scritto:Provando l'accelleratoretra verde e nero
condizione di riposo 0.83v
al massimo ho 4.27



Ok, avevo capito male io. Pensavo che dall' acceleratore arrivassero tre fili collegati ad un potenziometro più un quarto filo verde collegato al sensore.

Se le cose stanno così mi sembra che il sensore funzioni correttamente.

Mi rimane ancora un dubbio, il filo giallo da dove arriva?
Non è che per caso era collegato ad una chiave che seviva per accendere e spegnere la scheda?
Quella scheda l'hai smontata da un mezzo funzionante perché ti si è rotta oppure l'hai recuperata da qualche parte e non conosci i collegamenti originali?

Ma poi sei sicuro che il componente sia un lm329? Io con la sigla lm329 trovo soltanto dei componenti che servono come riferimeto di tensione. Ci passi il link al datasheet che stai consultando perfavore.
Avatar utente
Foto Utentedavidde
13,3k 4 9 12
G.Master EY
G.Master EY
 
Messaggi: 4026
Iscritto il: 2 ago 2007, 11:40
Località: Bologna

0
voti

[17] Re: Centralina PWM bici elettrica non funziona piu!! ####

Messaggioda Foto Utenteisd88 » 18 ott 2011, 21:26

per esperienza su queste schede c'è sempre un comando di accensione ma nella quasi totalità dei casi è su coppia di fili separati
Avatar utente
Foto Utenteisd88
918 1 6 13
Expert EY
Expert EY
 
Messaggi: 576
Iscritto il: 27 feb 2007, 21:44

0
voti

[18] Re: Centralina PWM bici elettrica non funziona piu!! ####

Messaggioda Foto Utentebattiesguscia » 19 ott 2011, 10:35

Il comparatore e LM339!!
Forse ho sbagliato a scrivere nei post precedenti!! scusatemi..

il filo verde dell'accelleratore entra nel LM339 e non va a cambiare penso nulla sul 555
Da quello che vedo la configurazione del 555 sembrerebbe astabile, quindi il filo verde non va a cambiare i livelli di tensione del 555!!
Da quello che ho capito l'uscita del 555 viene comparata con la tensione che viene fuori dal filo verde!!

Ho notato che se tocco i due pin di ingresso dellìLM339 (pin 8 e pin 9) il motore gira alla massima tensione!!
Infatti il valore dell'uscita dell'LM339 (pin 14 va a valore alto (12v)

Raga come avete capito non sono un elettronico!! :D
sono un elettrotecnico che li piace l'elettronica.

La centralina me l'hanno data come non funzionante...
Io ho comprato solo la ruota con motore nel mozzo..e mi hanno regalato senza alcuna spesa la centralina, che magari riuscivo a farla andare.

I collegamenti non li so!! Li ho chiesti, ma non mi hanno dato risposta..la bici era gia smontata mi ha detto quello che mi ha venduto tutto!!

Altri dati misurati sul LM339:
ingresso 2:
pin 7 = 3.7V
pin 6 = 5 V
quindi pin 1 uscita 2 misurata 0

ingresso 1:
pin 5 5v
pin 4 gnd
quindi pin 2 uscita 2 misurata 0.72v bassa

ingresso 3 (comparazione ne555- filo verde)
pin 8 2.62 (uscita 5555)
pin 9 ( variabile con accelleratore min 0.48v max 063v)
quindi pin 14 uscita 3 (è a 0 quindi il motore non va!!)


Ho provato a portare al filo giallo sia gnd che 5v ma non cambia nulla!!

Adesso vedo se riesco a fare lo schema!!
Avatar utente
Foto Utentebattiesguscia
5 4
Frequentatore
Frequentatore
 
Messaggi: 103
Iscritto il: 14 ott 2011, 9:45

0
voti

[19] Re: Centralina PWM bici elettrica non funziona piu!! ####

Messaggioda Foto Utentemarco438 » 19 ott 2011, 10:42

battiesguscia ha scritto:Adesso vedo se riesco a fare lo schema!!

E questa sarebbe la soluzione migliore; almeno forse si riesce a capire qualcosa. :D
Fatto con fidocadj, naturalmente!
O_/
marco
Avatar utente
Foto Utentemarco438
37,1k 7 11 13
-EY Legend-
-EY Legend-
 
Messaggi: 16323
Iscritto il: 24 mar 2010, 15:09
Località: Versilia

0
voti

[20] Re: Centralina PWM bici elettrica non funziona piu!! ####

Messaggioda Foto Utentebattiesguscia » 19 ott 2011, 11:48

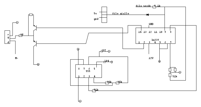
Ho disegnato una parte, la zona interessata!!
Avatar utente
Foto Utentebattiesguscia
5 4
Frequentatore
Frequentatore
 
Messaggi: 103
Iscritto il: 14 ott 2011, 9:45

PrecedenteProssimo

Torna a Elettronica generale

Chi c’è in linea

Visitano il forum: Nessuno e 282 ospiti