Ritardare accensione cicalino
Moderatori:
carloc,
g.schgor,
BrunoValente,
IsidoroKZ
0
voti
ho ordinato tutti i pezzi , il tempo che arrivano e mi metto all'opera
-

CavaliereSbullonato
43 6 - Frequentatore

- Messaggi: 173
- Iscritto il: 18 ott 2011, 17:16
1
voti
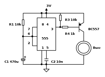
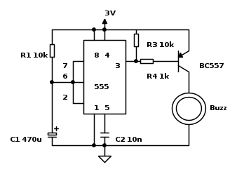
[user]Gohan[/user], mi sembra che nello schema al punto 6, manchi un collegamento nel primo NE555.
Non vorrei che
CavaliereSbullonato si trovasse in difficolta' durante la costruzione.

Non vorrei che

marco
1
voti
Si in effetti l'ho riguardato bene ed ho fatto un piccolo pasticcio con i pin, avevo confuso il pin 5 con l'1, quest'ultimo mancava nella rappresentazione, l'8 ed il 4 erano rappresentati assieme e l'output non era ben chiaro che fosse al pin 3... La fretta..
Grazie
marco438 per la segnalazione, sei stato molto gentile
Riposto lo schema finale così si è più sicuri..
CavaliereSbullonato, visto che la sfiga è sempre in agguato, assicurati di aver ordinato il 555 che ti ho linkato, altrimenti ti ritroverai con uno che ha alimentazione minima di
quindi potrebbe non funzionare.

Grazie
Riposto lo schema finale così si è più sicuri..
quindi potrebbe non funzionare.
0
voti
grazie ancora per il fix allo schema, ho appena chiesto che alimentazione hanno , posso anche mettere 3 pile da 1,5 invece che due , non succede nulla , il cicalino non si brucia 
stavo anche considerando il fatto di farlo drare 5 secondi come nel primo schema che mi hai fatto vedere , se io volessi variare la durata della suoneria del cicalino quale pezzo dovrei cambiare?
stavo anche considerando il fatto di farlo drare 5 secondi come nel primo schema che mi hai fatto vedere , se io volessi variare la durata della suoneria del cicalino quale pezzo dovrei cambiare?
-

CavaliereSbullonato
43 6 - Frequentatore

- Messaggi: 173
- Iscritto il: 18 ott 2011, 17:16
0
voti
Nel primo circuito postato, ciascun 555 è montato in configurazione monostabile. Dal datasheet linkato puoi appunto osservarne le caratteristiche di funzionamento. Infine, l'output del 555 (pin 3) rimarrà a stato logico alto per un tempo uguale a
nell'ultimo schema.
nell'ultimo schema.0
voti
scusa l'ignoranza ma quando tu dai il nome ai pin del monostabile 1,2,3,4 etc , lo fai per farmi capire dove devo collegare i fili , perché guardando il datasheet l'ordine è diverso
-

CavaliereSbullonato
43 6 - Frequentatore

- Messaggi: 173
- Iscritto il: 18 ott 2011, 17:16
Chi c’è in linea
Visitano il forum: Nessuno e 240 ospiti

Elettrotecnica e non solo (admin)
Un gatto tra gli elettroni (IsidoroKZ)
Esperienza e simulazioni (g.schgor)
Moleskine di un idraulico (RenzoDF)
Il Blog di ElectroYou (webmaster)
Idee microcontrollate (TardoFreak)
PICcoli grandi PICMicro (Paolino)
Il blog elettrico di carloc (carloc)
DirtEYblooog (dirtydeeds)
Di tutto... un po' (jordan20)
AK47 (lillo)
Esperienze elettroniche (marco438)
Telecomunicazioni musicali (clavicordo)
Automazione ed Elettronica (gustavo)
Direttive per la sicurezza (ErnestoCappelletti)
EYnfo dall'Alaska (mir)
Apriamo il quadro! (attilio)
H7-25 (asdf)
Passione Elettrica (massimob)
Elettroni a spasso (guidob)
Bloguerra (guerra)


