
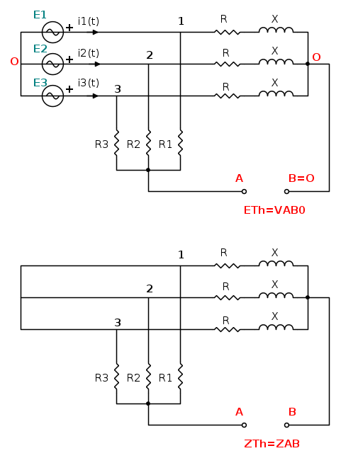
L'ho aggiustato un po' rendendolo più chiaro:
Alcuni ultimi consigli:
1. per postare i dati del problema e le varie espressioni matematiche usa Latex. Questo che ti posto sotto è il link per un editor esterno.
http://www.codecogs.com/latex/eqneditor.php
Scrivi lì le tue espressioni, poi di volta in volta le copi ed incolii qui nel riquadro dove scrivi il messaggio da postare, poi le riselezioni e clicchi sul pulsante tex presente nella pulsantiera che trovi in alto.
2. per quanto riguarda l'esercizio hai già letto le indicazioni di

Elettrotecnica e non solo (admin)
Un gatto tra gli elettroni (IsidoroKZ)
Esperienza e simulazioni (g.schgor)
Moleskine di un idraulico (RenzoDF)
Il Blog di ElectroYou (webmaster)
Idee microcontrollate (TardoFreak)
PICcoli grandi PICMicro (Paolino)
Il blog elettrico di carloc (carloc)
DirtEYblooog (dirtydeeds)
Di tutto... un po' (jordan20)
AK47 (lillo)
Esperienze elettroniche (marco438)
Telecomunicazioni musicali (clavicordo)
Automazione ed Elettronica (gustavo)
Direttive per la sicurezza (ErnestoCappelletti)
EYnfo dall'Alaska (mir)
Apriamo il quadro! (attilio)
H7-25 (asdf)
Passione Elettrica (massimob)
Elettroni a spasso (guidob)
Bloguerra (guerra)











![\[V=380 V\Rightarrow E=V/√\sqrt3\ = 220 V\] \[V=380 V\Rightarrow E=V/√\sqrt3\ = 220 V\]](/forum/latexrender/pictures/fd32ee03b72dad434db8b62220ea0bf8.png)
![\[\bar{E}_{1}=E\angle 0=220 V\] \[\bar{E}_{1}=E\angle 0=220 V\]](/forum/latexrender/pictures/732ac9115153056f944fbcb63050b310.png)
![\[\bar{E}_{2}=E\angle -120=179,12-j127.73\] \[\bar{E}_{2}=E\angle -120=179,12-j127.73\]](/forum/latexrender/pictures/03e46ee05bc3aaca474468e5f5b2b2c4.png)
![\[\bar{E}_{3}=E\angle -240=71.67-j208\] \[\bar{E}_{3}=E\angle -240=71.67-j208\]](/forum/latexrender/pictures/62789a8d623a2a97a7e4e6c135b37f09.png)
![\[P_{R}=3*R*I^{2}\Rightarrow 3*V^{2}/R=3*380^{2}/100=4332W\] \[P_{R}=3*R*I^{2}\Rightarrow 3*V^{2}/R=3*380^{2}/100=4332W\]](/forum/latexrender/pictures/14a0418692ae0ba8ea587fcccf0aa3c5.png)
![\[Q_{x}=3*X*I^{2}\Rightarrow 3*V^{2}/X=3*380^{2}/100=4332VAr\] \[Q_{x}=3*X*I^{2}\Rightarrow 3*V^{2}/X=3*380^{2}/100=4332VAr\]](/forum/latexrender/pictures/a0d9c6f9c4e26e04505bfc313f86ce88.png)
![\[A_{1}= √\sqrt {P_{R}^{2}+Q_{X}^{2}}= 6126.37VA\] \[A_{1}= √\sqrt {P_{R}^{2}+Q_{X}^{2}}= 6126.37VA\]](/forum/latexrender/pictures/532c9bcd9ef2a57f4573383ee92e0c5d.png)
![\[A_{1}= √\sqrt {P_{R}^{2}+Q_{X}^{2}}= 3E*I''\Rightarrow I''=A/3.220= 6126.37/660=9.28A\] \[A_{1}= √\sqrt {P_{R}^{2}+Q_{X}^{2}}= 3E*I''\Rightarrow I''=A/3.220= 6126.37/660=9.28A\]](/forum/latexrender/pictures/beb6cdee7420777ce760106a7fda21d2.png)
![\[Q/P=\tan \varphi=1 \Rightarrow \varphi =\tan^{-1}1=0.785rad\] \[Q/P=\tan \varphi=1 \Rightarrow \varphi =\tan^{-1}1=0.785rad\]](/forum/latexrender/pictures/a30128416107a01193ed0a9872079fce.png)
![\[\bar {I} {_{1} } ^ {''}=I{''} e^{-j0.785}=(6.564-j6.56)A\] \[\bar {I} {_{1} } ^ {''}=I{''} e^{-j0.785}=(6.564-j6.56)A\]](/forum/latexrender/pictures/3569a9ddf44b1976ddeb2c47ed6dbe50.png)
![\[\bar{I}{_{2}}^{''}=I'' e^{-j0.785-2/3\pi }=(-9+j2.27)A\] \[\bar{I}{_{2}}^{''}=I'' e^{-j0.785-2/3\pi }=(-9+j2.27)A\]](/forum/latexrender/pictures/e592511522a33c3f5e10df391415a9dd.png)
![\[\bar{I}{_{3}}^{''}=I'' e^{-j0.785-4/3\pi }=(-0.96+j9.23)A\] \[\bar{I}{_{3}}^{''}=I'' e^{-j0.785-4/3\pi }=(-0.96+j9.23)A\]](/forum/latexrender/pictures/be9b3ce9ae0254aaf55ae9210ed6b816.png)
![\[\bar{V}_{oo'}=-{[(\bar{E_{1}}/R_{1})(\bar{E_{2}}/R_{2})+
(\bar{E_{1}}/R_{1})]/[(1/R_{1})+(1/R_{2})+(1/R_{3})]} =(-174+j92.8)\Omega \] \[\bar{V}_{oo'}=-{[(\bar{E_{1}}/R_{1})(\bar{E_{2}}/R_{2})+
(\bar{E_{1}}/R_{1})]/[(1/R_{1})+(1/R_{2})+(1/R_{3})]} =(-174+j92.8)\Omega \]](/forum/latexrender/pictures/4a59c0359945df8caef02ca599c5bdef.png)


![\[\bar{E_{3}^ {'}}= \bar{E_{3}} +\bar{V_{oo'}}= (-102.33-j115.2)V\] \[\bar{E_{3}^ {'}}= \bar{E_{3}} +\bar{V_{oo'}}= (-102.33-j115.2)V\]](/forum/latexrender/pictures/e2b76497be929716b18ff55d93cc9e45.png)
![\[\bar{I_{1}^ {'}}=\bar{E_{1}^ {'}}/R_{1}=(0.46+J0.928)A\] \[\bar{I_{1}^ {'}}=\bar{E_{1}^ {'}}/R_{1}=(0.46+J0.928)A\]](/forum/latexrender/pictures/04d7a35c46a8854de3ff2faa95cc4638.png)
![\[\bar{I_{2}^ {'}}=\bar{E_{2}^ {'}}/R_{2}=(0.05-j0.35)A\] \[\bar{I_{2}^ {'}}=\bar{E_{2}^ {'}}/R_{2}=(0.05-j0.35)A\]](/forum/latexrender/pictures/d2cfb2f75cfdf2fbe73385d68695edab.png)
![\[\bar{I_{3}^ {'}}=\bar{E_{3}^ {'}}/R_{3}=(-0.51-j0.576)A\] \[\bar{I_{3}^ {'}}=\bar{E_{3}^ {'}}/R_{3}=(-0.51-j0.576)A\]](/forum/latexrender/pictures/394b10e995ae25a97a28ca56b89b9bef.png)
![\[\bar{I_{1}}= \bar{I_{1}^ {'}}+\bar{I_{1}^ {''}}=(7.024-j5.632)A\] \[\bar{I_{1}}= \bar{I_{1}^ {'}}+\bar{I_{1}^ {''}}=(7.024-j5.632)A\]](/forum/latexrender/pictures/7a60be15260cf24817e912a7a22560d5.png)
![\[\bar{I_{2}}= \bar{I_{2}^ {'}}+\bar{I_{2}^ {''}}=(-8.95+j1.92)A\] \[\bar{I_{2}}= \bar{I_{2}^ {'}}+\bar{I_{2}^ {''}}=(-8.95+j1.92)A\]](/forum/latexrender/pictures/ed012317f65f8c226b38348e4c0d3ddc.png)
![\[\bar{I_{3}}= \bar{I_{3}^ {'}}+\bar{I_{3}^ {''}}=(-1.47+j8.654)A\] \[\bar{I_{3}}= \bar{I_{3}^ {'}}+\bar{I_{3}^ {''}}=(-1.47+j8.654)A\]](/forum/latexrender/pictures/98f7e66eb61e09cf14b2fd1189906aaa.png)
![\[P_{R2}=R_{1}*I_{1}^{'2}+R_{2}*I_{2}^{'2}+R_{3}*I_{3}^{'3}= 238.16W\] \[P_{R2}=R_{1}*I_{1}^{'2}+R_{2}*I_{2}^{'2}+R_{3}*I_{3}^{'3}= 238.16W\]](/forum/latexrender/pictures/711c7482c2f8975a90922ebbe91b6811.png)
![\[Q_{R2}=0\] \[Q_{R2}=0\]](/forum/latexrender/pictures/2a660b9273a65d443e50d2b4f94d13bf.png)
![\[P_{TOT}=P_{R}+P_{R2}=5054W\] \[P_{TOT}=P_{R}+P_{R2}=5054W\]](/forum/latexrender/pictures/aaf2a033e3e58212f6faa1ec74816e42.png)
![\[Q_{TOT}=Q_{X}=4332VAr\] \[Q_{TOT}=Q_{X}=4332VAr\]](/forum/latexrender/pictures/37ea384d1ef19e542a4c047f74090add.png)
![\[\bar{Z}=(R_{1}//R_{2}//R_{3})+Z_{EQ}/3=80.54\] \[\bar{Z}=(R_{1}//R_{2}//R_{3})+Z_{EQ}/3=80.54\]](/forum/latexrender/pictures/9aaba67be161ad42168586f3945e1c43.png)
![\[I_{f}=V/Z=380/80.54=4.7A\] \[I_{f}=V/Z=380/80.54=4.7A\]](/forum/latexrender/pictures/2593cae95d0e998cf27a9eefad141751.png)

