niente idee??
buon weekend
Centralina PWM bici elettrica non funziona piu!! ####
Moderatori:
carloc,
g.schgor,
BrunoValente,
IsidoroKZ
28 messaggi
• Pagina 3 di 3 • 1, 2, 3
1
voti
Ciao,
dovresti alimentare la scheda e misurare che tensione hai tra il pin 1 e il pin 4 del 555. Già che ci sei misura anche che tensione hai tra il pin 8 e il pin 1 del 555.
dovresti alimentare la scheda e misurare che tensione hai tra il pin 1 e il pin 4 del 555. Già che ci sei misura anche che tensione hai tra il pin 8 e il pin 1 del 555.
0
voti
5.05 in entrambi!!
tra 1 e il 4
e tra 1 e 8
ciao
tra 1 e il 4
e tra 1 e 8
ciao
-

battiesguscia
5 4 - Frequentatore

- Messaggi: 103
- Iscritto il: 14 ott 2011, 9:45
1
voti
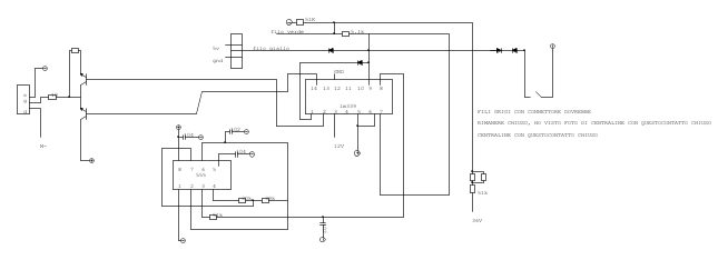
Ok, allora lo schema che hai postato non è corretto. A questo punto provo a dirti che idea mi son fatto del funzionamento del tuo circuito perché sospetto che di imprecisioni ce ne siano altre.
Il 555 in configurazione astabile genera un'onda quadra a frequenza fissa. Quindi il fatto che non vedi la tensione variare in uscita al 555 (pin3) ci può stare. La frequenza generata non viene riportata così come esce dal 555 ma viene filtrata da un filtro RC serie che ha il compito di smussare i fronti verticali tipici dell'onda quadra. Qui trovi un'immagine che chiarisce. Questo spiegherebbe il senso di quella resistenza da 51kohm che hai disegnato, manca il condensatore ma per me se lo cerchi bene lo trovi.
L'onda "smussata" giunge all'ingresso invertente (pin8) del comparatore (n°3) dell' LM339 mentre sul pin9 dello stesso comparatore abbiamo il riferimento variabile dato dalla posizione del gas. Secondo il mio ragionamento è quindi logico che variando la tensione del riferimento viene variato il duty cycle in uscita dal comparatore. L'uscita del comparatore infine comanda uno dei due transistor che servono da driver per il gate del MOS; in pratica hanno la funzione di rendere veloci le sue commutazioni in modo da non dissipare potenza durante i transitori.
A questo punto, da quello che hai descritto, tutto sembrerebbe funzionare a dovere e perciò il motore dovrebbe girare. L'unico aspetto che non è ancora stato approfondito è quel diodo collegato al pin9 e poi al filo giallo.
Osservando il tuo schema (vorrei poi chiederti cos'è quel rettangolo che fa capo al filo giallo) sembrerebbe proprio che il filo giallo collegato a 0V serva per inibire il segnale che arriva dal gas in modo che il motore non possa partire.
Dovresti provare ad approfondire quella parte di schema in modo da capire se non ci sia qualcosa di rotto lì. Il diodo ad esempio è funzionante?
Il 555 in configurazione astabile genera un'onda quadra a frequenza fissa. Quindi il fatto che non vedi la tensione variare in uscita al 555 (pin3) ci può stare. La frequenza generata non viene riportata così come esce dal 555 ma viene filtrata da un filtro RC serie che ha il compito di smussare i fronti verticali tipici dell'onda quadra. Qui trovi un'immagine che chiarisce. Questo spiegherebbe il senso di quella resistenza da 51kohm che hai disegnato, manca il condensatore ma per me se lo cerchi bene lo trovi.
L'onda "smussata" giunge all'ingresso invertente (pin8) del comparatore (n°3) dell' LM339 mentre sul pin9 dello stesso comparatore abbiamo il riferimento variabile dato dalla posizione del gas. Secondo il mio ragionamento è quindi logico che variando la tensione del riferimento viene variato il duty cycle in uscita dal comparatore. L'uscita del comparatore infine comanda uno dei due transistor che servono da driver per il gate del MOS; in pratica hanno la funzione di rendere veloci le sue commutazioni in modo da non dissipare potenza durante i transitori.
A questo punto, da quello che hai descritto, tutto sembrerebbe funzionare a dovere e perciò il motore dovrebbe girare. L'unico aspetto che non è ancora stato approfondito è quel diodo collegato al pin9 e poi al filo giallo.
Osservando il tuo schema (vorrei poi chiederti cos'è quel rettangolo che fa capo al filo giallo) sembrerebbe proprio che il filo giallo collegato a 0V serva per inibire il segnale che arriva dal gas in modo che il motore non possa partire.
Dovresti provare ad approfondire quella parte di schema in modo da capire se non ci sia qualcosa di rotto lì. Il diodo ad esempio è funzionante?
0
voti
Il rettangolo collegato al filo giallo è un connettore molex, che non so cosa c'era collegato!!
Domani provo a seguire ancora le piste, per cercare il condensatore ecc..
grazie
Domani provo a seguire ancora le piste, per cercare il condensatore ecc..
grazie
-

battiesguscia
5 4 - Frequentatore

- Messaggi: 103
- Iscritto il: 14 ott 2011, 9:45
0
voti
Ho aggiornato lo schema, con qualcosa in piu!!Ci sto perdendo gli occhi perche e un doppia faccia!!
Spero ci siano delle novita!!
Spero ci siano delle novita!!
-

battiesguscia
5 4 - Frequentatore

- Messaggi: 103
- Iscritto il: 14 ott 2011, 9:45
1
voti
Ciao,
mi dispiace ma non mi viene in mente altro, i componenti che hai aggiunto non mi sono d'aiuto perché i rami non sono completi. In linea generale comunque le centraline per abilitare il motore hanno dei sensori che devono essere tutti a posto altrimenti l'abilitazione non viene data per questioni di sicurezza. I controlli solitamente sono: la chiave, i (o il) freno e il sensore di pedalata assistita. Suppongo che il molex che hai disegnato servisse proprio per alimentare e riportare alla scheda principale il segnale del sensore di pedalata assistita. Senza di quello mi sa che ci sia poco da fare.
mi dispiace ma non mi viene in mente altro, i componenti che hai aggiunto non mi sono d'aiuto perché i rami non sono completi. In linea generale comunque le centraline per abilitare il motore hanno dei sensori che devono essere tutti a posto altrimenti l'abilitazione non viene data per questioni di sicurezza. I controlli solitamente sono: la chiave, i (o il) freno e il sensore di pedalata assistita. Suppongo che il molex che hai disegnato servisse proprio per alimentare e riportare alla scheda principale il segnale del sensore di pedalata assistita. Senza di quello mi sa che ci sia poco da fare.
28 messaggi
• Pagina 3 di 3 • 1, 2, 3
Chi c’è in linea
Visitano il forum: Nessuno e 60 ospiti

Elettrotecnica e non solo (admin)
Un gatto tra gli elettroni (IsidoroKZ)
Esperienza e simulazioni (g.schgor)
Moleskine di un idraulico (RenzoDF)
Il Blog di ElectroYou (webmaster)
Idee microcontrollate (TardoFreak)
PICcoli grandi PICMicro (Paolino)
Il blog elettrico di carloc (carloc)
DirtEYblooog (dirtydeeds)
Di tutto... un po' (jordan20)
AK47 (lillo)
Esperienze elettroniche (marco438)
Telecomunicazioni musicali (clavicordo)
Automazione ed Elettronica (gustavo)
Direttive per la sicurezza (ErnestoCappelletti)
EYnfo dall'Alaska (mir)
Apriamo il quadro! (attilio)
H7-25 (asdf)
Passione Elettrica (massimob)
Elettroni a spasso (guidob)
Bloguerra (guerra)

