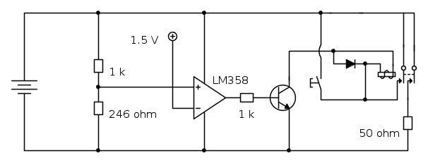
Questo è il circuito completo:
Ricapitolo tutto perché mi sa che mi sono spiegato male:
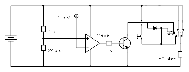
Io voglio scaricare un pacco batterie fino a una data tensione, ossia fino a 7.6 V.
Per far questo utilizzo una resistenza da 50 Ω, solo che per non stare lì ad aspettare realizzo un circuito che stacchi la scarica una volta raggiunta la tensione che voglio.
Il circuito dovrebbe funzionare così:
Premo il bottone a destra: questo chiude il relè in quanto il transistor dovrebbe essere acceso completamente; una volta che rilascio il bottone il relè continua a rimanere eccitato perché l'alimentazione della sua bobina giunge attraverso uno dei suoi contatti NO (normalmente aperto, ma che adesso è chiuso perché ho premuto il mio bottone di inizio scarica).
La batteria si scarica fino ai miei 7.6 V, principalmente sulla resistenza da 50 Ω e oltre a questa sul partitore, sull'alimentazione dell'opamp e sul transistor (chi se ne importa!).
Una volta sotto i 7.6 V la Vin dell'opamp dovrebbe essere negativa e quindi la sua uscita cadere a massa, interdire il transistor, spegnere il relè e quindi terminare la scarica (effettivamente aumentare i valori delle resistenze del partitore potrebbe giovare al "dimenticarsi" la batteria collegata, così come il sostituire il transistor con uno mosfet, ma il problema non è questo).
L'unico intoppo è che l'opamp "col cavolo" che spegne tutto una volta arrivati alla tensione di soglia. Leggendo le vostre risposte non sono riuscito a capire quale sia il mio errore.. Adesso ci riprovo. Spero di essermi spiegato al meglio questa volta.
Ps: Non ho disegnato il circuito completo sin dall'inizio perché effettivamente mi ero concentrato su questo problema e non su quello delle oscillazioni che avevo risolto sin dall'inizio con la storia del bottone + relè con doppio contatto.
Terminare scarica ad una data tensione
Moderatori:
carloc,
g.schgor,
BrunoValente,
IsidoroKZ
0
voti
Ultima modifica di
marioursino il 25 ott 2011, 1:06, modificato 1 volta in totale.
-

marioursino
5.687 3 9 13 - G.Master EY

- Messaggi: 1598
- Iscritto il: 5 dic 2009, 4:32
0
voti
almeno uno che ha avuto la pazienza o non so che altro di rispondere, forse anche cortesia si... Scusate se non sono un "genio" come voi o un professore...
Nemmeno io sono un vero esperto in elettronica, tanto che sin dall'inizio pensavo al modo in cui fosse alimentato l'op-amp ma del resto nemmeno io sono più riuscito a seguire la cosa dopo gli ultimi sviluppi.
Non frustrarti, sono sicuro che
Porta pazienza, fai dei tentativi ragiona e vedrai che al limite Isidoro interverrà.
Ma almeno tu ci hai provato, giusto?
-

Ivan_Iamoni
5.336 6 10 12 - Utente disattivato per decisione dell'amministrazione proprietaria del sito
- Messaggi: 2330
- Iscritto il: 22 ott 2006, 18:45
0
voti
Rileggendo tutto riprovo di nuovo a dare una risposta riguardo la questione iniziale:
oltre che per colpa dell'auto ricarica della batteria si potrebbe trattare del picco di tensione che si verifica all'apertura della bobina del relè che porta il tutto a oscillare?
Sempre riferendosi al primo disegno (in cui mi sono anche dimenticato il diodo sulla bobina).
Tutto colpa della fretta e del dare per scontato certe cose. Scusatemi.
oltre che per colpa dell'auto ricarica della batteria si potrebbe trattare del picco di tensione che si verifica all'apertura della bobina del relè che porta il tutto a oscillare?
Sempre riferendosi al primo disegno (in cui mi sono anche dimenticato il diodo sulla bobina).
Tutto colpa della fretta e del dare per scontato certe cose. Scusatemi.
-

marioursino
5.687 3 9 13 - G.Master EY

- Messaggi: 1598
- Iscritto il: 5 dic 2009, 4:32
0
voti
marioursino ha scritto:si potrebbe trattare del picco di tensione
Io invece penso ad un picco di corrente.
Nel momento in cui il rele` si accende si ha un picco di corrente richiesto dalla bobina, questa corrente pero` deve arrivare dalla batteria tramite il filo che presenta una seppur piccola induttanza.
In risposta al picco di corrente il filo diventa un circuito aperto e la tensione sulle resistenze usate come riferimento si abbassa facendo spegnere il rele`.
La tensione poi si alza di nuovo dato che il picco e` terminato e il rele` si riaccende di nuovo e il ciclo ricomincia.
In pratica e` lo stesso motivo per cui si usa la tripletta di condensatori vicini ai pin di alimentazione dei microcontrollori che vivono lontani dall'alimentatore.
L'ho sparata abbastanza grossa? Se non basta ne preparo una ancora piu` grossa!!!

http://millefori.altervista.org
Tool gratuito per chi sviluppa su millefori.
Tutti sanno che una cosa è impossibile da realizzare, finché arriva uno sprovveduto che non lo sa e la inventa. (A. Einstein)
Se non c'e` un 555 non e` un buon progetto (IsidoroKZ)
Strumento per formule
Tool gratuito per chi sviluppa su millefori.
Tutti sanno che una cosa è impossibile da realizzare, finché arriva uno sprovveduto che non lo sa e la inventa. (A. Einstein)
Se non c'e` un 555 non e` un buon progetto (IsidoroKZ)
Strumento per formule
-

posta10100
5.550 4 10 13 - Master EY

- Messaggi: 4832
- Iscritto il: 5 nov 2006, 0:09
0
voti
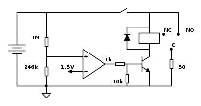
Mi sono permesso di cambiare leggermente il tuo circuito in una maniera che secondo me è leggermente migliore..
PS: Buongiorno a tutti
1
voti
And the winners are
marioursino e
posta10100 che ci sono andati molto vicini.
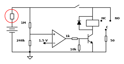
Nello schema (che su spice funzionerebbe benissimo) manca la resistenza interna della batteria, evidenziata in rosso.
Quando la tensione scende al di sotto della soglia, il carico si stacca, la caduta sulla resistenza interna della batteria diminuisce e quindi la tensione di batteria aumenta immediatamente, facendo richiudere il rele` e cosi` via.
Nel thread "Circuito di stacco e lampeggio..." c'e` appunto quel problema e ho chiesto all'OP di misurare di quanto sale la tensione di batteria quando si stacca il carico, poi ho messo una isteresi enorme. Il primo problema e` quello della resistenza interna, poi a piu` lungo termine entra in gioco l'aumento di tensione per reazioni chimiche.
Ho visto un ingegnere incompetente fare un circuito del genere senza isteresi, E collaudarlo con un alimentatore, concludendo che funzionava bene :)
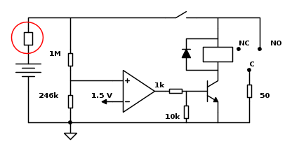
Nello schema (che su spice funzionerebbe benissimo) manca la resistenza interna della batteria, evidenziata in rosso.
Quando la tensione scende al di sotto della soglia, il carico si stacca, la caduta sulla resistenza interna della batteria diminuisce e quindi la tensione di batteria aumenta immediatamente, facendo richiudere il rele` e cosi` via.
Nel thread "Circuito di stacco e lampeggio..." c'e` appunto quel problema e ho chiesto all'OP di misurare di quanto sale la tensione di batteria quando si stacca il carico, poi ho messo una isteresi enorme. Il primo problema e` quello della resistenza interna, poi a piu` lungo termine entra in gioco l'aumento di tensione per reazioni chimiche.
Ho visto un ingegnere incompetente fare un circuito del genere senza isteresi, E collaudarlo con un alimentatore, concludendo che funzionava bene :)
Per usare proficuamente un simulatore, bisogna sapere molta più elettronica di lui
Plug it in - it works better!
Il 555 sta all'elettronica come Arduino all'informatica! (entrambi loro malgrado)
Se volete risposte rispondete a tutte le mie domande
Plug it in - it works better!
Il 555 sta all'elettronica come Arduino all'informatica! (entrambi loro malgrado)
Se volete risposte rispondete a tutte le mie domande
0
voti
Hai ragione, sono rincoglionito :) Grazie, corretto!
Per usare proficuamente un simulatore, bisogna sapere molta più elettronica di lui
Plug it in - it works better!
Il 555 sta all'elettronica come Arduino all'informatica! (entrambi loro malgrado)
Se volete risposte rispondete a tutte le mie domande
Plug it in - it works better!
Il 555 sta all'elettronica come Arduino all'informatica! (entrambi loro malgrado)
Se volete risposte rispondete a tutte le mie domande
0
voti
Ivan_Iamoni ha scritto:Non frustrarti, sono sicuro cheIsidoroKZ ed altri non nascondon la soluzione per crudeltà ma perché desiderosi che ci arrivi tu stesso ad essa, come del resto te lo aveva fatto notare anche [user]gohan[/user] mi sembra.
Porta pazienza, fai dei tentativi ragiona e vedrai che al limite Isidoro interverrà.
Ma almeno tu ci hai provato, giusto?
Io ci ho ragionato molto, e sinceramente la retroazione non la vedo in altro modo che se non come quello esposto da posta10100, ma è ovvio che sono meno esperto di Isidoro e di molti altri qui, probabilmente meno di te anche, sia per l'aspetto teorico e forse anche quello pratico. Io però mi riferivo al condensatore in quell momento, se leggi al post n 14 di Isidoro in risposta al mio 13 si "intende" , o almeno io ho inteso così, che il casino lo fa il condensatore da me suggerito, si dal caso che fino a quel momento non ha mai parlato di "casino" e l'unica modifica da me proposta è stata quella, a parte il diodo in antiparallelo per far star tranquillo il 547.
Purtroppo sono fortemente malato e inchiodato in casa, e non ho avuto modo di montare tale circuito e di fare eventuali prove, ma per ragionarci ci ho ragionato, però quello che vorrei aggiungere io ora è che se non si riferiva al condensatore, goan nemmeno o comunque a e è parso chiaro che non ho capito il suo post 14... bastava semplicemente dire, come ha fatto DirtyDeeds gentilmente, che il condensatore non centrava nulla in merito al "casino" da lui citato (lui intendo Isidoro).
Per carità io non sto dicendo che uno deve rispondere per forza o che è "cattivo" se non lo fa, o tantomeno che non è "stimolante" il suo metodo (lo dimostra il fatto che a me che non iteressa niente di tale circuito in se per se e tantomento l'applicazione ci ho fatto tardi ieri sera e stamattina appena sveglio ho riaperto il forum su tale argomento) , però la vedo un po' una questione di "cortesia"... rispondere su una cosa che non ho palesemente capito proprio come risposta in merito alla mia domanda, vedi post 14 e post 13...
Boh, mi dispiace dover dire ste cose, forse è il fatto che il forum appiattisce un po' troppe cose o non so che altro pensare
0
voti
Scusate, ho scritto dopo tutti
ma non so perché non mi fa vedere i vostri messaggi prima... si può spostare sopra il messaggio? oppure se non lo ritenete importante tagliatelo, ormai si è giunti alla fine mi sembra, anche se non sono sicuro se il diretto interessato al circuito abbia risolto la faccenda.
Chi c’è in linea
Visitano il forum: Nessuno e 54 ospiti

Elettrotecnica e non solo (admin)
Un gatto tra gli elettroni (IsidoroKZ)
Esperienza e simulazioni (g.schgor)
Moleskine di un idraulico (RenzoDF)
Il Blog di ElectroYou (webmaster)
Idee microcontrollate (TardoFreak)
PICcoli grandi PICMicro (Paolino)
Il blog elettrico di carloc (carloc)
DirtEYblooog (dirtydeeds)
Di tutto... un po' (jordan20)
AK47 (lillo)
Esperienze elettroniche (marco438)
Telecomunicazioni musicali (clavicordo)
Automazione ed Elettronica (gustavo)
Direttive per la sicurezza (ErnestoCappelletti)
EYnfo dall'Alaska (mir)
Apriamo il quadro! (attilio)
H7-25 (asdf)
Passione Elettrica (massimob)
Elettroni a spasso (guidob)
Bloguerra (guerra)




