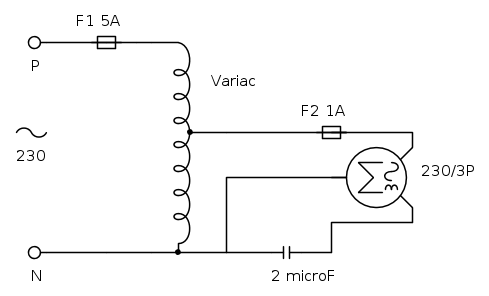
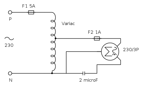
Salve a tutti, vi posto uno schema:
parrebbe un motore trifase 230, collegato ad una monofase tramite un trafo variabile che ne regola la velocità.
Diamo per scontato che tutti i componenti sono correttamente dimensionati.
In questa configurazione il trafo scalda fino a fumare con però entrambi i fusibili a posto (sovratensione?).
Collegando lo stesso circuito a una linea trifase 230, prendendo cioè 2 delle tre fasi e collegandole come fossero un fase e un neutro, questo non succede.
Come mai?
Grazie mille
Franco
Trasformatore variabile come regolatore di velocità
Moderatori:
SandroCalligaro,
mario_maggi,
fpalone
2 messaggi
• Pagina 1 di 1
2 messaggi
• Pagina 1 di 1
Chi c’è in linea
Visitano il forum: Nessuno e 58 ospiti

Elettrotecnica e non solo (admin)
Un gatto tra gli elettroni (IsidoroKZ)
Esperienza e simulazioni (g.schgor)
Moleskine di un idraulico (RenzoDF)
Il Blog di ElectroYou (webmaster)
Idee microcontrollate (TardoFreak)
PICcoli grandi PICMicro (Paolino)
Il blog elettrico di carloc (carloc)
DirtEYblooog (dirtydeeds)
Di tutto... un po' (jordan20)
AK47 (lillo)
Esperienze elettroniche (marco438)
Telecomunicazioni musicali (clavicordo)
Automazione ed Elettronica (gustavo)
Direttive per la sicurezza (ErnestoCappelletti)
EYnfo dall'Alaska (mir)
Apriamo il quadro! (attilio)
H7-25 (asdf)
Passione Elettrica (massimob)
Elettroni a spasso (guidob)
Bloguerra (guerra)
