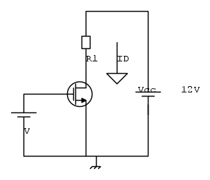
Devo determinare la tensione tra drain e sourse Vds di saturazione di questo mosfet irlz44n
Pensavo di ricavarmi la tensione dalla corrente di drain che è definita dalla relazione:
Il mio problema ora sta nell'identificare i parametri come( capacità dell'ossido Cox, mobilità , fattore di forma) che non riesco a trovare sul datasheet http://www.irf.com/product-info/datasheets/data/irlz44n.pdf..
qualcuno può aiutarmi? Grazie

Elettrotecnica e non solo (admin)
Un gatto tra gli elettroni (IsidoroKZ)
Esperienza e simulazioni (g.schgor)
Moleskine di un idraulico (RenzoDF)
Il Blog di ElectroYou (webmaster)
Idee microcontrollate (TardoFreak)
PICcoli grandi PICMicro (Paolino)
Il blog elettrico di carloc (carloc)
DirtEYblooog (dirtydeeds)
Di tutto... un po' (jordan20)
AK47 (lillo)
Esperienze elettroniche (marco438)
Telecomunicazioni musicali (clavicordo)
Automazione ed Elettronica (gustavo)
Direttive per la sicurezza (ErnestoCappelletti)
EYnfo dall'Alaska (mir)
Apriamo il quadro! (attilio)
H7-25 (asdf)
Passione Elettrica (massimob)
Elettroni a spasso (guidob)
Bloguerra (guerra)

) del mosfet non dipende solo da quella relazione, ma anche dal circuito che c'è attorno.
instead of
(Anonimo).
ain't
, right?
in lieu of
.
for
arithm.


affinchè la Id sia 200mA..
e 
(dal datasheet)![I_{Dsat} =[gm*(V_{GS}-V_{th})]/2 I_{Dsat} =[gm*(V_{GS}-V_{th})]/2](/forum/latexrender/pictures/8bd1a81600f0ad413bffd41404d3fd7f.png)
.
è molto piccola per il transistore che utilizzo io!!


e 
che mi dice se sono in saturazione o in zona triodo!!!