Ciao, ho un problema che di solito non mi si è mai presentato.
Praticamente ho un 555, la cui uscita (in modalità monostabile 8V circa in uscita) dovrebbe pilotare un mosfet N.
Questo mosfet lo volevo usare come interruttore per alimentare un altro 555.
Per cui avevo pensato di collegare il drain ai 9V di alimentazione, il 555 al source, e il gate all'uscita del primo 555, ma così logicamente non funziona, in quanto la Vgs non supera la Vth (4V) o meglio, la tensione dell'uscita del primo 555 dovrebbe essere 9V (potenziale del source)+4V (Vth)=13V...
Qualche idea? grazie
PS: volevo usare un mosfet e non un bipolare per non avere una grande caduta tra i 9V di alimentazione e il 555.
Pilotare Mosfet
Moderatori:
carloc,
g.schgor,
BrunoValente,
IsidoroKZ
12 messaggi
• Pagina 1 di 2 • 1, 2
0
voti
Usi un MOSFET canale P ed hai risolto la cosa.
Eventualmente inverti il segnale di pilotaggio.
Eventualmente inverti il segnale di pilotaggio.
"La follia sta nel fare sempre la stessa cosa aspettandosi risultati diversi".
"Parla soltanto quando sei sicuro che quello che dirai è più bello del silenzio".
Rispondere è cortesia, ma lasciare l'ultima parola ai cretini è arte.
"Parla soltanto quando sei sicuro che quello che dirai è più bello del silenzio".
Rispondere è cortesia, ma lasciare l'ultima parola ai cretini è arte.
-

TardoFreak
73,9k 8 12 13 - -EY Legend-

- Messaggi: 15754
- Iscritto il: 16 dic 2009, 11:10
- Località: Torino - 3° pianeta del Sistema Solare
0
voti
Si, però ci sono 2 problemi:
-volevo usare quel mosfet n che già avevo :)
-dovrei avere un segnale di pilotaggio negativo...il che complica un po' le cose
-volevo usare quel mosfet n che già avevo :)
-dovrei avere un segnale di pilotaggio negativo...il che complica un po' le cose
0
voti
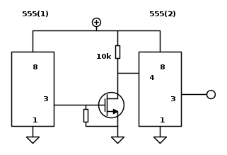
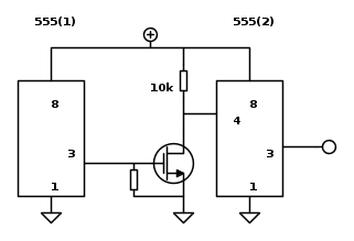
Io agirei sul pin 4 di reset così:
A mio parere è preferibile, perché secondo me commutare l'alimentazione di un IC ripetutamente non mi sembra sia una grande idea..
Se invece preferisci commutare l'alimentazione del secondo 555, puoi collegare quest'ultimo al Drain, così:
ma come ti ripeto, la prima soluzione è migliore.

A mio parere è preferibile, perché secondo me commutare l'alimentazione di un IC ripetutamente non mi sembra sia una grande idea..
Se invece preferisci commutare l'alimentazione del secondo 555, puoi collegare quest'ultimo al Drain, così:
ma come ti ripeto, la prima soluzione è migliore.

1
voti
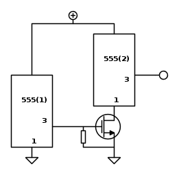
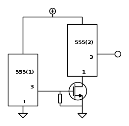
Mi rendo conto che il primo schema non coincide con la logica che tu chiedi
, ossia accendendo il MOS si deve accendere anche il secondo 555, quindi non è valido
e se proprio vuoi prendi in considerazione solo il secondo schema.
Infine, perché non colleghi solo l'output del primo 555 al reset del secondo e fai a meno del MOSFET?
, ossia accendendo il MOS si deve accendere anche il secondo 555, quindi non è valido Infine, perché non colleghi solo l'output del primo 555 al reset del secondo e fai a meno del MOSFET?
0
voti
In effetti attaccare direttamente l'uscita al reset non ci avevo pensato
Però qual è il valore di tensione del reset per essere considerato "high" che non riesco a trovarlo? (considerando che è alimentato a 9V). perché la mia uscita del primo 555 è collegata a una rete di ritardo RC, perché vorrei attivare il secondo 555 dopo un tot che l'uscita del primo 555 è alta.
comunque grazie mille
Però qual è il valore di tensione del reset per essere considerato "high" che non riesco a trovarlo? (considerando che è alimentato a 9V). perché la mia uscita del primo 555 è collegata a una rete di ritardo RC, perché vorrei attivare il secondo 555 dopo un tot che l'uscita del primo 555 è alta.
comunque grazie mille
0
voti
Nel datasheet c'è scritto pure il livello di tensione soglia sul pin reset
Tu vuoi fare una rete RC così?
Non puoi gestire il ritardo direttamente con il primo 555?
Tu vuoi fare una rete RC così?
Non puoi gestire il ritardo direttamente con il primo 555?
0
voti
Si, nel datasheet che avevo io non c'era....dice 0.3/1V....
La mia rete di ritardo era come dici tu, che però doveva pilotare il gate del mosfet, ora dovrò ritararla per avere una tensione di 0.3V dopo circa 30 ms.
Per gestire questo ritardo direttamente dal primo 555 penso sia impossibile in modalità monostabile, perché appena ho sul trigger un ingresso che scende sotto i Vcc/3, in output parte il gradino, senza possibilità (credo) di gestire un possibile ritardo a priori.
La mia rete di ritardo era come dici tu, che però doveva pilotare il gate del mosfet, ora dovrò ritararla per avere una tensione di 0.3V dopo circa 30 ms.
Per gestire questo ritardo direttamente dal primo 555 penso sia impossibile in modalità monostabile, perché appena ho sul trigger un ingresso che scende sotto i Vcc/3, in output parte il gradino, senza possibilità (credo) di gestire un possibile ritardo a priori.
0
voti
Se usi una configurazione monostabile con una R da 12k ed un condensatore da 2.2uF hai un ritardo di
. Usi il primo schema che ti ho postato, il primo 555 come monostabile e con il secondo quello che devi fare.
. Usi il primo schema che ti ho postato, il primo 555 come monostabile e con il secondo quello che devi fare.0
voti
[10] Re: Pilotare Mosfet
Con questi componenti avrei il gradino in uscita dal monostabile della durata di 30ms circa, mentre a me interessa un gradino di 1,5s, con un ritardo di 30ms che è impossibile.
Comunque ho provato a collegare una rete di ritardo dall'uscita del primo al reset del secondo, tenendo conto che la resistenza in entrata del pin reset è di 10k. Ho messo quindi resistenza da 39k e condensatore da 1uF, così avrò sul pin reset una resistenza di circa 1,5V che arriva a circa il 60% (1V) dopo 30ms.
Grazie dell'idea ;)
PS: avrei voluto darti un voto ma non me lo lascia fare
Comunque ho provato a collegare una rete di ritardo dall'uscita del primo al reset del secondo, tenendo conto che la resistenza in entrata del pin reset è di 10k. Ho messo quindi resistenza da 39k e condensatore da 1uF, così avrò sul pin reset una resistenza di circa 1,5V che arriva a circa il 60% (1V) dopo 30ms.
Grazie dell'idea ;)
PS: avrei voluto darti un voto ma non me lo lascia fare
12 messaggi
• Pagina 1 di 2 • 1, 2
Chi c’è in linea
Visitano il forum: Nessuno e 273 ospiti

Elettrotecnica e non solo (admin)
Un gatto tra gli elettroni (IsidoroKZ)
Esperienza e simulazioni (g.schgor)
Moleskine di un idraulico (RenzoDF)
Il Blog di ElectroYou (webmaster)
Idee microcontrollate (TardoFreak)
PICcoli grandi PICMicro (Paolino)
Il blog elettrico di carloc (carloc)
DirtEYblooog (dirtydeeds)
Di tutto... un po' (jordan20)
AK47 (lillo)
Esperienze elettroniche (marco438)
Telecomunicazioni musicali (clavicordo)
Automazione ed Elettronica (gustavo)
Direttive per la sicurezza (ErnestoCappelletti)
EYnfo dall'Alaska (mir)
Apriamo il quadro! (attilio)
H7-25 (asdf)
Passione Elettrica (massimob)
Elettroni a spasso (guidob)
Bloguerra (guerra)




